电脑桌面
添加小米粒文库到电脑桌面
安装后可以在桌面快捷访问

安全检查标准细则VIP专享VIP免费

安全检查标准细则_第1页
1/22
安全检查标准细则_第2页
2/22
安全检查标准细则_第3页
3/22
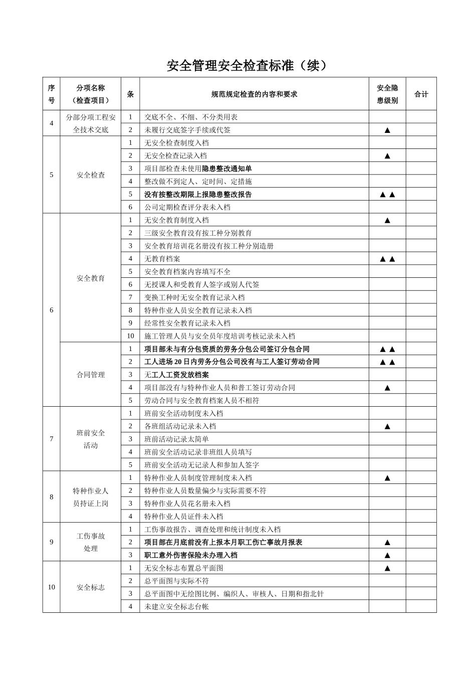
安全管理安全检查标准序号分项名称(检查项目)条规范规定检查的内容和要求安全隐患级别合计1安全生产责任制1安全生产责任制未建立、未入档、未上墙▲2工程开工十日内没有确定管理人员和特种作业人员名单▲3公司各部门安全生产责任制未入档4安全生产责任制考核办法未入档5安全生产责任制考核记录未入档6经济承包合同无安全指标并未入档▲7无各工种安全技术操作规程并未入档8安全操作规程未按指定地点悬挂▲9专职安全员资格证未入档▲10安全值班制度未入档11管理人员安全值班表未入档12管理人员值班表未上墙13未按值班表顺序填写值班记录或其他人代写14项目经理安全资格证未入档15施工企业安全生产许可证未入档▲16工程开工十日内未将安全报监书工程信息填写完毕▲17工程开工五日内未将施工现场平面布置图上报安全管理部▲18工程开工五日内未将临建搭设方案上报安全管理部2管理目标1本年度安全管理目标未入档2工程开工十五日内项目部没有与公司签订安全管理目标责任书▲3项目部未制定本项目安全管理目标▲4安全责任目标未分解并入档5安全责任目标考核规定未入档6安全责任目标考核记录未入档3施工组织设计1施工组织设计无安全措施和未经审批入档▲2无专业性较强项目设计(方案)入档▲3临时用电方案与现场实际情况不符,不能指导施工,无用电工程总平面图、配电装置布置图、配电系统接线图、接地装置设计图▲塔吊方案不能指导设备安装,无基础平面图、塔机位置平面图、防雷接地图及塔机高差图(多台塔吊作业时)▲脚手架方案与现场实际情况不符,不能指导施工,无脚手架平面图、立面图、拉节点详图、基础详图▲起重吊装方案无工地现场主要吊物吊装方法、方式▲模板方案无计算数据,不能指导施工▲基坑支护方案无计算数据,不能指导施工▲物料提升机方案不能指导施工▲其他垂直运输设备方案未入档4各专业性较强项目安全施工组织设计(方案)无审批安全管理安全检查标准(续)序号分项名称(检查项目)条规范规定检查的内容和要求安全隐患级别合计4分部分项工程安全技术交底1交底不全、不细、不分类用表2未履行交底签字手续或代签▲5安全检查1无安全检查制度入档2无安全检查记录入档▲3项目部检查未使用隐患整改通知单4整改做不到定人、定时间、定措施5没有按整改期限上报隐患整改报告▲▲6公司定期检查评分表未入档6安全教育1无安全教育制度入档▲2三级安全教育没有按工种分别教育3安全教育培训花名册没有按工种分别造册4无教育档案▲▲5安全教育档案内容填写不全6无授课人和受教育人签字或别人代签7变换工种时无安全教育记录入档8特种作业人员安全教育记录未入档9经常性安全教育记录未入档10施工管理人员与安全员年度培训考核记录未入档合同管理1项目部未与有分包资质的劳务分包公司签订分包合同▲▲2工人进场20日内劳务分包公司没有与工人签订劳动合同▲▲3无工人工资发放档案4项目部没有与特种作业人员和普工签订劳动合同▲5劳动合同与安全教育档案人员不相符7班前安全活动1班前安全活动制度未入档2各班组活动记录未入档▲3班前活动记录太简单4班前安全活动记录非班组人员填写5班前安全活动无记录人和参加人签字8特种作业人员持证上岗1特种作业人员制度管理制度未入档▲2特种作业人员数量偏少与实际需要不符3特种作业人员花名册未入档4特种作业人员证件未入档9工伤事故处理1工伤事故报告、调查处理和统计制度未入档2项目部在月底前没有上报本月职工伤亡事故月报表▲3职工意外伤害保险未办理入档▲10安全标志1无安全标志布置总平面图▲2总平面图与实际不符3总平面图中无绘图比例、编织人、审核人、日期和指北针4未建立安全标志台帐安全管理安全检查标准(续)序号分项名称(检查项目)条规范规定检查的内容和要求安全隐患级别合计11安全防护、临时设施费与准用证管理制度1安全防护、临时设施费与安全备案证管理制度未入档▲2安全防护、临时设施费未统计入档3工地采购的安全防护用具及机械设备应有安全备案证▲4安全防护用具及机械设备安全备案证表未登记入档12各类设备、设施验收及检测记录1脚手架未分层或分段进行验收脚手架验收内容和现场实际及工程进度不符▲脚手架验收结论栏无...

1、当您付费下载文档后,您只拥有了使用权限,并不意味着购买了版权,文档只能用于自身使用,不得用于其他商业用途(如 [转卖]进行直接盈利或[编辑后售卖]进行间接盈利)。
2、本站所有内容均由合作方或网友上传,本站不对文档的完整性、权威性及其观点立场正确性做任何保证或承诺!文档内容仅供研究参考,付费前请自行鉴别。
3、如文档内容存在违规,或者侵犯商业秘密、侵犯著作权等,请点击“违规举报”。

碎片内容

安全检查标准细则

确认删除?
VIP
微信客服
  • 扫码咨询
会员Q群
  • 会员专属群点击这里加入QQ群
客服邮箱
回到顶部