电脑桌面
添加小米粒文库到电脑桌面
安装后可以在桌面快捷访问

生产管理表格44个VIP免费

生产管理表格44个_第1页
1/45
生产管理表格44个_第2页
2/45
生产管理表格44个_第3页
3/45
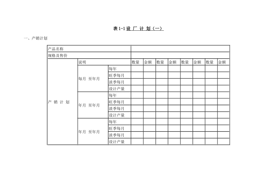
生产管理表格44个1.市场计划表1-1设厂计划(一)表1-2设厂计划(二)表1-3设厂计划(三)2.生产计划表2-1长远生产计划表表2-2生产计划综合报表表2-3月份产销计划汇总表表2-4产销计划拟定表表2-5设备利用率分析表表2-6生产效率分析表表2-7月份生产计划表(一)表2-8月份生产计划表(二)表2-9订单安排记录表(一)表2-10工作量分析表2-11产量记录表表2-12工作日报单表2-13制造月报表表2-14各部门合格率控制表表2-15时间研究记录表表2-16生产记录表表2-17用料记录单表2-18制造异常反应表表2-19制造通知单表2-20标准作业时间评定表(一)表2-21突发性工作量分析表(二)表2-22最重要作业时间分析表2-23作业标准时间研究表3.进度安排表3-1生产进度安排检查表表3-2生产进度计划表表3-3生产管理安排核对表表3-4生产故障分析表表3-5生产进度表(一)表3-6机器工作负荷图表(一)表3-7生产进度控制表(一)4.生产记录表4-1生产状况记录表表4-2部门机器运转日记表4-3生产用料记录单表4-4考核人员记录表各表4-5生产班次产量记录表5.生产日报表5-1生产日报表表5-2作业日报表(范例A)表5-3作业日报表(范例B)6.生产月报表6-1生产月报表表6-2生产计划科月报表表6-3工作效率及工时月报表表1-1设厂计划(一)一、产销计划产品名称规格及售价产销计划说明数量金额数量金额数量金额数量金额每月至年月每年旺季每月淡季每月设计产量年月至年月每年旺季每月淡季每月设计产量年月至年月每年旺季每月淡季每月设计产量表1-2设厂计划(二)二、详细制造过程产品名称规格设计产量每月每日制造过程:分析校对表1-3设厂计划(三)三、制造过程及设备分析产品名称产量第页制造过程使用设备名称设备生产能量计算说明合格率每月计划生产数量设备台数每日工作数工作负荷率附属设备及工具表2-1:长远生产计划表月日订定产品名称线别单价月月月月月月数量金额数量金额数量金额数量金额数量金额数量金额合计产值审核:填表:表2-2生产计划综合报表月日至月日使用单位第副本产品名称目前库存量单价库存价值估计每日销量可销售日数经济产量每日产量需生产日数预定生产日程自至日数自至日数产量合计表2-3月份产销计划汇总表类别页次产品名称规格本月销售预测本月库存数量本月生产数量预计生产日数开机台数原料用量计划审核拟定表2-4产销计划拟定表月份产品名称单价销售数量销售金额生产数量生产金额存货数量存货金额本月材料成本本月人工费用生产费月预计销售费用预计利益总经理________________副总经理_________________审核_______________填表_____________表2-5设备利用率分析表年度类别设备数量设备每月未折未折每月利用估计已使尚余合计表2-6生产效率分析表月份预计产量实际产量预计产值实际产值部门效率差异原因分析一月二月三月四月五月六月七月八月九月十月十一月十二月合计产量预计实际产值说明1月2月3月4月5月6月7月8月9月10月11月12月表2-7月份生产计划表本月份预定工作数________日生产批号产品名称数量金额制造单位制造日程预出口日期需要工时估计成本附加值备注起止原料物料工资1.2.3.4.5.6.7.8.9.10.11.配合单位工时预计生产目标估计毛利准备组产值附加值质检组总工时制造费用包装组每工时产值估计毛利审核计划表2-8月份生产计划表(二)月份生产单位生产项目生产数量预计日程安排人力预计产值原料成本物料成本人工成本制造费用制造成本毛利起止总经理厂长审核拟定表2-9订单安排记录表(一)月日至月日NO.产品名称产品编号规格订单编号接单日期规格式样色泽说明数量交货期合并记录制造令号完工记录15.16.17.18.19.20.21.22.23.24.25.表2-10产量记录表年月日班别品名前班结存前部门移交本班生产本班结存移交人总收人早班中班夜班表2-11工作日报单生产部门机种批号预定生产台数前日在制品本日承前线在制品本日移交在制品本日在制品日期本日在制品本日累计本日累计工时记录项目机种正常工时加班工时停工时间工作工时合计工作时间比率备注人数工时人数工时待料停电故障其它合计本日出席人数本日借调人数借入实有人数离职新进人员本日请假人数借出实有工时厂长科长线长表2-12制造月...

1、当您付费下载文档后,您只拥有了使用权限,并不意味着购买了版权,文档只能用于自身使用,不得用于其他商业用途(如 [转卖]进行直接盈利或[编辑后售卖]进行间接盈利)。
2、本站所有内容均由合作方或网友上传,本站不对文档的完整性、权威性及其观点立场正确性做任何保证或承诺!文档内容仅供研究参考,付费前请自行鉴别。
3、如文档内容存在违规,或者侵犯商业秘密、侵犯著作权等,请点击“违规举报”。

碎片内容

生产管理表格44个

黄金书屋+ 关注
实名认证
内容提供者

爱好英语教学和互联网行业,热爱教育事业,兢兢业业

相关文档

确认删除?
VIP
微信客服
  • 扫码咨询
会员Q群
  • 会员专属群点击这里加入QQ群
客服邮箱
回到顶部