电脑桌面
添加小米粒文库到电脑桌面
安装后可以在桌面快捷访问

车间主任的岗位说明书VIP免费

车间主任的岗位说明书_第1页
1/2
车间主任的岗位说明书_第2页
2/2
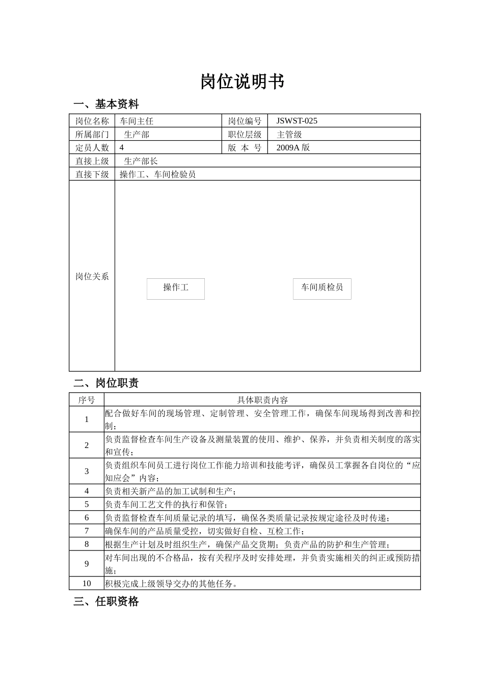
生产部长车间主任设备管理员操作工岗位说明书一、基本资料岗位名称车间主任岗位编号JSWST-025所属部门生产部职位层级主管级定员人数4版本号2009A版直接上级生产部长直接下级操作工、车间检验员岗位关系二、岗位职责序号具体职责内容1配合做好车间的现场管理、定制管理、安全管理工作,确保车间现场得到改善和控制;2负责监督检查车间生产设备及测量装置的使用、维护、保养,并负责相关制度的落实和宣传;3负责组织车间员工进行岗位工作能力培训和技能考评,确保员工掌握各自岗位的“应知应会”内容;4负责相关新产品的加工试制和生产;5负责车间工艺文件的执行和保管;6负责监督检查车间质量记录的填写,确保各类质量记录按规定途径及时传递;7确保车间的产品质量受控,切实做好自检、互检工作;8根据生产计划及时组织生产,确保产品交货期;负责产品的防护和生产管理;9对车间出现的不合格品,按有关程序及时安排处理,并负责实施相关的纠正或预防措施;10积极完成上级领导交办的其他任务。三、任职资格车间质检员操作工因素要求教育水平高中及以上学历专业经验3年以上相关岗位工作经验职业资格技能技巧精通常用办公软件、能够较为精通语言技能个人素质具有一定的决策能力、沟通能力和一定的计划与执行能力其他条件计算机国家二级以上补充事项四、工作联系范围对象联系事项部门内部生产部长接受工作分配、指导和考核,定期汇报工作操作工、检验员工作分配、指导和考核公司内部其他车间、仓库工序流转及时,共同协作完成生产任务技术、质检等部严格按工艺规范操作,严把质量关公司外部五、工作特征特征特征描述时间特征工作时间基本规律均衡性工作基本均衡工作地点工作地点基本固定特别声明本说明书所包含的陈述意在一般性地阐述本岗位的任务和责任,不能理解为已经包含了所有的要求。编制人审核人审批人

1、当您付费下载文档后,您只拥有了使用权限,并不意味着购买了版权,文档只能用于自身使用,不得用于其他商业用途(如 [转卖]进行直接盈利或[编辑后售卖]进行间接盈利)。
2、本站所有内容均由合作方或网友上传,本站不对文档的完整性、权威性及其观点立场正确性做任何保证或承诺!文档内容仅供研究参考,付费前请自行鉴别。
3、如文档内容存在违规,或者侵犯商业秘密、侵犯著作权等,请点击“违规举报”。

碎片内容

车间主任的岗位说明书

确认删除?
VIP
微信客服
  • 扫码咨询
会员Q群
  • 会员专属群点击这里加入QQ群
客服邮箱
回到顶部