电脑桌面
添加小米粒文库到电脑桌面
安装后可以在桌面快捷访问

设备副科长岗VIP专享VIP免费

设备副科长岗_第1页
1/4
设备副科长岗_第2页
2/4
设备副科长岗_第3页
3/4
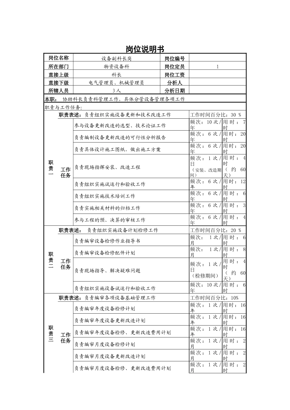
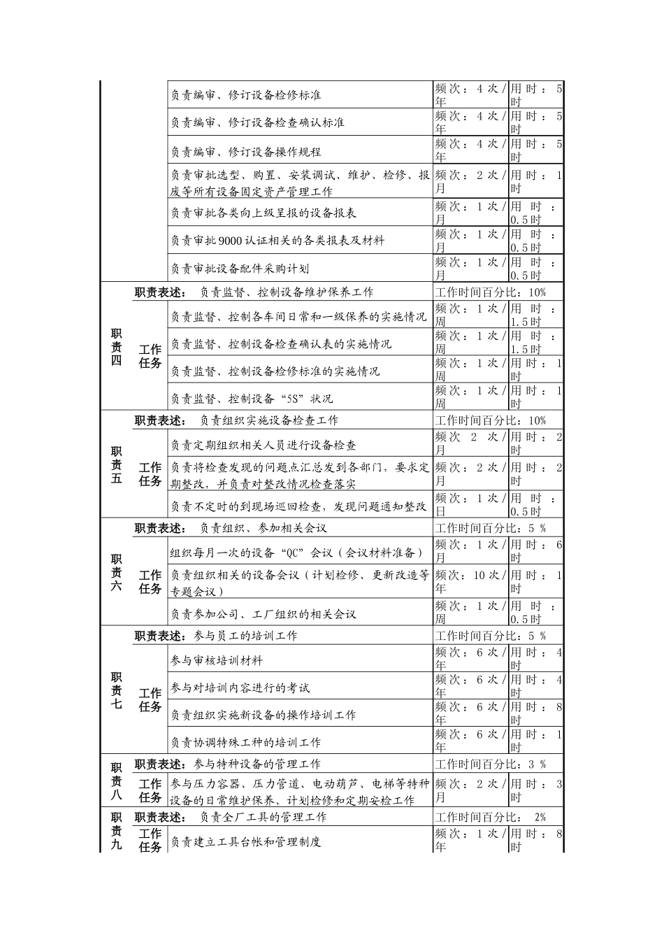
岗位说明书岗位名称设备副科长岗岗位编号所在部门物资设备科岗位定员1直接上级科长岗位工资直接下级电气管理员、机械管理员分析人所辖人员3人分析日期本职:协助科长负责科管理工作,具体分管设备管理各项工作职责与工作任务:职责一职责表述:负责组织实施设备更新和技术改造工作工作时间百分比:30%工作任务参与设备更新改造的选型、技术论证工作频次:10次/年用时:7时负责编制设备更新改造的可行性分析报告频次:6次/年用时:20时负责具体设计施工图纸,做出施工方案频次:6次/年用时:20时负责现场指挥安装、改造工程频次:1次/日(安装、改造期间)用时:4时(约60天)负责组织实施试运行和验收工作频次:6次/年用时:12时负责组织实施技术培训工作频次:6次/年用时:6时负责实施相关材料的归档工作频次:6次/年用时:3时参与工程的预、决算的审核工作频次:6次/年用时:4时职责二职责表述:负责组织实施设备计划检修工作工作时间百分比:20%工作任务负责编审设备检修作业指导书频次:1次/月用时:6时负责编审设备检修配件计划频次:1次/月用时:8时负责现场指导、解决疑难问题频次:1次/日(检修期间)用时:4时(约60天)负责组织实施设备试运行和验收工作频次:10次/年用时:6时职责三职责表述:负责编审各项设备基础管理工作工作时间百分比:10%工作任务负责编审年度设备检修计划频次:1次/年用时:16时负责编审年度设备更新改造计划频次:1次/年用时:16时负责编审年度设备检修、更新改造费用计划频次:1次/年用时:16时负责编审月度设备检修计划频次:1次/月用时:2时负责编审月度设备更新改造计划频次:1次/月用时:2时负责编审月度设备检修、更新改造费用计划频次:1次/月用时:2时负责编审、修订设备检修标准频次:4次/年用时:5时负责编审、修订设备检查确认标准频次:4次/年用时:5时负责编审、修订设备操作规程频次:4次/年用时:5时负责审批选型、购置、安装调试、维护、检修、报废等所有设备固定资产管理工作频次:2次/月用时:1时负责审批各类向上级呈报的设备报表频次:1次/月用时:0.5时负责审批9000认证相关的各类报表及材料频次:1次/月用时:0.5时负责审批设备配件采购计划频次:1次/月用时:0.5时职责四职责表述:负责监督、控制设备维护保养工作工作时间百分比:10%工作任务负责监督、控制各车间日常和一级保养的实施情况频次:1次/周用时:1.5时负责监督、控制设备检查确认表的实施情况频次:1次/周用时:1.5时负责监督、控制设备检修标准的实施情况频次:1次/周用时:1时负责监督、控制设备“5S”状况频次:1次/周用时:1时职责五职责表述:负责组织实施设备检查工作工作时间百分比:10%工作任务负责定期组织相关人员进行设备检查频次2次/月用时:2时负责将检查发现的问题点汇总发到各部门,要求定期整改,并负责对整改情况检查落实频次:2次/月用时:2时负责不定时的到现场巡回检查,发现问题通知整改频次:1次/日用时:0.5时职责六职责表述:负责组织、参加相关会议工作时间百分比:5%工作任务组织每月一次的设备“QC”会议(会议材料准备)频次:1次/月用时:6时负责组织相关的设备会议(计划检修、更新改造等专题会议)频次:10次/年用时:1时负责参加公司、工厂组织的相关会议频次:1次/周用时:0.5时职责七职责表述:参与员工的培训工作工作时间百分比:5%工作任务参与审核培训材料频次:6次/年用时:4时参与对培训内容进行的考试频次:6次/年用时:4时负责组织实施新设备的操作培训工作频次:6次/年用时:8时负责协调特殊工种的培训工作频次:6次/年用时:1时职责八职责表述:参与特种设备的管理工作工作时间百分比:3%工作任务参与压力容器、压力管道、电动葫芦、电梯等特种设备的日常维护保养、计划检修和定期安检工作频次:2次/月用时:3时职责九职责表述:负责全厂工具的管理工作工作时间百分比:2%工作任务负责建立工具台帐和管理制度频次:1次/年用时:8时负责根据工作需要核发相应的工具频次:1次/月用时:1时负责定期核查工具的使用情况频次:1次/月用时:2时职责十职责表述:协助科长参与科里日常工作工作时间百分比:1%工作任务参...

1、当您付费下载文档后,您只拥有了使用权限,并不意味着购买了版权,文档只能用于自身使用,不得用于其他商业用途(如 [转卖]进行直接盈利或[编辑后售卖]进行间接盈利)。
2、本站所有内容均由合作方或网友上传,本站不对文档的完整性、权威性及其观点立场正确性做任何保证或承诺!文档内容仅供研究参考,付费前请自行鉴别。
3、如文档内容存在违规,或者侵犯商业秘密、侵犯著作权等,请点击“违规举报”。

碎片内容

设备副科长岗

确认删除?
VIP
微信客服
  • 扫码咨询
会员Q群
  • 会员专属群点击这里加入QQ群
客服邮箱
回到顶部