电脑桌面
添加小米粒文库到电脑桌面
安装后可以在桌面快捷访问

工序能力指数的判断与计算VIP免费

工序能力指数的判断与计算_第1页
1/9
工序能力指数的判断与计算_第2页
2/9
工序能力指数的判断与计算_第3页
3/9
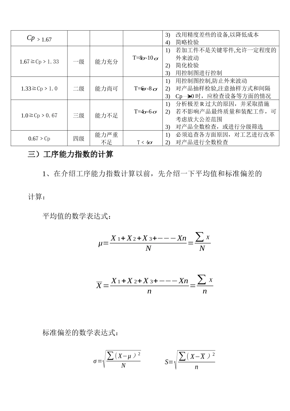
工序能力指数(CPK)一)工序能力和工序能力指数工序能力,是指工序在一定时间,处于控制状态(稳定状态)下的实际加工能力,它是工序固有的能力,或者说它是工序保持质量的能力。这里所指的工序,是指操作作者、机器、原材料、工艺方法和生产环境等五个基本质量因素综合作用的过程,也就是产品质量的生产过程,产品质量也就是工序中的各个质量因素的起作用的综合表现。对于任何生产过程,产品质量总是分散地存在着,若工序能力越高,则产品质量特性值的分散就会越小;若工序能力低,则产品质量特性值的分散就会越大,那么,应当用一个什么样的量来描述生产过程所造成的总分散呢?通常,都用6(即时)来表示工序能力:工序能力为=6。若用符号P来表示工序能力,则P=6(其中的是处于稳定状态下的μ±3σσσσσ工序之标准偏差)。工序能力与一般所说的生产能力是两个不同的概念。前者是指质量上的能力,后者是指数量上的能力。工序能力是表示生产过程客观存在着分散的一个参数。但是,这个参数能否满足产品的技术要求(公差、规格等质量标准)的程度,这个参数就叫做工序能力指数,它是技术要求和工序能力的比值,即:当分布中心与公差中心重合时,工序能力指数记为Cp,当分布中心与公差中心偏离时,工序能力指数记为CPK,运用工序能力指数,可以帮助我们掌握生产过程的质量水平。二)工序能力指数的判断工序的质量水平按Cp值可以划分为5个等级。按其等级的高低,在管理上可作以下判断和处理,该表中的分级判断和处理对于CPK也同样运用。工序能力指数的分级判断和处置参考表Cp值级别判断变侧公差范围(T)处置特级能力过高T﹥101)可将公差缩小到约±4的范围2)允许较大的外来波动,以提高效率工序能力指数=技术要求工序能力σσCp1.67﹥3)改用精度差些的设备,以降低成本4)简略检验1.67≧Cp﹥1.33一级能力充分T=8-101)若加工件不是关键零件,允许一定程度的外来波动2)简化检验3)用控制图进行控制1.33≧Cp﹥1.0二级能力尚可T=6-81)用控制图控制,防止外来波动2)对产品抽样检验,注意抽样方式和间隔3)Cp1.0时,应检查设备等方面的情况1.0≧Cp﹥0.67三级能力不足T=4-61)分析极差R过大的原因,并采取措施2)若不影响产品最终质量和装配工作,可考虑放大公差范围3)对产品全数检查,或进行分级筛选0.67﹥Cp四级能力严重不足T﹤41)必须追查各方面原因,对工艺进行改革2)对产品进行全数检查三)工序能力指数的计算1、在介绍工序能力指数计算以前,先介绍一下平均值和标准偏差的计算:平均值的数学表达式:标准偏差的数学表达式:σσσσσσσμ=X1+X2+X3+−−−XnN=∑XNX=X1+X2+X3+−−−Xnn=∑Xnσ=√∑(X−μ)2NS=√∑(X−X)2n在实际过程中,因为所取的数据一般较多(100个左右),这样用数学表达式来计算标准偏差十分麻烦,所以,在生产现场常得用作直方图过程中的频数表,采用两种简化的办法来求解平均值和标准偏差,这里不一一作介绍。2、工序能力指数的计算a)当实际分布中心与公差中心重合时,工序能力指数的计算公式为:式中:T表示公差范围;Tu表示公差上限;TL表示公差下限;表示总体标准偏差;S表示子样标准偏差。b)当实际分布中心与公差中心不重合时,工序能力指数应由下式计算:式中:CPK表示修下正后的工序能力指数;K表示平均值与公差中心的相对偏离程度(∑¿|X−M|)c)只有单侧公差的测算在对产品质量特性只规定了公差上限时,工Cp=T6σ=Tu−TL6SσCPK=Cp(1−K)=Cp(1−2∑¿T)=T−2∑¿6σ=T−2∑¿6S¿¿¿序能力指数可用下面公式计算:在对产品质量特性只规定了公差下限时,工序能力指数可用下面的公式计算:四)工序能力指数与不合格品率:当质量特性值的分布服从正态分布时,当分布中心X与公差中心M重合时,即K=0,则一定的Cp值与一定的不合格品率(P)相对应。比如:当K=0;Cp=1时由正态分布可知,此时的不合格品率为P=0.27%。当分布中心X与公差中心M不重合时,一定的CPK值与一定的不合格品率(P)也是相对应的。此时,可根据Cp与K求不合格品率P,其对应关系数量表现,可参见下表。(见下页)Cp上=Tu−X3σCp下=X−TL3σKCp根据工序能力指数Cp和偏离系数K求不合格品率...

1、当您付费下载文档后,您只拥有了使用权限,并不意味着购买了版权,文档只能用于自身使用,不得用于其他商业用途(如 [转卖]进行直接盈利或[编辑后售卖]进行间接盈利)。
2、本站所有内容均由合作方或网友上传,本站不对文档的完整性、权威性及其观点立场正确性做任何保证或承诺!文档内容仅供研究参考,付费前请自行鉴别。
3、如文档内容存在违规,或者侵犯商业秘密、侵犯著作权等,请点击“违规举报”。

碎片内容

工序能力指数的判断与计算

您可能关注的文档

确认删除?
VIP
微信客服
  • 扫码咨询
会员Q群
  • 会员专属群点击这里加入QQ群
客服邮箱
回到顶部