电脑桌面
添加小米粒文库到电脑桌面
安装后可以在桌面快捷访问

材料行业-木托板技术规范VIP免费

材料行业-木托板技术规范_第1页
1/3
材料行业-木托板技术规范_第2页
2/3
材料行业-木托板技术规范_第3页
3/3
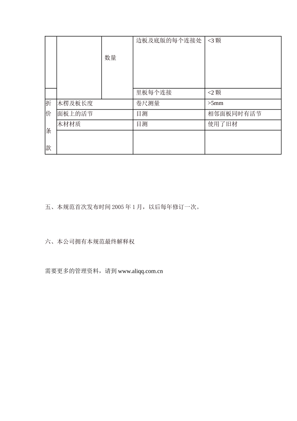
木托板技术规范一、适用范围本规范作为本公司包装器材木托板的验收技术规范二、木托板的规格1200mmX1000mmX144mm(详见附图一)。三、术语及定义1.木托板用于产品包装、周转、运输的木制托板。2.活节指木板中的生长疤痕3.死节指木板中因生长疤痕脱落等原因形成的空洞4.爬楞指木方棱边有弯曲,不直的现象5.托板钉、麻花钉用于木制品的呈螺丝状或麻花状的铁钉四、验收条件见下表:拒收条材质及尺寸要求验收方法拒收1.木材选材-是否落叶松检查及嗅闻木材气味,有无松脂味,无松油味2.木材新旧、好坏程度检查外观使用腐材3.木材中木节死节检查制作托板的木材外观有死节活节活节直径超过30mm底板底板有活节面板间隔用卷尺测量板面间隔>20mm边板宽度用卷尺测量边板木板宽度<100mm里板宽度用卷尺测量木板宽度<80mm底板宽度用卷尺测量木板宽度<80mm木楞尺寸用卷尺测量木楞尺寸宽度<60mm或高度〈100mm木楞上的活节数量目测和统计一根木楞两个以上活节尺寸直径>20mm频率两根以上木楞有活节17.木楞和板面尺寸长度用卷尺测量木楞和板面的长度尺寸>±5mm宽度>±3mm厚度>±1mm20.托板板面检查板面有无拼接有拼接连接用钉钉的型号2.5寸麻花钉<2.5寸麻花钉深度抽查铁钉穿入木楞的深度<35mm数量边板及底版的每个连接处<3颗里板每个连接<2颗折价条款木楞及板长度卷尺测量>5mm面板上的活节目测相邻面板同时有活节木材材质目测使用了旧材五、本规范首次发布时间2005年1月,以后每年修订一次。六、本公司拥有本规范最终解释权需要更多的管理资料,请到www.aliqq.com.cn

1、当您付费下载文档后,您只拥有了使用权限,并不意味着购买了版权,文档只能用于自身使用,不得用于其他商业用途(如 [转卖]进行直接盈利或[编辑后售卖]进行间接盈利)。
2、本站所有内容均由合作方或网友上传,本站不对文档的完整性、权威性及其观点立场正确性做任何保证或承诺!文档内容仅供研究参考,付费前请自行鉴别。
3、如文档内容存在违规,或者侵犯商业秘密、侵犯著作权等,请点击“违规举报”。

碎片内容

材料行业-木托板技术规范

您可能关注的文档

确认删除?
VIP
微信客服
  • 扫码咨询
会员Q群
  • 会员专属群点击这里加入QQ群
客服邮箱
回到顶部