电脑桌面
添加小米粒文库到电脑桌面
安装后可以在桌面快捷访问

工厂物料编号规则VIP免费

工厂物料编号规则_第1页
1/15
工厂物料编号规则_第2页
2/15
工厂物料编号规则_第3页
3/15
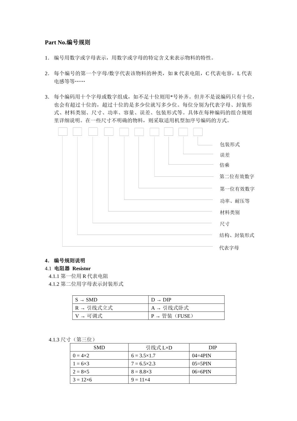
包装形式误差倍乘第二位有效数字第一位有效数字功率、耐压等材料类别尺寸结构、封装形式代表字母PartNo.编号规则1.编号用数字或字母表示,用数字或字母的特定含义来表示物料的特性。2.每个编号的第一个字母/数字代表该物料的种类,如R代表电阻,C代表电容,L代表电感等等……3.每个编码用十个字母或数字组成,如不足十位则用*号补齐。但并不是说编码只有十位,也会有超过十位的,超过十位的是多少位就写多少位。每位分别为代表字母、封装形式、材料类别、尺寸、功率、容量、误差、包装形式等。具体在每种编码的组合规则里详细说明。在一些尺寸不明确的物料,则采取适用机型加序号编码的方式。4.编号规则说明4.1电阻器Resistor4.1.1第一位用R代表电阻4.1.2第二位用字母表示封装形式S→SMDD→DIPR→引线式立式A→引线式卧式V→可调式P→管装(FUSE)4.1.3尺寸(第三位)SMD引线式L×DDIP0=4×26=3.5×1.704=4PIN1=6×37=6.5×2.305=5PIN2=8×58=8.8×306=6PIN3=12×69=11×44=12×10A=15×55=18×124.1.4材料(第四位)C=碳膜F=保险丝G=玻璃釉/陶瓷E=水泥M=金属膜W=铁线X=线绕H=热敏电阻heat-sensitivityresistorP=光敏电阻photo-sensitivityresistorR=压敏电阻press-sensitivityresistor4.1.5第五位代表功率A=1/16WB=1/10WC=1/8WD=1/6WE=1/4WF=1/2WG=1WH=2WI=5WJ=10WK=15WL=20W4.1.6第六~八位代表阻值(用数字)换算方法:a.先将阻值换算成以Ω为单位,如1kΩ=1000Ω;b.再将阻值写成科学计算方式,如1000Ω=10×102Ω;c.然后取前两位有效数和10的指数,如1kΩ表示为102;d.再如3.3Ω=33×10-1Ω3.3Ω表示为33A(A表示-1,B表示-2,……)如有电阻阻值为49.9K,则其表示方法为:4992,比前面多出一位.4.1.7第九位代表误差B=±0.1%F=±1%K=±10%C=±0.25%G=±2%D=±0.5%J=±5%4.1.8第十位包装形式R=卷装B=袋装A=编带M=编带成形如是保险丝则第三位:如尺寸不明,则用X代替第五—七位:电压:250V=250第八—九位:电流:1.5A=15第十位:包装4.2电容器Capacitor4.2.1第一位用C代表电容器4.2.2第二位用字母代表封装形式E=电解电容S=贴片式O=色环电容B=盒式电容F=涤纶C=瓷片引线式V=可调电容T=独石4.2.3第三位表示尺寸引线式电容(电解)D×LSMD(inchsize)引脚距离(涤纶、瓷片)盒式电容A=4×7L=4×2U=2.51=7*5*8B=5×11M=6×3V=3C=6×13N=8×5W=5D=8×13O=12×6X=7.5E=10×16P=18×12Y=10F=13×21Q=22×25Z=15G=13×26R=60×32=21H=16×28SI=16×32TJ=18×40K=22×414.2.4第四位代表电介质E=X7RP=Y5VK=NPOA=铝T=钽C=陶瓷F=涤纶M=独石(monolithic)4.2.5第五位代表耐压A=6.3VF=50VK=630VB=10VG=63VL=1000VC=16VH=100VM=1600VD=25VI=250VE=35VJ=500V4.2.6第六~八位代表容量换算方法:a.先将容量换算成以pF为单位,如:0.47μF=470000pF;b.再将容量换算成科学计算方式,如:470000pF=47×104pF;c.然后取前两位有效数和10的指数,如0.47μF表示为474;d.再如3.3p=3×10-1pF3.3pF表示为33A(A表示-1,B表示-2,……)4.2.7第九位代表误差B=±0.1PFJ=±5%C=±0.25PFK=±10%D=±0.5PFM=±20%F=±1%S=+50%/-20%G=±2%Z=+80%/-20%4.2.8第十位包装形式A=编带B=袋装R=卷装M=编带成形可调式电容:第四位:耐压,同上.第五—十位:容量如1.3-2.3PF→13A23A然后为误差和包装形式,均同上.4.3电感器Inductor4.3.1第一位用L字母表示电感4.3.2第二位表示封装形式4.3.3第三位表示尺寸同电容,如不适用时则用X表示。FM线圈ф0.75*ф5mm3.5T铜线直径线圈直径磁珠∮×L磁环:18*10*64.3.4第四位表示材料4.3.5第五位表示用于低频或高频L代表低频H代表高频(1KHz以下为低频,1H以上为高频。)4.3.6第六—八位代表电感量换算方法:a.先将电感量换算成以μH为单位;b.再将电感量换算成科学计算方式,如:22μH=22×100μH;c.然后取前两位有效数和10的指数,如:22μH表示为220;d.再如2.2μH=22×10-1μH2.2μH表示为22A(用A表示-1,……)4.3.7第9位表示误差4.3.8第10位代表包装形式A=编带B=袋装R=卷装中周第二位用M代表第三位:颜色R=REDY=YELLOWP=PINKB=BLUE第四—六位:尺寸L×W(mm)如7*12→0712第七—十位...

1、当您付费下载文档后,您只拥有了使用权限,并不意味着购买了版权,文档只能用于自身使用,不得用于其他商业用途(如 [转卖]进行直接盈利或[编辑后售卖]进行间接盈利)。
2、本站所有内容均由合作方或网友上传,本站不对文档的完整性、权威性及其观点立场正确性做任何保证或承诺!文档内容仅供研究参考,付费前请自行鉴别。
3、如文档内容存在违规,或者侵犯商业秘密、侵犯著作权等,请点击“违规举报”。

碎片内容

工厂物料编号规则

黄金书屋+ 关注
实名认证
内容提供者

爱好英语教学和互联网行业,热爱教育事业,兢兢业业

确认删除?
VIP
微信客服
  • 扫码咨询
会员Q群
  • 会员专属群点击这里加入QQ群
客服邮箱
回到顶部