电脑桌面
添加小米粒文库到电脑桌面
安装后可以在桌面快捷访问

设备性能指标说明VIP免费

设备性能指标说明_第1页
1/9
设备性能指标说明_第2页
2/9
设备性能指标说明_第3页
3/9
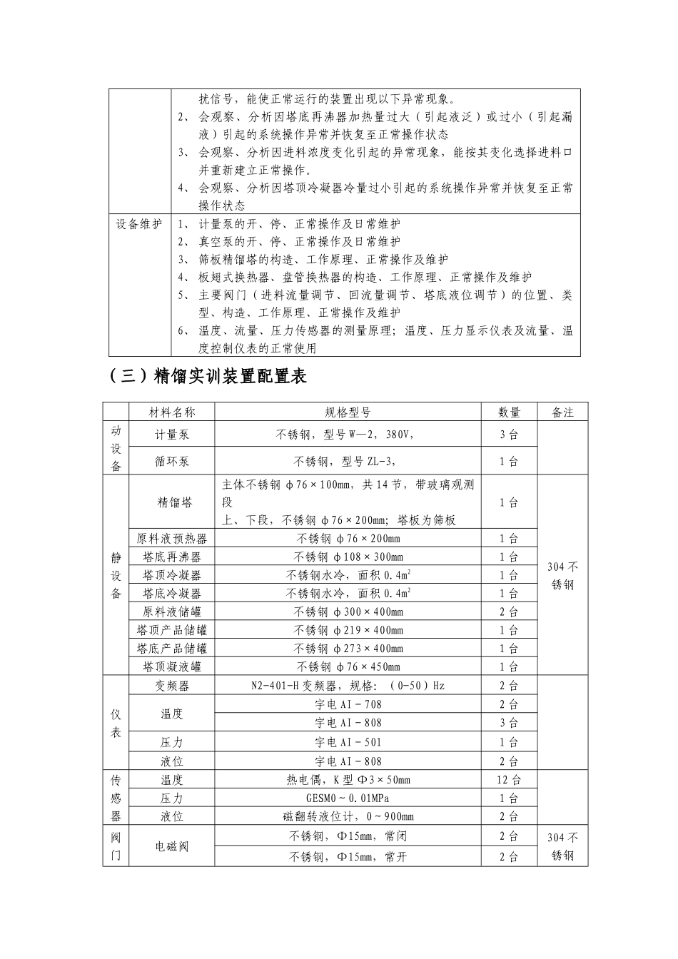
设备性能指标说明精馏实训装置一、精馏实训装置配置与功能(一)精馏实训装置的基本性能与特点:1、装置集实训、实验、考工、考核、技能比赛等功能于一体。具有工厂情景化、操作实际化、故障模拟真实化特点。2、装置采用全不锈钢材料制作,坚固耐用。3、装置贴近工厂实际,同时满足化工技术类专业高级工、技师培训和鉴定要求。4、装置能进行装置开车准备、开车、正常操作、停车、设备维护等方面的技能操作训练、工艺指标控制操作技能训练。5、装置采用的控制系统,并能进行工控组态;同时也能进行手动操作控制。仪表精度高、配置合理。6、装置具有真实设定故障的功能:通过计算机隐蔽发出故障干扰信号,使正常运行的装置出现真实异常现象,培训学员发现、分析、排除工业生产过程故障的技能。7、装置运行介质为乙醇-水体系,塔顶含乙醇不低于92%。(二)精馏实训装置培训功能要点项目操作培训内容开车准备1、流程图的识读2、熟悉现场装置及主要设备、仪表、阀门的位号、功能、工作原理和使用方法3、按照要求制定操作方案4、公用工程的引入(水、电)并确保正常5、精馏原料的准备(原料的配制以及浓度的测定)6、检查流程中各管线、阀门是否处于正常开车状态7、设备上电,检查各仪表状态是否正常;动设备试车开车1、按正确的开车步骤开车(全回流和部分回流)2、根据指令调节进料流量、温度;塔顶、塔底压力;塔顶、塔底温度;部分回流时的回流量到指定值正常操作1、能改变进料流量、温度;部分回流时的回流量等参数到指定值2、观察正常操作时精馏塔的操作状况,并指出可能影响其正常操作的因素3、能按正常操作调节塔顶、塔底产品的浓度4、按照要求巡查各温度、压力、流量、液位值并做好记录;分析原料、塔顶、塔底产品的浓度并做好记录;能及时判断各指标是否正常5、按照要求巡查动设备(进料泵、回流泵、真空泵)的运行状况,确认并做好记录6、能测定理论板数和总板效率停车1、按正常的停车步骤停车(全回流和部分回流)2、检查停车后各设备、阀门、储罐液位的状态,确认后做好记录事故处理1、装置具有以下异常现象的设计与排除功能,通过计算机隐蔽发出故障干扰信号,能使正常运行的装置出现以下异常现象。2、会观察、分析因塔底再沸器加热量过大(引起液泛)或过小(引起漏液)引起的系统操作异常并恢复至正常操作状态3、会观察、分析因进料浓度变化引起的异常现象,能按其变化选择进料口并重新建立正常操作。4、会观察、分析因塔顶冷凝器冷量过小引起的系统操作异常并恢复至正常操作状态设备维护1、计量泵的开、停、正常操作及日常维护2、真空泵的开、停、正常操作及日常维护3、筛板精馏塔的构造、工作原理、正常操作及维护4、板翅式换热器、盘管换热器的构造、工作原理、正常操作及维护5、主要阀门(进料流量调节、回流量调节、塔底液位调节)的位置、类型、构造、工作原理、正常操作及维护6、温度、流量、压力传感器的测量原理;温度、压力显示仪表及流量、温度控制仪表的正常使用(三)精馏实训装置配置表材料名称规格型号数量备注动设备计量泵不锈钢,型号W—2,380V,3台循环泵不锈钢,型号ZL-3,1台静设备精馏塔主体不锈钢φ76×100mm,共14节,带玻璃观测段上、下段,不锈钢φ76×200mm;塔板为筛板1台304不锈钢原料液预热器不锈钢φ76×200mm1台塔底再沸器不锈钢φ108×300mm1台塔顶冷凝器不锈钢水冷,面积0.4m21台塔底冷凝器不锈钢水冷,面积0.4m21台原料液储罐不锈钢φ300×400mm2台塔顶产品储罐不锈钢φ219×400mm1台塔底产品储罐不锈钢φ273×400mm1台塔顶凝液罐不锈钢φ76×450mm1台仪表变频器N2-401-H变频器,规格:(0-50)Hz2台温度宇电AI-7082台宇电AI-8083台压力宇电AI-5011台液位宇电AI-8082台传感器温度热电偶,K型Ф3×50mm12台压力GESM0~0.01MPa1台液位磁翻转液位计,0~900mm2台阀门电磁阀不锈钢,Ф15mm,常闭2台304不锈钢不锈钢,Ф15mm,常开2台阀门管道管件不锈钢1批控制系统工控计算机奔IV3.0G,内存1GDDR2,硬盘160G,光驱,鼠标,键盘,2年质保,显示器:17”液晶操作系统:中文专业版WINXP1台控制工控组态1套检测系统色谱sp1000带工作站、...

1、当您付费下载文档后,您只拥有了使用权限,并不意味着购买了版权,文档只能用于自身使用,不得用于其他商业用途(如 [转卖]进行直接盈利或[编辑后售卖]进行间接盈利)。
2、本站所有内容均由合作方或网友上传,本站不对文档的完整性、权威性及其观点立场正确性做任何保证或承诺!文档内容仅供研究参考,付费前请自行鉴别。
3、如文档内容存在违规,或者侵犯商业秘密、侵犯著作权等,请点击“违规举报”。

碎片内容

设备性能指标说明

您可能关注的文档

确认删除?
VIP
微信客服
  • 扫码咨询
会员Q群
  • 会员专属群点击这里加入QQ群
客服邮箱
回到顶部