电脑桌面
添加小米粒文库到电脑桌面
安装后可以在桌面快捷访问

汽车维修工_3级_鉴定所设置技术要求VIP免费

汽车维修工_3级_鉴定所设置技术要求_第1页
1/13
汽车维修工_3级_鉴定所设置技术要求_第2页
2/13
汽车维修工_3级_鉴定所设置技术要求_第3页
3/13
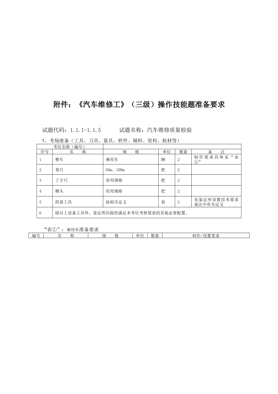
《汽车维修工》(三级)鉴定所设置技术要求职业(工种)汽车维修工等级三级职业代码考位编号考位名称设备/工具考题编号备注名称规格/型号数量1#汽车维修质量检验乘用车常见乘用车31.1.1-1.1.6检验工具、卷尺等四轮定位仪常用规格11.1.62#电控发动机常见故障诊断电喷发动机台架乘用车发动机常用故障模拟规格22.1.1检测仪器常用规格2连接线等万用表常用规格2连接线等组套工具按相关定义23#电控元件性能检测稳压电源常用规格12.2.1-2.2.5连接线等万用表常用规格1真空枪常用规格1加热器常用规格14#手动空调常见故障诊断手动空调系统台架乘用车空调系统常用故障模拟规格13.1.1电路图与台架车型匹配1万用表常用规格1歧管压力表常用规格15#自动变速器拆检自动变速器乘用车常用4档自动变速器(建议BUICK4T65-E等)13.2.1缺陷部件不少于3个,至少应包括离合器、制动器、单向离合器;考场在每位考生开始前,按任意两个缺陷部件组合准备。6#ABS故障诊断与排除ABS测试台架等乘用车ABS系统常用故障模拟规格13.2.2诊断仪常用规格1万用表常用规格1场地设施要求1、满足汽车维修操作实施的场地、空间、环境、设施等基本要求2、整车须配置相应的举升设备及配套维修工具,各车位之间有足够操作空间3、应至少能提供满足以上基本规模的考位布置的场地需求4、以上考位除所列设备工具外,鉴定所必须按实际情况提供满足考位考核要求的其他必要配置;5、为确保考生安全,鉴定所要督促考生穿着工作服、工作帽、安全鞋备注1、上述配置为鉴定所应准备的基本规模配置,可以同时安排8名考生轮转。1号考位考2人;2号考位考2人;3号考位考2人;4、5、6号考位抽出2个考位各考1人;总计8人。2、站所可根据情况按基本规模或倍数进行配置。3、所有考核试题准备要求见附件。定义(用于本表中的简化名称的定义说明)(1)组套工具:起子(一字、十字)、鲤鱼钳、尖嘴钳、卡簧钳、套筒、棘轮扳手、接杆、梅花扳手、开口扳手、扭力扳手等;(2)测量工具:百分表、外径千分尺、游标卡尺、高度游标卡尺、内径量表、磁性表座、厚薄规等。注:本表所列只是本职业(等级)操作技能鉴定每一种工位必须配置的设备及设备附属品和消耗品、固定需要的工具等,其它鉴定工作所需的材料、样品、半成品、文具、工具、耗材等,将在试题单上另行列出,并注明是鉴定所准备还是考生准备;有几个工位同时工作的,本单所列依工位数量增加。附件:《汽车维修工》(三级)操作技能题准备要求试题代码:1.1.1-1.1.5试题名称:汽车维修质量检验1、考场准备(工具、刀具、量具、样件、辅料、资料、耗材等)考位名称(编号)序号名称规格单位数量备注1整车乘用车辆2制作要求具体见“表①”2卷尺50m、100m把23丁字尺常用规格把24榔头常用规格把25组套工具按相关定义套2见鉴定所设置技术要求备注中有关定义6除以上设备工具外,鉴定所应提供满足本考位考核要求的其他必要配置。“表①”:乘用车准备要求编号名称规格单位数量制作/设置要求1汽车维修质量检验①号状态乘用车辆11、车门铰链有松动2、车身表面油漆有脱落3、门窗密封条脱落4、门锁有卡滞5、前保险杠左右高度不对称6、机油不足7、空滤缺少8、发动机冷却水管有渗漏9、怠速不稳定10、仪表指示灯不正常11、转向盘自由行程不正确12、转向系统部件漏油13、制动踏板自由行程过小14、驻车制动装置过松15、制动系统部件漏油16、离合器踏板自由行程过小17、传动轴螺栓有松动18、减震器紧固螺栓有松动19、座椅松动20、轮胎磨损过大21、蓄电池亏电22、大灯不亮23、喇叭音量低24、雨刮器工作不良25、空调系统不制冷(整车其他所有状态应良好)2汽车维修质量检验②号状态乘用车辆11、车门铰链有松动2、车身表面油漆有起泡3、门窗密封条损坏4、门锁脱落5、后保险杠左右高度不对称6、发动机冷却液不足7、空滤损坏8、曲轴箱强制通风管脱落9、加速无力10、仪表指示灯不正常11、转向盘松动12、转向系统连接油管泄漏13、制动踏板自由行程过大14、驻车制动装置过紧15、制动系统连接管路漏油16、离合器踏板自由行程过大17、传动轴螺栓有松动18、减震器紧固螺栓有松动19、安全带松动20、轮胎气压不足21、蓄电池...

1、当您付费下载文档后,您只拥有了使用权限,并不意味着购买了版权,文档只能用于自身使用,不得用于其他商业用途(如 [转卖]进行直接盈利或[编辑后售卖]进行间接盈利)。
2、本站所有内容均由合作方或网友上传,本站不对文档的完整性、权威性及其观点立场正确性做任何保证或承诺!文档内容仅供研究参考,付费前请自行鉴别。
3、如文档内容存在违规,或者侵犯商业秘密、侵犯著作权等,请点击“违规举报”。

碎片内容

汽车维修工_3级_鉴定所设置技术要求

黄金书屋+ 关注
实名认证
内容提供者

爱好英语教学和互联网行业,热爱教育事业,兢兢业业

确认删除?
VIP
微信客服
  • 扫码咨询
会员Q群
  • 会员专属群点击这里加入QQ群
客服邮箱
回到顶部