电脑桌面
添加小米粒文库到电脑桌面
安装后可以在桌面快捷访问

低压成套开关设备装配工艺VIP免费

低压成套开关设备装配工艺_第1页
1/49
低压成套开关设备装配工艺_第2页
2/49
低压成套开关设备装配工艺_第3页
3/49
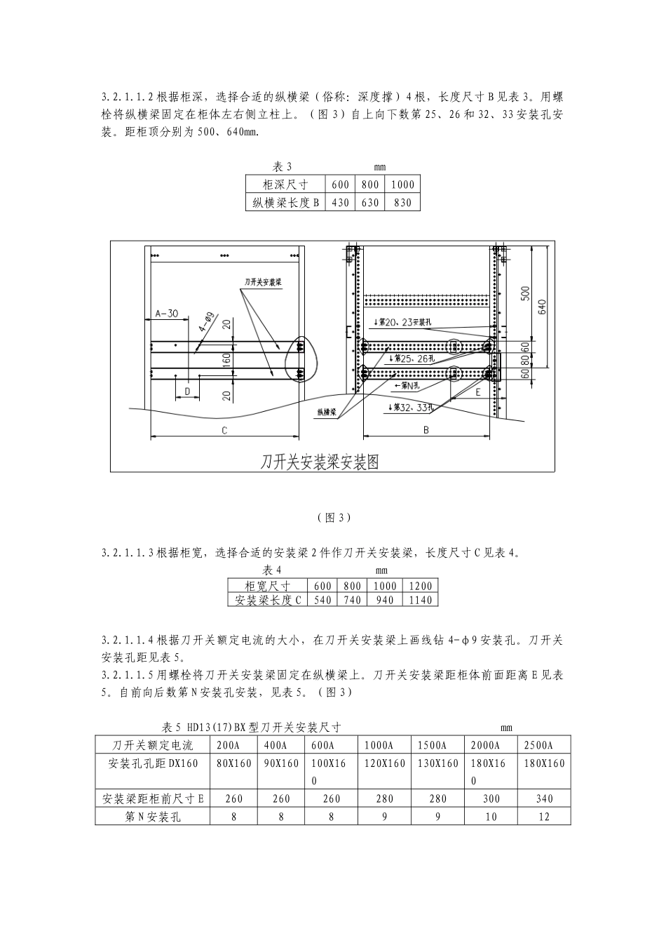
GGD系列安装工艺1.适用范围本工艺适用于GGD低压固定柜进线柜电气元件的安装。2.工艺流程图3.工艺过程3.1工步1生产准备3.1.1仔细阅读图纸,根据图纸和工艺标准以及元器件型号、柜体尺寸、进线(电缆或母排;上进下进等)方式、返线方式、有无电度表和方便母线制作,便于二次配线等来制定安装方案。发现问题及时与技术部主管设计员沟通,消除质量隐患。所装元件带电零部件间的电气间隙和爬电距离应符合表1的规定:表1额定绝缘电压Ui(V)电气间隙爬电距离63A以下大于63A63A以下大于63AUi<60353560<Ui<2505668250<Ui<50081010123.1.2根据图纸和元器件材料单,开领料单领取元器件及附件辅料。3.1.3检查领取的元器件及附件辅料的型号、规格、数量、电源类型(交、直流)、电压等级(380V/220V/110V)等是否与图纸、材料单和领料单相符。是否完好,有无质量缺陷。然后擦拭干净,小件放入专用箱内,大件放在木托板上,托放在柜体附近不影响安装操作的地方,不得落地放置。不得占压安全通道的黄线。3.2工步2一次元件安装根据断路器的规格型号一般分为三种安装方式。一种为立式(悬挂式)断路器;一种为抽屉式断路器;一种为卧式安装固定式断路器。3.2.1立式(悬挂式)断路器的安装(图1)技术图纸(一次、二次、地基图)元器件材料单生产准备一次元件安装二次元件安装自检互检整理转序抽屉式断路器的安装立式(悬挂式)断路器的安装悬挂式断路器的安装顺序一般为:刀开关断路器。(图1)3.2.1.1刀开关的安装3.2.1.1.1根据柜宽和图纸要求,选择合适的刀开关旋转机构安装梁(俗称:刀板)1件,长度尺寸见表2。用螺栓经垫板将刀开关旋转机构安装梁固定在柜体前左右立柱上。(图2)距柜顶560mm。自上向下数第29、31、33安装孔安装。表2mm柜宽尺寸60080010001200刀开关旋转机构安装梁长度5777779771177中心孔距A205245315465(图2)序号名称数量5安装梁41刀开关旋转机构安装梁16六方头螺栓M8X202滚花螺钉M8X257刀开关旋转机构13垫板28刀开关1~24纵横梁89断路器13.2.1.1.2根据柜深,选择合适的纵横梁(俗称:深度撑)4根,长度尺寸B见表3。用螺栓将纵横梁固定在柜体左右侧立柱上。(图3)自上向下数第25、26和32、33安装孔安装。距柜顶分别为500、640mm.表3mm柜深尺寸6008001000纵横梁长度B430630830(图3)3.2.1.1.3根据柜宽,选择合适的安装梁2件作刀开关安装梁,长度尺寸C见表4。表4mm3.2.1.1.4根据刀开关额定电流的大小,在刀开关安装梁上画线钻4-φ9安装孔。刀开关安装孔距见表5。3.2.1.1.5用螺栓将刀开关安装梁固定在纵横梁上。刀开关安装梁距柜体前面距离E见表5。自前向后数第N安装孔安装,见表5。(图3)表5HD13(17)BX型刀开关安装尺寸mm刀开关额定电流200A400A600A1000A1500A2000A2500A安装孔孔距DX16080X16090X160100X160120X160130X160180X160180X160安装梁距柜前尺寸E260260260280280300340第N安装孔888991012柜宽尺寸60080010001200安装梁长度C54074094011403.2.1.1.6用螺栓将刀开关固定在刀开关安装梁上。(附图1:刀开关安装图)3.2.1.1.7用螺栓将旋转机构固定在刀开关旋转机构安装梁上。(附图2:刀开关旋转机构安装图)3.2.1.1.8将旋转机构与刀开关连接,调整旋转机构及联杆,使刀开关分合到位,操作轻松灵活。然后锁紧螺母。刀开关安装梁纵横梁刀板旋转机构刀开关联杆调节螺母锁紧螺母旋转机构(附图3:开关与旋转机构连接图)3.2.1.2立式断路器的安装3.2.1.2.1根据柜深选择合适的纵横梁(俗称:深度撑)4根,长度尺寸B见表3。用螺栓将纵横梁固定在柜体左右侧立柱上。上下纵横梁之间距离见表6。自下向上数第N安装孔安装,保证断路器安装后的飞弧距离≥250mm。(图4)(图4)3.2.1.2.2根据柜宽选择合适的安装梁2件作为断路器安装梁,长度尺寸C见表4。按断路器B相与刀开关B相中心线在一条垂直线上的原则,根据断路器的安装孔距,在断路器安装梁上划线,钻4-φ13安装孔。常见断路器的安装孔距见表6。表6常见断路器的安装尺寸mm开关型号规格DW15-630及以下DW15-(1000~1600)ME(DW17)-(630~1600)水平孔距F220400300垂直孔距G300330250安装梁间距H240280180第N安装孔32、33和4...

1、当您付费下载文档后,您只拥有了使用权限,并不意味着购买了版权,文档只能用于自身使用,不得用于其他商业用途(如 [转卖]进行直接盈利或[编辑后售卖]进行间接盈利)。
2、本站所有内容均由合作方或网友上传,本站不对文档的完整性、权威性及其观点立场正确性做任何保证或承诺!文档内容仅供研究参考,付费前请自行鉴别。
3、如文档内容存在违规,或者侵犯商业秘密、侵犯著作权等,请点击“违规举报”。

碎片内容

低压成套开关设备装配工艺

您可能关注的文档

确认删除?
VIP
微信客服
  • 扫码咨询
会员Q群
  • 会员专属群点击这里加入QQ群
客服邮箱
回到顶部