电脑桌面
添加小米粒文库到电脑桌面
安装后可以在桌面快捷访问

复合陶瓷钢管-关于生产和制造复合陶瓷钢管的VIP免费

复合陶瓷钢管-关于生产和制造复合陶瓷钢管的_第1页
1/8
复合陶瓷钢管-关于生产和制造复合陶瓷钢管的_第2页
2/8
复合陶瓷钢管-关于生产和制造复合陶瓷钢管的_第3页
3/8
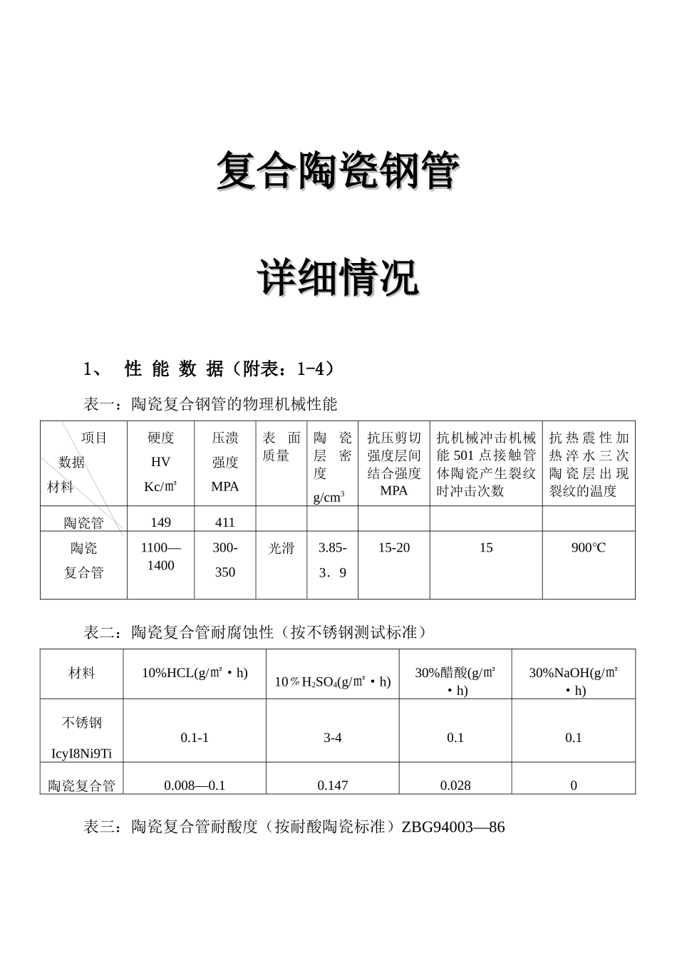
复合陶瓷钢管复合陶瓷钢管详细情况详细情况1、性能数据(附表:1-4)表一:陶瓷复合钢管的物理机械性能项目数据材料硬度HVKc/㎡压溃强度MPA表面质量陶瓷层密度g/cm3抗压剪切强度层间结合强度MPA抗机械冲击机械能501点接触管体陶瓷产生裂纹时冲击次数抗热震性加热淬水三次陶瓷层出现裂纹的温度陶瓷管149411陶瓷复合管1100—1400300-350光滑3.85-3.915-2015900℃表二:陶瓷复合管耐腐蚀性(按不锈钢测试标准)材料10%HCL(g/㎡·h)10H﹪2SO4(g/㎡·h)30%醋酸(g/㎡·h)30%NaOH(g/㎡·h)不锈钢IcyI8Ni9Ti0.1-13-40.10.1陶瓷复合管0.008—0.10.1470.0280表三:陶瓷复合管耐酸度(按耐酸陶瓷标准)ZBG94003—86材料10%HCL+10%H2SO4+10%HNO3在90℃加热5小时耐酸陶瓷80%陶瓷复合管96—98%表四:陶瓷复合管的耐磨性喷沙对比试验(SiC砂)30%SiC2泥浆冲刷对比试验材料体积减少㎝3材料体积损失㎝397%氧经铝管0.002545#钢25陶瓷复合管0.0022陶瓷复合管32、用途陶瓷内衬钢管广泛应用于石油化工、矿山、冶金、煤炭、电力、盐、碱、酸和地热能源等行业。可取代合金钢管、不锈钢管、铸钢管、镍管、钛管、铸石管等。但使用寿命比上述各种管材要长得很多。更是昂贵的合金钢管、不锈钢管、镍管、钛管等所无法比拟的,可大幅度地降低工程造价。A、该产品具有很高的耐蚀性和耐酸度,在石油化工等行业,对具有高度腐蚀的各种酸、碱、盐及腐蚀性气体、液体输送是理想的管道材料。B、该产品具有很强的耐磨性和耐冲击性,可用于剧烈磨损的矿山管道充填,钢厂和火、热电厂的高温炉喷煤、除渣等部位,是最低廉、最理想的输送管材。C、该产品能耐高温、耐机械冲击。用于石油裂解气、合成氨中温度换气、合成橡胶生成气以及熔融碱液、高温腐蚀气体和液体,及含有固体颗粒的高温腐蚀物料、盐载热体的输送管道。D、该管不污染和粘连熔融铝液。制造对铁质污染敏感,且使用后需要人工清理和维护的熔铝设备、熔融铝液输送管、铝低压铸造的液管等,也是非常理想的管道材料。2、产品特点A、耐磨性好陶瓷复合钢管的莫氏硬度在9.0以上,相当于HRC90以上,因此,对火电厂、热电厂、矿山、炼钢输送固体物质的理想材料。目前经过攀钢铁、首钢、邯钢、唐钢和长城铝业、广州黄埔电厂等单位的实际应用,证明其耐磨性是铸钢、铸石管的5倍以上。B、运行阻力损失小该产品在进行喷粉、排渣、输灰、送硬块、粒状物料等阻力特性测试结果见下表:对比管材绝对粗糙度()△相对粗糙度清水阻力系数水力输送气力输送水力输送气力输送普通管材0.1190.207.9354×10-41.343×10-30.0195陶瓷复合钢管0.01130.1957.935×10-41.343×10-30.0193C、使用年限长陶瓷内衬钢管与目前我国有关行业广泛使用的铸钢、铸石、铸铁管等管材相比,其使用寿命长、延长管道的大修期限,使工程造价低于铸钢、铸石、不锈钢管、镍管、钛管等各种合金管,从而大大的降低了工程维修费用。D、耐腐蚀,防结垢该管内衬材料为刚玉瓷层,属中性材料,因此具有很强的防腐蚀性能,并同时具有防结垢等性能。E、耐冲击该产品属于一次烧结形成的,具有耐热与耐机械冲击等良好的综合性能,可采用焊接、法兰等快速联结方式。F、耐温性能好该产品能在—50—900℃温度范围内长期正常运行,材料合成膨胀系数6—8×10-6/℃。应用的市场1、电力行业①目前我国电力行业正处于高速发展时期。国家每年新装机容量1500万千瓦,其中火电机组约1200万千瓦,而且仍以火力发电为主。因国家环境要求,火电厂的煤粉燃烧后的灰、渣需输到厂区以外的专用灰场,输送距离一般在3-10公里范围内。如青岛电厂二期工程(2×30万千瓦)输送距离7.5公里,两条管线采用Ø377㎜管道,需要用管道1500吨;台州电厂四期(2×33万千瓦)输送距离2.1公里,三条管线,采用Ø426㎜管道需用800多吨;上安电厂二期(2×30万千瓦)输送距离3.5公里,两条管线,采用Ø377㎜管道,需用700多吨,若按每台30万千瓦机组,除灰管道输送距离3公里,每年投产20台机组,采用Ø377管道计算每年火电厂除灰管道约需700吨。②火电厂、热电厂的喷煤、排渣管道弯头是磨损十分严重的部位,目前大都采用铸钢和铸石管,一般使用2—3年就需大修...

1、当您付费下载文档后,您只拥有了使用权限,并不意味着购买了版权,文档只能用于自身使用,不得用于其他商业用途(如 [转卖]进行直接盈利或[编辑后售卖]进行间接盈利)。
2、本站所有内容均由合作方或网友上传,本站不对文档的完整性、权威性及其观点立场正确性做任何保证或承诺!文档内容仅供研究参考,付费前请自行鉴别。
3、如文档内容存在违规,或者侵犯商业秘密、侵犯著作权等,请点击“违规举报”。

碎片内容

复合陶瓷钢管-关于生产和制造复合陶瓷钢管的

确认删除?
VIP
微信客服
  • 扫码咨询
会员Q群
  • 会员专属群点击这里加入QQ群
客服邮箱
回到顶部