电脑桌面
添加小米粒文库到电脑桌面
安装后可以在桌面快捷访问

钢筋砼道路钢筋加工、安装施工技术交底VIP免费

钢筋砼道路钢筋加工、安装施工技术交底_第1页
1/9
钢筋砼道路钢筋加工、安装施工技术交底_第2页
2/9
钢筋砼道路钢筋加工、安装施工技术交底_第3页
3/9
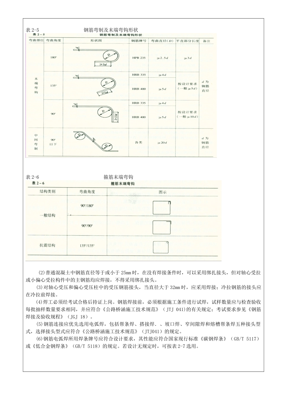
技术交底编号:JD施工单位:XXXXXXXXX年月日工程名称XXXXXXX工程工序名称钢筋混凝土道路的钢筋加工、安装施工交底内容:1概述本施工交底书针对XXXXXXXX工程中一般钢筋混凝土道路的钢筋加工及安装。2施工准备2.1技术准备1.认真审核结构图纸和钢筋料表,2.根据技术交底、安全交底对操作人员进行培训。2.2材料要求1.钢筋:品种、规格和技术性能等应符合国家现行标准规定和设计要求,应有出厂合格证及检测报告,进人现场应进行复试,确认合格后方可使用。钢筋在加工过程中,如有发生脆断、焊接性能不良或力学性能显著不正常等现象时,应对该批钢筋进行化学分析或其他专项检验。2.电焊条:应有产品出厂合格证,品种、规格和技术性能等应符合国家现行标准规定和设计要求,选用的焊条型号应与主体金属强度相适应,经烘干后使用。3.其他材料:绑扎丝、氧气、乙炔等。2.3机具设备1.主要机具设备:钢筋弯曲机、钢筋调直机、钢筋切断机、电焊机、卷扬机、砂轮切割机等。2.工具:气焊割枪、钢筋扳手、锤子、钢筋钩、撬棍、钢丝刷、粉笔、手推车、尺子等。2.4作业条件1.所需材料机具及时进场,机械设备状况良好。2.钢筋加工厂场地平整、道路畅通,供电等满足施工需求。3.钢筋安装方案已审批,作业面已具备安装条件。3施工工艺3.1工艺流程钢筋接头连接↓钢筋进场检查→钢筋储存→钢筋取样试验→钢筋加工→钢筋绑扎及安装3.2操作工艺1.钢筋进场检查(1)钢筋进场时,应按表2-3进行外观检查,并将外观检查不合格的钢筋及时剔除。表2-3钢筋外观要求钢筋种类外观要求热轧钢筋表面无裂缝、结疤和折叠,如有凸块不得超过螺纹的高度,其他缺陷的高度或深度不得超过所在部位的允许偏差,表面不得沾有油污热处理钢筋表面无肉眼可见的裂纹、结疤和折叠,如有凸块不得超过横肋的高度,表面不得沾油污冷拉钢筋表面不得有裂纹和局部缩颈,不得沾有油污(2)核对每捆或每盘钢筋上的标志是否与出厂质量证明书的型号、批号(炉号)相同,规格及型号是否符合设计要求。2.钢筋储存(1)钢筋的外观检验合格后,应按钢筋品种、等级、牌号、规格及生产厂家分类堆放,不得混放,且应设立识别标志。(2)钢筋在储存过程中,应避免锈蚀和污染,宜在库内或棚内存放,露天堆置时,应架空存放,离地面不宜小于300mm,应加以遮盖。3.钢筋取样试验(1)按不同批号和直径,按照表2一4规定抽取试样做力学性能试验。表2-4钢筋力学性能试验钢筋种类验收批钢筋组成每批数量取样方法和数量热轧钢筋同一厂别、同一炉罐号、同一规格、同一交货状态≤60t每一验收批取一组试件(拉伸、变曲各2个)热处理钢筋1.同一牌号、同一炉罐号、同一规格、同一交货状态。2.同一牌号、同一冶炼方法同一浇注方法的不同炉罐号组成混合批,每批不多于6个炉罐号≤60t任选2根钢筋切取,数量2个冷拉钢筋≤20t从每批冷拉钢筋中抽取2根钢筋,每根取2个试样分别进行拉力和冷弯试样(2)检验合格的判定标准:如有一个试样一项指标试验不合格,则应另取双倍数量的试样进行复验,如仍有一个试样不合格,则该批钢筋判为不合格。4.钢筋加工(1)配料单编制:钢筋加工前,依据图纸进行钢筋翻样并编制钢筋配料单,配料单应结合钢筋来料长度和所需长度进行编制,以使钢筋接头最少和节约钢筋;钢筋的下料长度应考虑钢筋弯曲时的弯曲伸长量,在允许误差范围内尺寸宜小不宜大,以保证保护层厚度及施工方便。(2)钢筋调直:钢筋应平直、无局部弯折,对弯曲的钢筋应调直后使用。(3)钢筋除锈去污:钢筋加工前要清除钢筋表面油漆、油污、锈蚀、泥土等污物,有损伤和锈蚀严重的应剔除不用。(4)钢筋宜在加工棚内集中加工,运至现场绑扎成型。(5)钢筋下料1)下料前认真核对钢筋规格、级别及加工数量,无误后按配料单下料。2)钢筋的切割宜采用钢筋切断机进行;在钢筋切断前,钢筋较细时,可用铁钳人工切割;个别情况下也可用砂轮锯进行钢筋切割。(6)钢筋弯制1)钢筋的弯制应采用钢筋弯曲机或弯箍机在工作平台上进行。2)钢筋弯制和末端弯钩均应符合设计要求,设计未作具体规定时,应符合表2-5的规定。3)箍筋的末端应做弯钩,弯钩的型式应符合设计要求,设计未作具体规定时,应符合表2-6的...

1、当您付费下载文档后,您只拥有了使用权限,并不意味着购买了版权,文档只能用于自身使用,不得用于其他商业用途(如 [转卖]进行直接盈利或[编辑后售卖]进行间接盈利)。
2、本站所有内容均由合作方或网友上传,本站不对文档的完整性、权威性及其观点立场正确性做任何保证或承诺!文档内容仅供研究参考,付费前请自行鉴别。
3、如文档内容存在违规,或者侵犯商业秘密、侵犯著作权等,请点击“违规举报”。

碎片内容

钢筋砼道路钢筋加工、安装施工技术交底

黄金书屋+ 关注
实名认证
内容提供者

爱好英语教学和互联网行业,热爱教育事业,兢兢业业

确认删除?
VIP
微信客服
  • 扫码咨询
会员Q群
  • 会员专属群点击这里加入QQ群
客服邮箱
回到顶部