电脑桌面
添加小米粒文库到电脑桌面
安装后可以在桌面快捷访问

班组(日)安全活动记录(含内容)VIP免费

班组(日)安全活动记录(含内容)_第1页
1/71
班组(日)安全活动记录(含内容)_第2页
2/71
班组(日)安全活动记录(含内容)_第3页
3/71
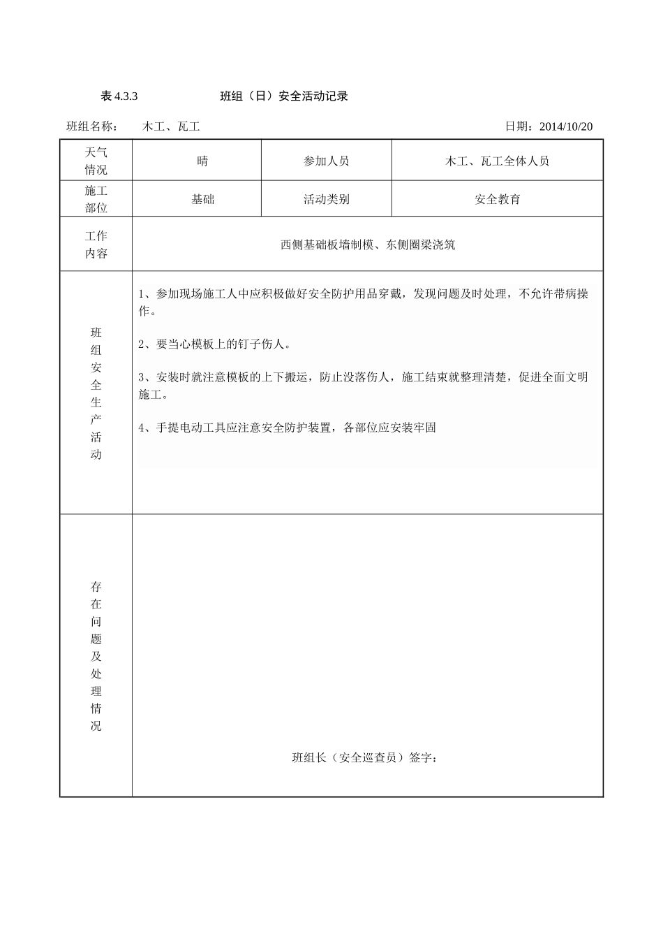
表4.3.3班组(日)安全活动记录班组名称:木工、瓦工日期:2014/10/20天气情况晴参加人员木工、瓦工全体人员施工部位基础活动类别安全教育工作内容西侧基础板墙制模、东侧圈梁浇筑班组安全生产活动1、参加现场施工人中应积极做好安全防护用品穿戴,发现问题及时处理,不允许带病操作。2、要当心模板上的钉子伤人。3、安装时就注意模板的上下搬运,防止没落伤人,施工结束就整理清楚,促进全面文明施工。4、手提电动工具应注意安全防护装置,各部位应安装牢固存在问题及处理情况班组长(安全巡查员)签字:表4.3.3班组(日)安全活动记录班组名称:木工、钢筋工、瓦工日期:2014/10/21天气情况晴参加人员木工、钢筋工、瓦工全体人员施工部位基础活动类别安全教育及安全检查工作内容砌筑砖墙,圈梁浇筑班组安全生产活动1、参加现场施工人中应积极做好安全防护用品穿戴。2、要当心模板上的钉子伤人;切割机使用前需检查切片是否安装牢固,使用完切割机后及时关闭电源。3、手提电动工具应注意安全防护装置,各部位应安装牢固存在问题及处理情况班组长(安全巡查员)签字:表4.3.3班组(日)安全活动记录班组名称:日期:2014/10/22天气情况晴参加人员施工部位活动类别工作内容班组安全生产活动存在问题及处理情况班组长(安全巡查员)签字:表4.3.3班组(日)安全活动记录班组名称:日期:2014/10/23天气情况晴参加人员施工部位活动类别工作内容班组安全生产活动存在问题及处理情况班组长(安全巡查员)签字:表4.3.3班组(日)安全活动记录班组名称:日期:2014/10/24天气情况晴参加人员施工部位活动类别工作内容班组安全生产活动存在问题及处理情况班组长(安全巡查员)签字:表4.3.3班组(日)安全活动记录班组名称:日期:2014/10/25天气情况晴参加人员施工部位活动类别工作内容班组安全生产活动存在问题及处理情况班组长(安全巡查员)签字:表4.3.3班组(日)安全活动记录班组名称:日期:2014/10/26天气情况晴参加人员施工部位活动类别工作内容班组安全生产活动存在问题及处理情况班组长(安全巡查员)签字:表4.3.3班组(日)安全活动记录班组名称:日期:2014/10/27天气情况晴参加人员施工部位活动类别工作内容班组安全生产活动存在问题及处理情况班组长(安全巡查员)签字:表4.3.3班组(日)安全活动记录班组名称:日期:2014/10/28天气情况晴参加人员施工部位活动类别工作内容班组安全生产活动存在问题及处理情况班组长(安全巡查员)签字:表4.3.3班组(日)安全活动记录班组名称:无日期:2014/10/29天气情况小雨参加人员无施工部位基础活动类别无工作内容班组安全生产活动存在问题及处理情况班组长(安全巡查员)签字:表4.3.3班组(日)安全活动记录班组名称:日期:2014/10/30天气情况小雨参加人员施工部位活动类别工作内容班组安全生产活动存在问题及处理情况班组长(安全巡查员)签字:表4.3.3班组(日)安全活动记录班组名称:日期:2014/10/31天气情况小雨参加人员施工部位活动类别工作内容班组安全生产活动存在问题及处理情况班组长(安全巡查员)签字:表4.3.3班组(日)安全活动记录班组名称:翻土机日期:2014/11/1天气情况晴参加人员翻土机司机施工部位基础活动类别安全教育工作内容翻土晾晒班组安全生产活动翻土机驾驶时,注意安全。司机下车戴安全帽,做好安全防护措施存在问题及处理情况班组长(安全巡查员)签字:表4.3.3班组(日)安全活动记录班组名称:翻土机、压路机日期:2014/11/2天气情况晴参加人员翻土机司机和压路机司机施工部位基础活动类别安全教育工作内容翻土晾晒、压实灰土班组安全生产活动压路机和翻土机驾驶时,注意安全。司机下车戴安全帽,做好安全防护措施存在问题及处理情况班组长(安全巡查员)签字:表4.3.3班组(日)安全活动记录班组名称:挖机日期:2014/11/3天气情况晴参加人员挖机司机施工部位基础活动类别安全教育工作内容翻土晾晒,拌灰土班组安全生产活动挖机驾驶时,注意安全。司机下车戴安全帽,做好安全防护措施存在问题及处理情况班组长(安全巡查员)签字:表4.3.3班组(日)安全活动记录班组名称:挖机日期:2014/11...

1、当您付费下载文档后,您只拥有了使用权限,并不意味着购买了版权,文档只能用于自身使用,不得用于其他商业用途(如 [转卖]进行直接盈利或[编辑后售卖]进行间接盈利)。
2、本站所有内容均由合作方或网友上传,本站不对文档的完整性、权威性及其观点立场正确性做任何保证或承诺!文档内容仅供研究参考,付费前请自行鉴别。
3、如文档内容存在违规,或者侵犯商业秘密、侵犯著作权等,请点击“违规举报”。

碎片内容

班组(日)安全活动记录(含内容)

确认删除?
VIP
微信客服
  • 扫码咨询
会员Q群
  • 会员专属群点击这里加入QQ群
客服邮箱
回到顶部