电脑桌面
添加小米粒文库到电脑桌面
安装后可以在桌面快捷访问

机器设备、工具2VIP免费

机器设备、工具2_第1页
1/17
机器设备、工具2_第2页
2/17
机器设备、工具2_第3页
3/17
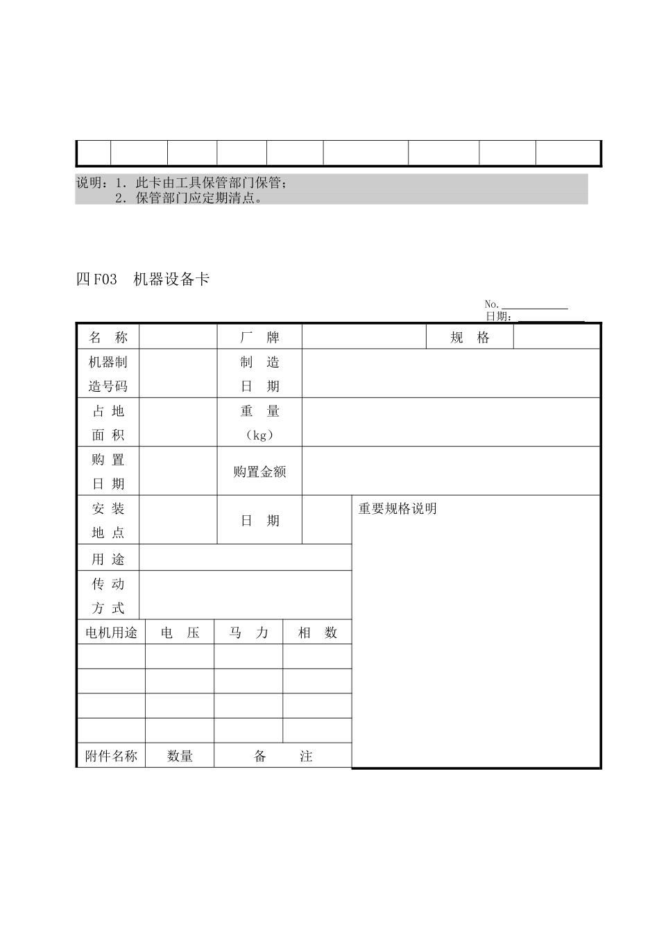
四F01工、模具登记表保管部门:页次:日期凭证号码编号领用缴回会计数量经办签章新品堪用堪用废品登记人:四F02个人工具借用卡No.姓名:项次工具名称规格借用数量借用日期预定归还日期借用者签名实际归还经办者签名说明:1.此卡由工具保管部门保管;2.保管部门应定期清点。四F03机器设备卡No.日期:名称厂牌规格机器制造号码制造日期占地面积重量(kg)购置日期购置金额安装地点日期重要规格说明用途传动方式电机用途电压马力相数附件名称数量备注审核:制卡:四F04机器设备预防保养卡月份:机器名称编号使用部门一级保养责任者二级保养责任者二级保养频度保养记录保养项目日期备注(签名)早午夜早午夜早午夜早午夜早午夜早午夜123456789101112131415161718192021222324说明:1.每日由一级保养责任者保养;2.二级责任者不定期检查;3.符号:良,△尚可,不良。四F06机器设备使用说明书No.制表日期:机器名称(中文)(英文)产地厂牌规格购置日期价格操作说明程序操作方法注意要点说明:1.每一部机器设备应附有操作使用说明书;2.作为教育新手使用。四F07机器设备性能及消耗动力表机器名称:(中)(英)制造厂商:原厂编号:机器规格性能(1)最大机速:(2)使用机速:(3)材料规范:(4)最高产量(5)正常产量(6)机器尺寸(7)其他:动力消耗量(1)电力:(2)压缩空气:(3)水量图纸审核:填表:四F08空气压缩机定期查检表月份编号规格使用部门责任保养部门检验日期检验项目不良状况处理检查者123456789101112131415161718说明:检查符号良△尚可不良四F09计量仪器校验记录卡No.仪器名称编号使用部门校验部门校验项目校验方法校验周期年度计划校验日期校验记录:日期校验数据修正值校验者下次校验日期备注说明:1.计量仪器应定期校验;2.下次检验时间应明示于计量仪器明显位置。四F10机器设备消费性部件资料表机器名称(设备)厂牌(规格)台数项次部件名称厂牌/规格1件使用时间常备安全存量备注12345678910111213141516171819202122建立日期修正履历次数日期四F13设备故障检修表No.日期:设备名称设备编号使用部门检修日期故障原因检修情况实际停机时数估计生产损失实际修理时数人工耗费人数:人工时:时检修验收主管/日期:记录:四F14设备检修履历卡部门:No.设备名称设备编号型号/规格制造厂家制造日期入厂日期安装地点使用部门检修记录:日期停机时间故障原因及处理经过修理费用检修人记录人:四F15协作厂商资料卡共2页第1页一、组织及状况1.名称2.类型:□国营□私营□外资3.地址:(1)公司:(2)工厂:4.业务范围:5.登记资本:6.登记情形:(1)公司登记证:(2)营业登记证:7.主持人经历及其他经营事业姓名年龄籍贯住址:经营事业公司名称年营业额负责职务经营范围经营理念优可差二、员工状况类别财务设计制造品管生技生管物料人事总务其他作业员合计人数三、生产设备名称规格或能力数量单价厂牌购入日期共2页第2页四、厂房设备1.厂房建筑:标准厂房木屋公寓、住家其他2.建筑物:①工厂面积④建厂日期②办公室面积⑤建筑结构③仓库面积五、工作环境①照明②通风③通路标示④清洁状况⑤防火设备六、目前承制能力及转包情形产品种类目前承制主要转包厂商性质年生产量年生产总值七、往来厂商厂商负责人地址电话往来项目八、往来银行银行名称(注明总分行处)账号徵信记录(本公司填写)九、经办者意见(本公司填写):四F16设备突发故障处理报告设备名称设备编号地点发生时间故障次数故障原因故障处理处理者:纠正和预防对策对策者:总经理批示工务课长厂长课长报告人四F18设备维修申请单No.日期:申设备名称编号使用部门请者填故障情况维修者填修理时间月日时至月日时维修者故障性质保养不良超负荷失修工艺不当润滑不良维修内容记录四F19设备请购报告No.日期:请购部门请购日期设备名称厂牌规格申请数量需求日期申请理由预计效果批示会计主管申请

1、当您付费下载文档后,您只拥有了使用权限,并不意味着购买了版权,文档只能用于自身使用,不得用于其他商业用途(如 [转卖]进行直接盈利或[编辑后售卖]进行间接盈利)。
2、本站所有内容均由合作方或网友上传,本站不对文档的完整性、权威性及其观点立场正确性做任何保证或承诺!文档内容仅供研究参考,付费前请自行鉴别。
3、如文档内容存在违规,或者侵犯商业秘密、侵犯著作权等,请点击“违规举报”。

碎片内容

机器设备、工具2

您可能关注的文档

确认删除?
VIP
微信客服
  • 扫码咨询
会员Q群
  • 会员专属群点击这里加入QQ群
客服邮箱
回到顶部