电脑桌面
添加小米粒文库到电脑桌面
安装后可以在桌面快捷访问

宁波贝发集团有限公司高管年度能力考核指标说明VIP免费

宁波贝发集团有限公司高管年度能力考核指标说明_第1页
1/4
宁波贝发集团有限公司高管年度能力考核指标说明_第2页
2/4
宁波贝发集团有限公司高管年度能力考核指标说明_第3页
3/4
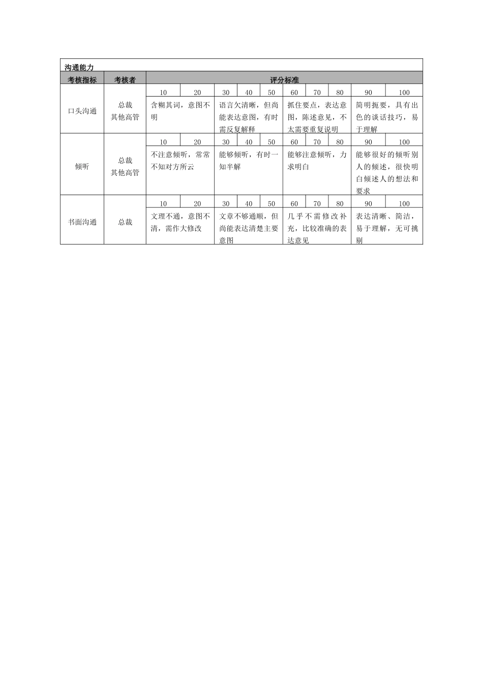
贝发集团有限公司高管能力考核指标及评分标准注释表人际交往能力考核指标考核者评分标准关系建立总裁其他高管102030405060708090100刚愎自用不易与他人相处,自我封闭较为自我,不易与他人建立长期关系能够与他人建立可信赖的长期关系易与他人建立可信赖的积极发展的长期关系团队合作总裁其他高管102030405060708090100不能与他人很好合作,独断专行团队合作精神不强,对工作有影响能够与他人合作共事,相互支持,保证团队任务的完成善于与他人合作共事,相互支持,充分发挥各自的优势,保持良好的团队工作氛围解决矛盾直接下级102030405060708090100遇到矛盾不知如何解决解决矛盾手法生硬,影响工作顺利进行能够解决已发生的矛盾,不致对工作产生大的负面影响巧妙地和建设性地解决不同矛盾影响力考核指标考核者评分标准说服力总裁其他高管102030405060708090100无法说服别人,或咄咄逼人,或逃避退让说服别人比较困难能说服下级、同事、上级接受某一看法与意见能够表述自己的主张、论点及理由,比较容易的说服别人接受某一看法与意见影响能力总裁其他高管102030405060708090100对他人几乎无影响力或完全操纵利用他人有时能影响他人能以自己积极的言行带领大家努力工作能积极影响他人的思维方式和发展方向沟通能力考核指标考核者评分标准口头沟通总裁其他高管102030405060708090100含糊其词,意图不明语言欠清晰,但尚能表达意图,有时需反复解释抓住要点,表达意图,陈述意见,不太需要重复说明简明扼要,具有出色的谈话技巧,易于理解倾听总裁其他高管102030405060708090100不注意倾听,常常不知对方所云能够倾听,有时一知半解能够注意倾听,力求明白能够很好的倾听别人的倾述,很快明白倾述人的想法和要求书面沟通总裁102030405060708090100文理不通,意图不清,需作大修改文章不够通顺,但尚能表达清楚主要意图几乎不需修改补充,比较准确的表达意见表达清晰、简洁,易于理解,无可挑剔领导能力考核指标考核者评分标准评估直接下级102030405060708090100无法正确评估他人能够按公司要求对他人作评估能较为合理的评价他人的技能和绩效,指出其不足能合理评价他人的技能和绩效,使下属心服口服,并能使下属明确努力方向授权直接下级102030405060708090100不善分配工作与权力,缺乏指导员工的方法,内部时有不服怨言欠缺分配工作、权力及指导部属之方法,任务进行偶有困难能够顺利分配工作与权力,有效传授工作知识,完成任务善于分配工作与权力,并能积极传授工作知识,引导部属完成任务激励直接下级102030405060708090100工作主要靠命令与指示有一定的制度,但不能充分发挥作用,无改进措施,员工积极性不高有制度,能够利用奖励和表彰等方式提高员工积极性了解他人的需求,善于引导下级积极主动地工作,用奖励和表彰等方式提高积极性,并使员工积极努力地工作建立期望直接下级102030405060708090100无法给员工建立期望能够给下属订立工作标准和分配任务能够与员工沟通,给下属订立明确的期望目标和标准善于与员工沟通,给下属订立明确合理的工作目标和标准并建立合理的期望责任管理直接下级102030405060708090100放任自流虽能与员工沟通但缺乏对员工的指导和协助能够与下属沟通,注重过程管理,指导和协助员工完成任务能够充分与下属沟通,督导员工的工作进展及时反馈和培训,让下属对自己的工作担负责任判断和决策能力考核指标考核者评分标准战略思考直接上级102030405060708090100对公司的将来不太关心,也不注意工作上可能出现的机会和挑战主要忙于事务性工作,有时也会注意公司的前景和对策等问题能够根据现状,了解组织面临的挑战和机会能透过现象看本质,把握组织面临的挑战和机会,兼顾短期和长远目标创新能力直接上级102030405060708090100因循守旧,墨守成规安步就班,很少提出新想法、新措施与新的工作方法工作中能够努力学习,提出新想法、新措施与新的工作方法并有风险意识工作中能不断提出新想法、新措施,善于学习,注意规避风险,锐意求新,在工作中有较大创新解决问题的能力直接上级102030405060708090100遇到问题,束手无策发生问题,能够去想解决办法,但有...

1、当您付费下载文档后,您只拥有了使用权限,并不意味着购买了版权,文档只能用于自身使用,不得用于其他商业用途(如 [转卖]进行直接盈利或[编辑后售卖]进行间接盈利)。
2、本站所有内容均由合作方或网友上传,本站不对文档的完整性、权威性及其观点立场正确性做任何保证或承诺!文档内容仅供研究参考,付费前请自行鉴别。
3、如文档内容存在违规,或者侵犯商业秘密、侵犯著作权等,请点击“违规举报”。

碎片内容

宁波贝发集团有限公司高管年度能力考核指标说明

确认删除?
VIP
微信客服
  • 扫码咨询
会员Q群
  • 会员专属群点击这里加入QQ群
客服邮箱
回到顶部