电脑桌面
添加小米粒文库到电脑桌面
安装后可以在桌面快捷访问

人力资源-25#楼工程外墙保温专项方案VIP免费

人力资源-25#楼工程外墙保温专项方案_第1页
1/26
人力资源-25#楼工程外墙保温专项方案_第2页
2/26
人力资源-25#楼工程外墙保温专项方案_第3页
3/26
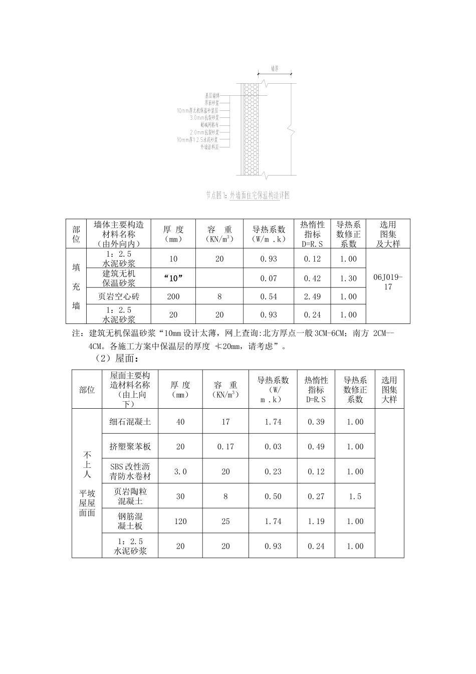
一、工程概况熙街二期25#楼工程位于重庆市沙坪坝区大学城,主要结构类型为钢筋混泥土框架结构,由重庆凯西来实业有限公司开发的商住楼房,总建筑面积为10581.43m2,建筑高度36米。二、建筑节能设计概况1、外墙:外墙面填充墙采用JN型烧结页岩空心砖砌块(节能型),外墙面采用玻化中空微珠无机外墙保温隔热系统;2、门窗工程:门窗采用塑钢型材框中空玻璃窗,传热系数≤2.80w/㎡·k,遮阳系数0.86,保温性能为4级(2.0<K≤3.0)3、屋面工程:屋面为坡屋面。由下而上先做3厚SBS卷材防水层,保温层采用20mm厚挤塑聚苯板满铺,传热系数≤0.65w/㎡·k,刚性层为35厚C20细石钢筋混凝土,面层为西班牙瓦屋面。4、电气照明:该工程电器照明已按设计节能设计施工,公用通道采用声控开关。线管采用暗埋方式。5、构造做法(1)外墙:部位墙体主要构造材料名称(由外向内)厚度(mm)容重(KN/m3)导热系数(W/m.k)热惰性指标D=R.S导热系数修正系数选用图集及大样填充墙1:2.5水泥砂浆10200.930.121.0006J019-17建筑无机保温砂浆“10”0.070.421.30页岩空心砖20080.542.491.001:2.5水泥砂浆20200.930.241.00热桥1:2.5水泥砂浆10200.930.121.0006J019-17建筑无机保温砂浆100.070.621.3钢筋混凝土梁柱板240251.742.371.001:2.5水泥砂浆20200.930.241.00部位墙体主要构造材料名称(由外向内)厚度(mm)容重(KN/m3)导热系数(W/m.k)热惰性指标D=R.S导热系数修正系数选用图集及大样填充墙1:2.5水泥砂浆10200.930.121.0006J019-17建筑无机保温砂浆“10”0.070.421.30页岩空心砖20080.542.491.001:2.5水泥砂浆20200.930.241.00注:建筑无机保温砂浆“10mm设计太薄,网上查询:北方厚点一般3CM-6CM;南方2CM--4CM。各施工方案中保温层的厚度≮20mm,请考虑”。(2)屋面:部位屋面主要构造材料名称(由上向下)厚度(mm)容重(KN/m3)导热系数(W/m.k)热惰性指标D=R.S导热系数修正系数选用图集大样不上人平坡屋屋面面细石混凝土40171.740.391.00挤塑聚苯板200.170.030.491.00SBS改性沥青防水卷材3.0200.230.121.00页岩陶粒混凝土3080.500.271.5钢筋混凝土板120251.741.191.001:2.5水泥砂浆20200.930.241.00三、编制依据1、《中华人民共和国节约能源法》2、《建筑工程施工质量验收统一标准》(GB50300-20013、《建筑节能工程施工质量验收规范》(GB50411-2007)4、《居住建筑节能工程施工质量验收规程》(GBJ50-045-2005)5、《玻化微珠外墙保温系统》(JGJ158-2004)6、《建筑施工安全检查标准》(JGJ59-99)7、《建筑装饰装修工程质量验收规范》(GB50210-2001)8、《工程建筑标准强制性条文》(2002版)9、《重庆市建筑节能工程施工质量验收规范》(修)DBJ50-069-200710、《外墙外保温建筑构造通用图集》(88J2-4)11、《挤塑聚苯板保温构造图集》(西南05J103)12、《(FHP)复合硅酸盐材料保温隔热建筑构造图集》(西南06J019)13、《屋面工程质量验收规范》(GB50207-2002)14、《建筑地面工程施工质量验收规范》(GB50209-2002)15、《砌体工程施工质量验收规范》(GB50203-2002)16、《住宅装饰装修工程施工规范》(GB50327-2001)17、《建筑工程施工质量评价标准》(GB50375-2006)18、《建筑电气工程质量验收规范》(GB50303-2002)19、施工图纸20、重庆市其它相关地方标准与规定等四、组织结构本工程采用项目法施工,施工中将严格按照质量标准程序运作,确保施工质量和工期要求。现场成立具有丰富施工经验、高素质管理人员和专业技术人员组成的项目机构(如下图),全面负责工程的整体进度、质量、安全、环保、资源调配和总体协调工作。施工目标:1、质量目标本外墙外保温工程的质量目标为:合格2、工期目标:根据甲方要求合理调整,按要求完工。预计从2011年9月10日开始,至10月15日完成,总工期35天。3、安全文明施工目标:确保不发生重大伤亡事故,并制定具体的安全文明措施.安全文明施工由现场项目部领导,负责整个工程施工期间的工作及对外协调。组织机构:技术负责人王远志项目经理刘德荣施工员周强项目副经理李强作业班组泥工班材料员蒋贵书质检员夏洪平安全员吴平国资料员廖...

1、当您付费下载文档后,您只拥有了使用权限,并不意味着购买了版权,文档只能用于自身使用,不得用于其他商业用途(如 [转卖]进行直接盈利或[编辑后售卖]进行间接盈利)。
2、本站所有内容均由合作方或网友上传,本站不对文档的完整性、权威性及其观点立场正确性做任何保证或承诺!文档内容仅供研究参考,付费前请自行鉴别。
3、如文档内容存在违规,或者侵犯商业秘密、侵犯著作权等,请点击“违规举报”。

碎片内容

人力资源-25#楼工程外墙保温专项方案

确认删除?
VIP
微信客服
  • 扫码咨询
会员Q群
  • 会员专属群点击这里加入QQ群
客服邮箱
回到顶部