电脑桌面
添加小米粒文库到电脑桌面
安装后可以在桌面快捷访问

制造一厂工艺科岗位说明书VIP免费

制造一厂工艺科岗位说明书_第1页
1/7
制造一厂工艺科岗位说明书_第2页
2/7
制造一厂工艺科岗位说明书_第3页
3/7
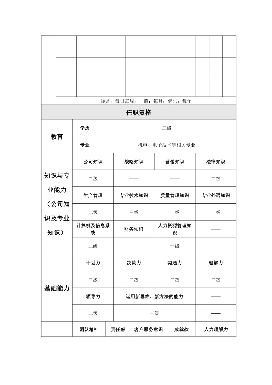
无锡蓝天电子有限公司岗位工作说明书岗位名称科长岗位编号ZY--GY--01首次编制时间2007年2月28日最新修改时间岗位所属部门制造一厂工艺科上级主管职位厂长下属岗位名称工艺员岗位说明岗位使命为火灾自动报警产品的设计、生产提供适宜的工艺支持,保证工艺文件的完整、正确、符合标准、有利生产岗位职责及主要工作任务一、按照制造一厂生产计划或新产品开发计划编制本部门工作计划,领导工艺员实施计划,及时做好总结。1、按新产品开发计划要求,全面完成产品工艺任务。2、严格按公司质量手册和程序文件进行工艺设计和文件处理(工艺方案、工艺流程、工艺卡和控制点、停止点指导书等)。按项目开发要求适时提供工艺文件资料。对所编制工艺文件的合理性、正确性负责。3、不断完善工艺文件,保证批生产阶段工艺文件及相关资料的完整性、正确性、先进性、实用性。4、负责工艺实施的指导,设计适宜的工装夹具,及时解决生产中出现的工艺问题。二、、负责制订工艺纪律并监督检查制造一厂生产车间工艺纪律执行情况。三、负责解决工程调试现场出现的工艺问题。四、完成上级安排的培训任务。五、完成领导交付的其他工作。衡量标准工艺文件完成的及时性、合理性、先进性、完整性、实用性;工艺图纸的准确性完成新产品开发相关的工艺情况工装准备的及时性、经济性、合理性、先进性、实用性;现场解决问题的及时性工艺纪律监督是否严格、认真培训任务的完成工作权限1、部门工作计划的拟订权2、工艺文件和工艺纪律的拟订权3、工艺纪律的监督检查权4、工艺改进的建议权5、对部门人事任免的建议权和对下属工作的绩效管理权6、生产及工程现场工艺问题的处理权主要工作联系分类主要联系对象主要联系内容联系频率经常一般偶尔内部制造一厂生产车间现场指导生产、处理现场工艺问题√内部制造一厂生产车间、检验科、销售公司工程部提供相关培训√外部工程现场提供工程现场调试指导及问题处理√内部文件管理员文件资料的整理、发放、回收、归档等√经常:每日每周;一般:每月;偶尔:每年任职资格教育学历三级专业机电、电子技术等相关专业知识与专业能力(公司知识及专业知识)公司知识战略知识营销知识法律知识二级————二级生产管理专业技术知识质量管理知识专业外语知识二级三级一级一级计算机及信息系统财务知识人力资源管理知识——二级——一级——基础能力计划力决策力沟通力理解力二级二级二级二级领导力运用新思维、新方法的能力——二级三级——团队精神责任感客户服务意识成就欲人力理解力职业素养二级三级三级四级三级工作经验行业工作经验职位工作经验二级及以上三级及以上工作条件工作场所:办公室环境状况:舒适危险性:基本无危险,无职业病危险,偶尔需出差无锡蓝天电子有限公司岗位工作说明书岗位名称工艺员岗位编号ZY--GY--02首次编制时间2007年2月28日最新修改时间岗位所属部门制造一厂工艺科上级主管职位科长下属岗位名称无岗位说明岗位使命协助工艺科长为火灾自动报警产品的设计、生产提供适宜的工艺支持,保证工艺文件的完整、正确、符合标准、有利生产。岗位职责及主要工作任务一、在工艺科长领导下实施工作计划。1、按新产品开发计划要求,协助科长完成产品工艺任务。2、严格按公司质量手册和程序文件进行工艺设计和文件处理(工艺方案、工艺流程、工艺卡和控制点、停止点指导书等)。按项目开发要求适时提供工艺文件资料。对所编制工艺文件的合理性、正确性负责。3、不断完善工艺文件,保证批生产阶段工艺文件及相关资料的完整性、正确性、先进性、实用性。4、进行工艺实施的指导,设计适宜的工装夹具,及时解决生产中出现的工艺问题。二、监督检查制造一厂生产车间工艺纪律执行情况。三、协助解决工程调试现场出现的工艺问题。四、完成上级安排的培训任务。五、完成领导交付的其他工作。衡量标准工艺文件完成的及时性、合理性、先进性、完整性、实用性;工艺图纸的准确性完成新产品开发相关的工艺准备情况工装准备的及时性、经济性、合理性、先进性、实用性;现场解决问题的及时性工艺纪律监督是否严格、认真培训任务的完成工作权限1、部门工作计划的执行权2、部分工艺文...

1、当您付费下载文档后,您只拥有了使用权限,并不意味着购买了版权,文档只能用于自身使用,不得用于其他商业用途(如 [转卖]进行直接盈利或[编辑后售卖]进行间接盈利)。
2、本站所有内容均由合作方或网友上传,本站不对文档的完整性、权威性及其观点立场正确性做任何保证或承诺!文档内容仅供研究参考,付费前请自行鉴别。
3、如文档内容存在违规,或者侵犯商业秘密、侵犯著作权等,请点击“违规举报”。

碎片内容

制造一厂工艺科岗位说明书

确认删除?
VIP
微信客服
  • 扫码咨询
会员Q群
  • 会员专属群点击这里加入QQ群
客服邮箱
回到顶部