电脑桌面
添加小米粒文库到电脑桌面
安装后可以在桌面快捷访问

天线技术企业生产部部长职务说明书VIP免费

天线技术企业生产部部长职务说明书_第1页
1/4
天线技术企业生产部部长职务说明书_第2页
2/4
天线技术企业生产部部长职务说明书_第3页
3/4
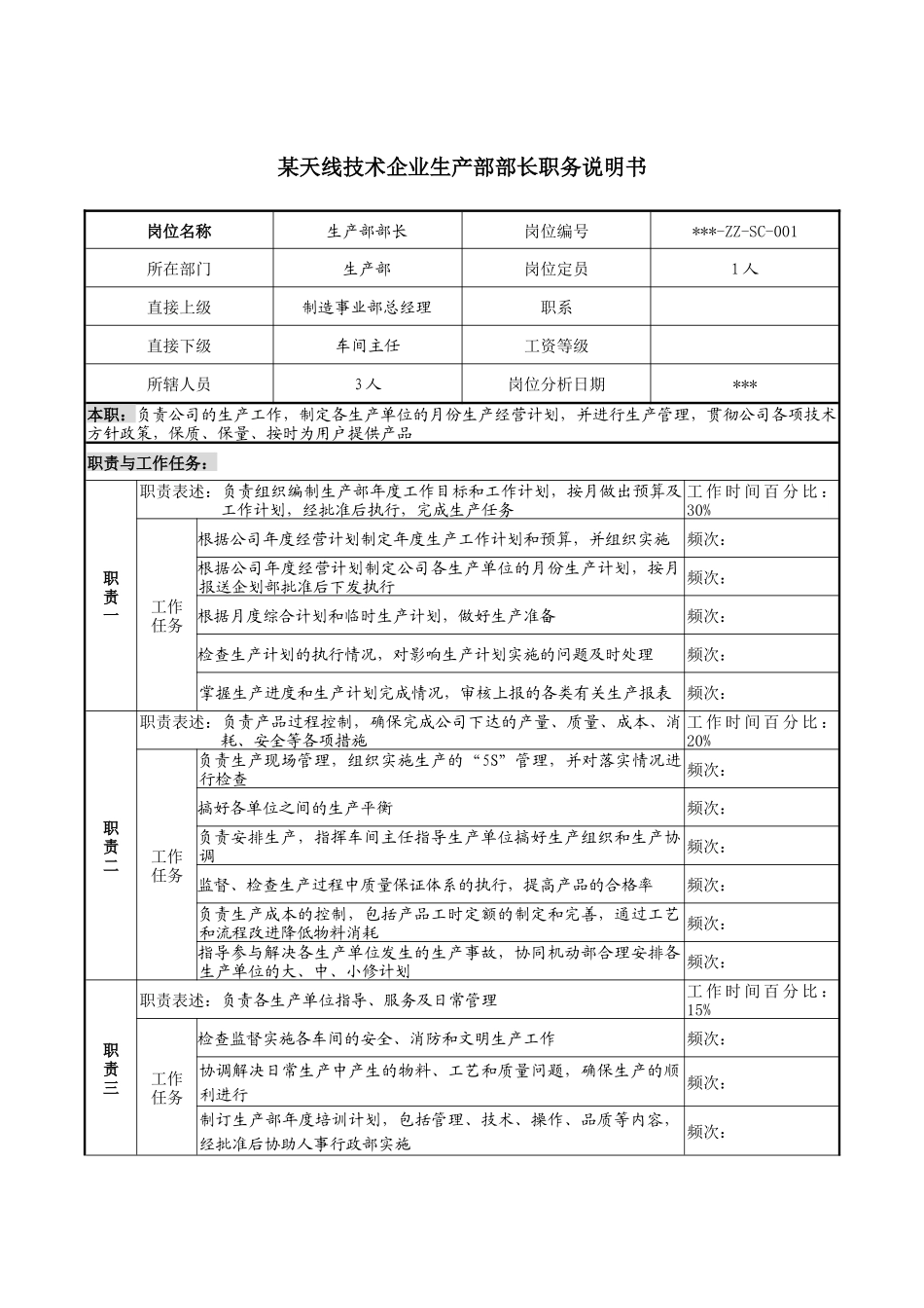
某天线技术企业生产部部长职务说明书岗位名称生产部部长岗位编号***-ZZ-SC-001所在部门生产部岗位定员1人直接上级制造事业部总经理职系直接下级车间主任工资等级所辖人员3人岗位分析日期***本职:负责公司的生产工作,制定各生产单位的月份生产经营计划,并进行生产管理,贯彻公司各项技术方针政策,保质、保量、按时为用户提供产品职责与工作任务:职责一职责表述:负责组织编制生产部年度工作目标和工作计划,按月做出预算及工作计划,经批准后执行,完成生产任务工作时间百分比:30%工作任务根据公司年度经营计划制定年度生产工作计划和预算,并组织实施频次:根据公司年度经营计划制定公司各生产单位的月份生产计划,按月报送企划部批准后下发执行频次:根据月度综合计划和临时生产计划,做好生产准备频次:检查生产计划的执行情况,对影响生产计划实施的问题及时处理频次:掌握生产进度和生产计划完成情况,审核上报的各类有关生产报表频次:职责二职责表述:负责产品过程控制,确保完成公司下达的产量、质量、成本、消耗、安全等各项措施工作时间百分比:20%工作任务负责生产现场管理,组织实施生产的“5S”管理,并对落实情况进行检查频次:搞好各单位之间的生产平衡频次:负责安排生产,指挥车间主任指导生产单位搞好生产组织和生产协调频次:监督、检查生产过程中质量保证体系的执行,提高产品的合格率频次:负责生产成本的控制,包括产品工时定额的制定和完善,通过工艺和流程改进降低物料消耗频次:指导参与解决各生产单位发生的生产事故,协同机动部合理安排各生产单位的大、中、小修计划频次:职责三职责表述:负责各生产单位指导、服务及日常管理工作时间百分比:15%工作任务检查监督实施各车间的安全、消防和文明生产工作频次:协调解决日常生产中产生的物料、工艺和质量问题,确保生产的顺利进行频次:制订生产部年度培训计划,包括管理、技术、操作、品质等内容,经批准后协助人事行政部实施频次:职责四职责表述:配合相关部门工作开展,定期向制造事业部总经理汇报工作工作时间百分比:10%工作任务配合有关部门组织应用新技术、新工艺、新设备,提高劳动生产率频次:协助有关部门分析不合格品的原因,并妥善处理不合格品频次:及时向制造事业部总经理汇报生产部的真实情况和有关数据,定期向制造事业部总经理述职频次:职责五职责表述:制订、修订生产部的工作程序和有关生产规章制度的实施细则,经批准后施行工作时间百分比:10%工作任务监督检查、处理反馈生产部主管的工作程序、规章制度及其实施细则的施行情况频次:指导、监督、检查所属下级的各项工作,掌握工作情况和有关数据频次:职责六职责表述:部门内部组织管理工作工作时间百分比:10%工作任务组织制定和完善生产管理、工艺管理、质检管理、车间管理等各项管理制度,并监控实施频次:负责公司生产队伍建设,选拔、配备、评价下属人员,组织部门技能培训频次:负责协调下属各部门间关系,以及下属部门与其它部门间关系频次:职责七职责表述:完成直接上级交办的其他工作工作时间百分比:5%权力:对生产计划调度的指挥权对生产过程中出现的各种问题即时处理的权力对下属部门质量管理的监督检查权对生产部所属员工和各项工作的管理权对所属下级的工作有监督、检查权对下属员工和各项业务工作的指挥权对所属下级的工作争议有裁决权对直接下级岗位调配的建议权和任用的提名权对直接下级的管理水平、业务水平和业绩有考核权对直接下级有奖惩的建议权相关事情知情权有代表公司与外界有关部门和机构联络权权限内的财务审批权公司计划范围内的部门经费有支配权本部门发生费用的审核权工作协作关系:内部协调关系公司各部门外部协调关系质量技术监督部门、客户、供应商任职资格:教育水平大学本科及以上学历专业电子、通讯、机械及相关专业培训经历管理学培训、相关业务知识培训经验5年以上生产管理工作经验知识通晓相关业务领域专业知识,通晓生产管理知识,具备财务管理、质量管理等方面的知识技能技巧较高的计划、控制、组织、协调、沟通能力,一定的写作能力和语言表达能力其它:使用工具设备计算机、一...

1、当您付费下载文档后,您只拥有了使用权限,并不意味着购买了版权,文档只能用于自身使用,不得用于其他商业用途(如 [转卖]进行直接盈利或[编辑后售卖]进行间接盈利)。
2、本站所有内容均由合作方或网友上传,本站不对文档的完整性、权威性及其观点立场正确性做任何保证或承诺!文档内容仅供研究参考,付费前请自行鉴别。
3、如文档内容存在违规,或者侵犯商业秘密、侵犯著作权等,请点击“违规举报”。

碎片内容

天线技术企业生产部部长职务说明书

您可能关注的文档

确认删除?
VIP
微信客服
  • 扫码咨询
会员Q群
  • 会员专属群点击这里加入QQ群
客服邮箱
回到顶部