电脑桌面
添加小米粒文库到电脑桌面
安装后可以在桌面快捷访问

临水施工方案培训资料VIP专享VIP免费

临水施工方案培训资料_第1页
1/32
临水施工方案培训资料_第2页
2/32
临水施工方案培训资料_第3页
3/32
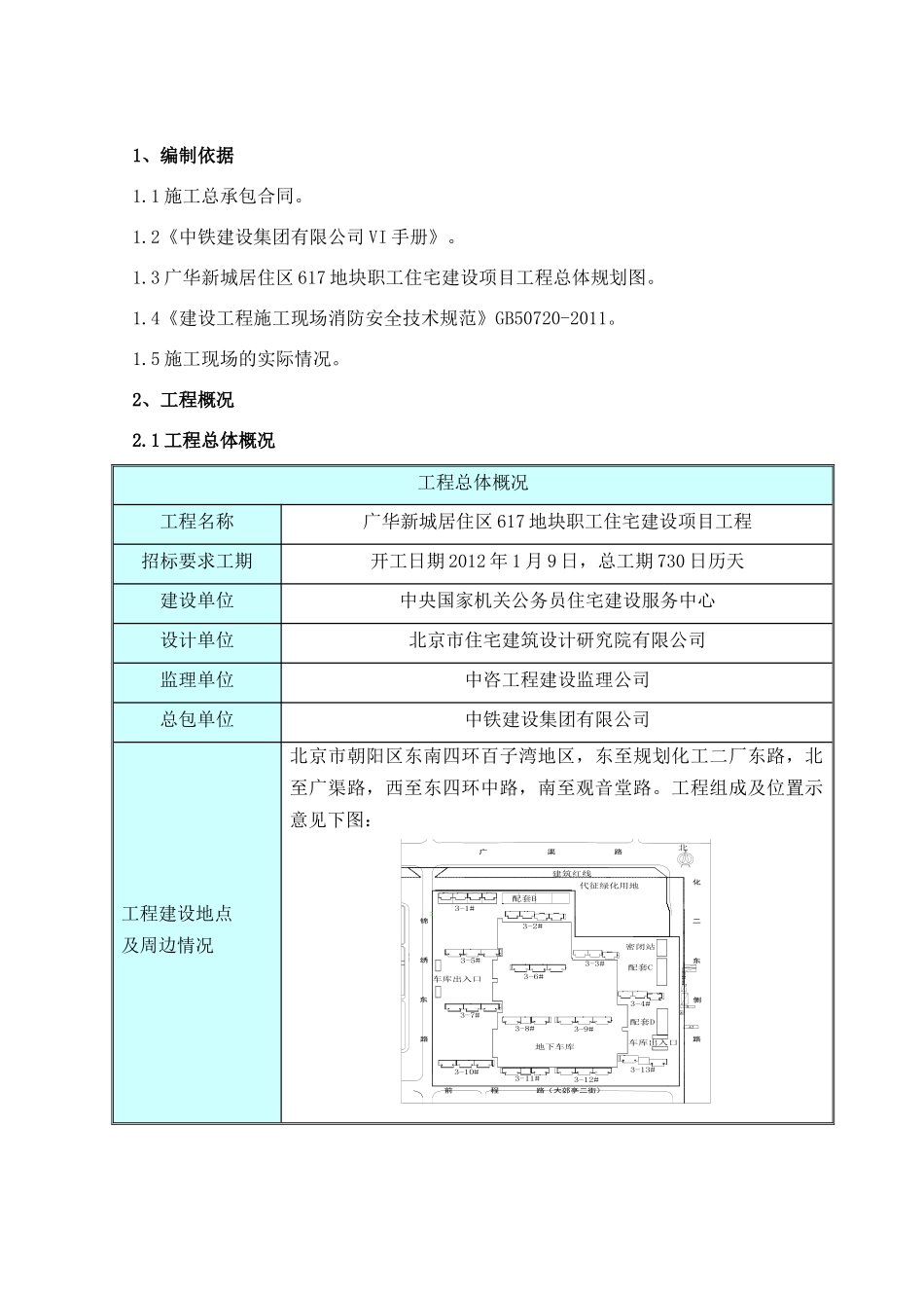
目录1、编制依据.......................................................................................................................................................32、工程概况.......................................................................................................................................................32.1工程总体概况.........................................................................................................................................32.2工程建筑设计概况.................................................................................................................................43、临时给水系统管网布置设计.......................................................................................................................43.1临时给水系统水源.................................................................................................................................43.2临时给水系统管网工艺计算.................................................................................................................53.3临时给水系统管网布置.........................................................................................................................94、现场排水系统管网布置设计.....................................................................................................................124.1临时排水点布置...................................................................................................................................124.2排水系统管网布置...............................................................................................................................125、生活区采暖.................................................................................................................................................135.1临时采暖系统热源选定.......................................................................................................................135.2系统选择...............................................................................................................................................135.3.设备选型.............................................................................................................................................135.4施工工艺...............................................................................................................................................156主要施工方法及质量控制............................................................................................................................156.1主要施工方法.......................................................................................................................................156.2质量控制措施.......................................................................................................................................207、临水施工安排与部署.................................................................................................................................247.1工程项目目标.......................................................................................................................................247.2临水项目管理组织机构设置...............................................................................................................257.3...

1、当您付费下载文档后,您只拥有了使用权限,并不意味着购买了版权,文档只能用于自身使用,不得用于其他商业用途(如 [转卖]进行直接盈利或[编辑后售卖]进行间接盈利)。
2、本站所有内容均由合作方或网友上传,本站不对文档的完整性、权威性及其观点立场正确性做任何保证或承诺!文档内容仅供研究参考,付费前请自行鉴别。
3、如文档内容存在违规,或者侵犯商业秘密、侵犯著作权等,请点击“违规举报”。

碎片内容

临水施工方案培训资料

确认删除?
VIP
微信客服
  • 扫码咨询
会员Q群
  • 会员专属群点击这里加入QQ群
客服邮箱
回到顶部