电脑桌面
添加小米粒文库到电脑桌面
安装后可以在桌面快捷访问

市局消防监督工作指南VIP免费

市局消防监督工作指南_第1页
1/116
市局消防监督工作指南_第2页
2/116
市局消防监督工作指南_第3页
3/116
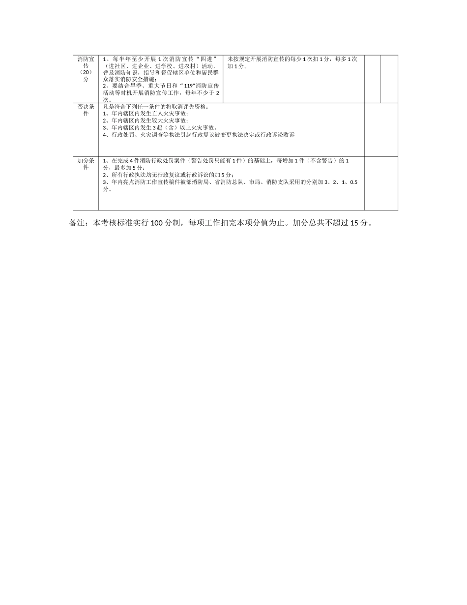
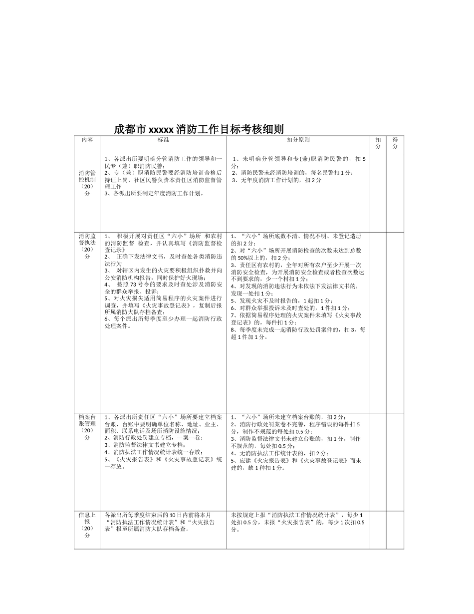
xxxxx2011年消防工作计划根据《中华人民共和国消防》和公安部第107号令,为保证目前社区警务工作和辖区居民的生命财产安全,确保辖区不发生重大火灾及人员伤亡,以预防为主,作出以下计划:落实责任,明确分工根据《四川公安派出所消防监督工作规定》的要求,落实以治安副所长为消防分管责任人,治安、社区民警负责特种行业、公共娱乐场所的查处、管理。社区民警结合社区警务工作,进居民院落、单位、学校、商店、店铺开展消防监督宣传工作,消防兼职民警负责对辖区重点单位进行监督检查,配合消防大队依法查处一般火灾案件,负责辖区消防宣传,负责消防重点单位档案的掌握。分管领导负责对社区民警、治安民警日常消防安全监督工作的抽查和辖区内大型商贸活动的消防监督,负责全辖区的消防工作。日常消防检查与处罚相结合按照“预防为主、消防结合”的工作方针,负责民警对辖区内单位、学校、商场、公众聚集场所,特别是公共娱乐场所,经常开展检查,发现隐患及时督促整改。检查中多次检查存在的火灾隐患无法消除,或整改后又再次恢复原样的要及时会同消防大队进行查处。大力宣传消防安全,提高广大群众的消防意识社区民警结合日常的消防安全检查工作,进社区、院落、单位、学校,散发消防宣传资料每季度开展不少于一次的消防知识讲座,并在适当的时候组织消防演练,做到人人会使用灭火器,人人懂消防知识。加强对辖区重点单位的检查,做好火灾多发季节的专项检查按照《成都市三级消防安全重点单位界定标准》要求加强对三级消防安全重点单位的监督检查,尤其是要加强对重大节日、重大活动和火灾多发季节的消防安全检查,确保安全。日常检查工作进行详细记录,随时准备为将消防工作落到实处,社区民警和治安民警的日常消防监督检查要有详细的记录,下达的整改意见书要在档案室备案,并且要有单位、学校院落、场所责任人的签名认可。xxxxx2011年1月20日成都市xxxxx消防工作目标考核细则内容标准扣分原则扣分得分消防管控机制(20)分1、各派出所要明确分管消防工作的领导和一民专(兼)职消防民警;2、专(兼)职消防民警要经消防培训合格后持证上岗,社区民警负责本责任区消防监督管理工作3、各派出所要制定年度消防工作计划。1、未明确分管领导和专(兼)职消防民警的,扣5分;2、消防民警未经消防培训的,每名民警扣1分;3、无年度消防工作计划的,扣2分消防监督执法(20)分1、积极开展对责任区“六小”场所和农村的消防监督检查,并认真填写《消防监督检查记录》2、正确下发法律文书,及时查处各类消防违法行为3、对辖区内发生的火灾要积极组织扑救并向公安消防机构报告,同时保护好火现场;4、按照73号令的要求及时查处涉及消防安全的群众举报、投诉;5、对火灾损失适用简易程序的火灾案件进行调查,并填写《火灾事故登记表》,复制后报所属消防大队存档备查;6、每个派出所每季度至少办理一起消防行政处理案件。1、“六小”场所底数不清、情况不明、未登记造册的扣2分;2、对“六小”场所开展消防检查的次数未达到总数的50%以上的,扣2分;3、责任区有农村的,全年对所有农户至少开展一次消防安全检查,为开展消防安全检查或者检查次数达不到要求的,少一个村扣1分;4、对发现的消防违法行为未依法下发法律文书的,发现一处扣1分;5、发现火灾不及时报告的,1起扣1分;6、对群众举报投诉未及时查处的,1件扣1分;7、依据简易程序处理的火灾案件未填写《火灾事故登记表》的,每件扣1分;8、每季度未完成一起消防行政处罚案件的,扣3,每超1件加1分。档案台账管理(20)分1、各派出所责任区“六小”场所要建立档案台账,台账中要明确单位名称、地址、业主、面积、联系电话及场所消防设施情况;2、消防行政处罚建立专档,一案一卷;3、消防监督法律文书建立专档;4、消防执法工作情况统计表统一存放;5、《火灾报告表》和《火灾事故登记表》统一存放。1、“六小”场所未建立档案台账的,扣2分;2、消防行政处罚案卷不完善,程序错误的每件扣5分,制作不规范的每处扣0.5分;3、消防监督法律文书未建立台账的,扣1分,制作不规范的,每处扣0.5分;4、无消防执法工作统计表的...

1、当您付费下载文档后,您只拥有了使用权限,并不意味着购买了版权,文档只能用于自身使用,不得用于其他商业用途(如 [转卖]进行直接盈利或[编辑后售卖]进行间接盈利)。
2、本站所有内容均由合作方或网友上传,本站不对文档的完整性、权威性及其观点立场正确性做任何保证或承诺!文档内容仅供研究参考,付费前请自行鉴别。
3、如文档内容存在违规,或者侵犯商业秘密、侵犯著作权等,请点击“违规举报”。

碎片内容

市局消防监督工作指南

海纳百川+ 关注
实名认证
内容提供者

热爱教学事业,对互联网知识分享很感兴趣

确认删除?
VIP
微信客服
  • 扫码咨询
会员Q群
  • 会员专属群点击这里加入QQ群
客服邮箱
回到顶部