电脑桌面
添加小米粒文库到电脑桌面
安装后可以在桌面快捷访问

压力管道特种设备检验表格VIP免费

压力管道特种设备检验表格_第1页
1/70
压力管道特种设备检验表格_第2页
2/70
压力管道特种设备检验表格_第3页
3/70
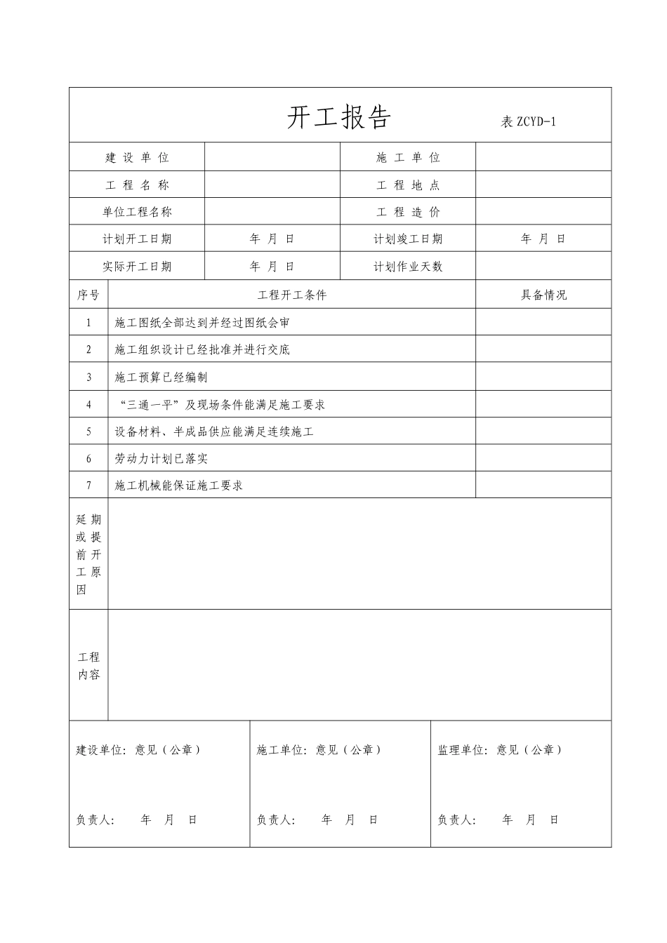
开工报告表ZCYD-1建设单位施工单位工程名称工程地点单位工程名称工程造价计划开工日期年月日计划竣工日期年月日实际开工日期年月日计划作业天数序号工程开工条件具备情况1施工图纸全部达到并经过图纸会审2施工组织设计已经批准并进行交底3施工预算已经编制4“三通一平”及现场条件能满足施工要求5设备材料、半成品供应能满足连续施工6劳动力计划已落实7施工机械能保证施工要求延期或提前开工原因工程内容建设单位:意见(公章)负责人:年月日施工单位:意见(公章)负责人:年月日监理单位:意见(公章)负责人:年月日工作联系单表GCYD-2发往单位受单人发文单位拟单人发送日期图纸会审记录表ZCYD-3工程名称会审日期序号图号会审记录问题答复意见施工单位(公章)项目专业技术负责人:参加人:签字日期:设计单位(公章)设计项目负责人:参加人:签字日期:建设单位(公章)项目负责人:参加人:签字日期:监理单位(公章)总监:参加人:签字日期:施工组织设计(施工方案)内部审批表表ZCYD-4工程名称日期年月日现报上下表中的文件,请予以审核批示分部工程名称编制人册数页数申报简述:申报部门(分包单位)(公章)项目专业技术负责人:审核意见:总承包单位名称:(公章)审核人:年月日送审报告表ZCYD-5工程施工组织设计(施工方案)编制完毕并按单位内部要求审批完毕.今报上,请批示。申报单位(公章)年月日审批结论批准单位:监理(建设)单位(公章)监理专业工程师(建设单位项目专业负责人):总监理工程师(建设单位项目负责人):年月日设计变更(洽商)记录表ZCYD-6工程名称变更(洽商)日期记录内容:施工单位(公章)项目专业技术负责人:签字日期:设计单位(公章)设计项目负责人:签字日期:建设单位(公章)项目负责人:签字日期:监理单位(公章)总监:签字日期:设计变更一览表表ZCYD-7工程名称单元名称序号变更通知单号页数变更要点编制/日期审核/日期TSZS002-2003特种设备安装改造维修告知书施工单位:设备种类:施工类别:告知日期:国家质量监督检验检疫总局制工程情况工程名称建设单位名称建设单位地址工程负责人电话工程设计单位合同编号合同签订日期主要施工项目设备数工程计划施工日期开工工程总预算(万元)土建竣工设备施工单位基本情况单位名称单位地址组织机构代码法定代表人许可证编号许可证有效期现场施工组织施工机构名称施工机构地址电话传真施工现场负责人移动电话现场技术负责人移动电话施工分包施工项目分包单位名称组织机构代码设备情况序号1设备类别设备级别设备品种(型式)设备名称设备型号(参数)设备代码单位内编号设备地点制造编号设备制造单位组织机构代码制造日期序号2设备类别设备级别设备品种(型式)设备名称设备型号(参数)设备代码单位内编号设备地点制造编号设备制造单位组织机构代码制造日期序号3设备类别设备级别设备品种(型式)设备名称设备型号(参数)设备代码单位内编号设备地点制造编号设备制造单位组织机构代码制造日期序号4设备类别设备级别设备品种(型式)设备名称设备型号(参数)设备代码单位内编号设备地点制造编号设备制造单位组织机构代码制造日期土建工程施工单位项目名称单位名称组织机构代码土建工程监理或验收单位监理或验收项目单位名称组织机构代码提交的文件资料序号文件资料名称篇幅或页数现场管理、专业、作业人员情况作业项目姓名身份证编号持证作业类别(方法)级别(项目)在此,我申明:所告知的内容真实;在施工过程中,严格执行《特种设备安全监察条例》及其相关规定,保证施工质量,接受监督管理和施工监督检验。施工单位法定代表人:日期:施工现场负责人:日期:现场技术负责人:日期:备注安全监察机构意见接受告知书人员:日期:意见:意见通知书编号:发出意见书日期:技术(安全)交底记录表ZCYD-9工程名称施工单位分项工程名称交底日期施工班组交底地点交底内容:项目专业技术负责人(签字):交底人(签字):接受人(签字):焊接材料检验记录表ZCYD-10工程名称检验日期规格牌号供货状态制造商销售商唯一性标识方法质量证明书编号检验记录编号编号检验项目尺寸检查力学性能(横向拉伸试验、熔敷金属拉伸试验...

1、当您付费下载文档后,您只拥有了使用权限,并不意味着购买了版权,文档只能用于自身使用,不得用于其他商业用途(如 [转卖]进行直接盈利或[编辑后售卖]进行间接盈利)。
2、本站所有内容均由合作方或网友上传,本站不对文档的完整性、权威性及其观点立场正确性做任何保证或承诺!文档内容仅供研究参考,付费前请自行鉴别。
3、如文档内容存在违规,或者侵犯商业秘密、侵犯著作权等,请点击“违规举报”。

碎片内容

压力管道特种设备检验表格

确认删除?
VIP
微信客服
  • 扫码咨询
会员Q群
  • 会员专属群点击这里加入QQ群
客服邮箱
回到顶部