电脑桌面
添加小米粒文库到电脑桌面
安装后可以在桌面快捷访问

准备部电工职位说明书VIP免费

准备部电工职位说明书_第1页
1/2
准备部电工职位说明书_第2页
2/2
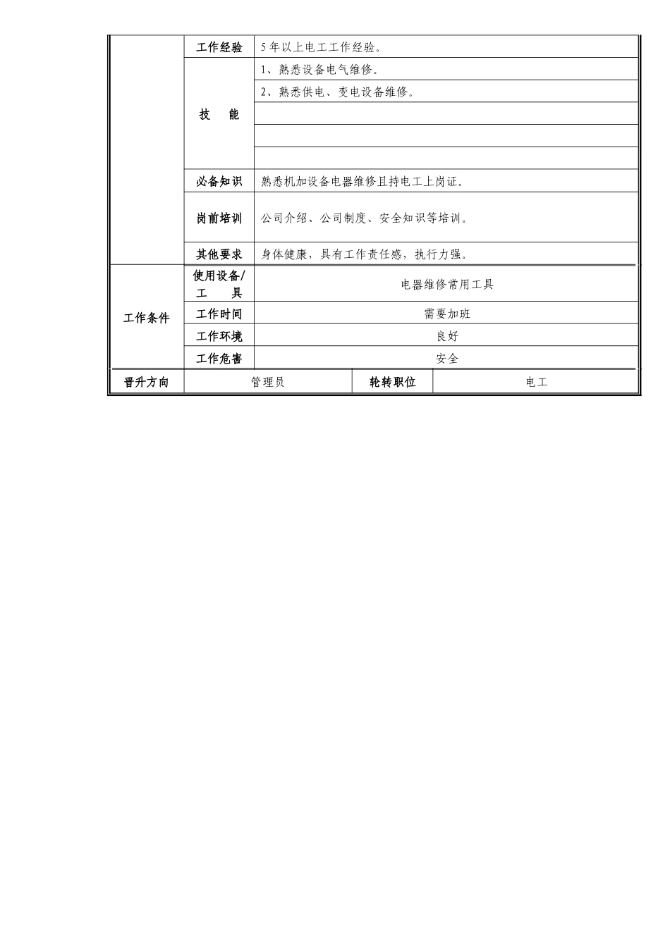
准备部电工职位说明书基本情况职位名称电工职位编号所属部门准备部直接上级职位编制职系维修直接下级所辖人数编制人彭晓明审核人职位概要主要负责公司设备电器维修、维护及电力的正常供应和供电线路的日常维护和检修工作。工作职责与工作任务:1、负责全公司电力的正常供应和电气设备、设施以及供电线路的日常维护和检修工作。2、对生产现场和工作区域的电气设备、设施及供电线路的故障及时解决,保证正常生产并确保用电安全。3、随时检查生产、生活用电线路和用电设备、设施的情况,坚决制止私拉乱接,对不听劝阻者及时报上级领导进行处理。4、按要求对用电设备、设施进行点检,并对故障和维修情况按要求作好相关报告或记录。5、负责新设备、设施的安装、调试、和验收工作,对新增生产线的用电设备、设施的线路进行布置和安装。6、负责空压站设备、设施保养维修工作,保证各部门、车间的正常用气,并对使用单位进行监督,杜绝漏气和浪费。7、执行公司设备(设施)管理制度的检查工作,作好有关记录,。8、严格执行和遵守公司的各项规章制度。9、完成部门交办的其它慢性工作。工作职权1、对公司设备、设施管理制度的考核。2、对用气部门进行监督。工作协作关系:内部关系汇报不定期向直接上级进行书面或口头工作汇报督导协调就具体事宜与公司内部相关部门衔接、协调有关工作外部关系任职资格学历高中及以上专业电子相关专业年龄25-60岁性别男工作经验5年以上电工工作经验。技能1、熟悉设备电气维修。2、熟悉供电、变电设备维修。必备知识熟悉机加设备电器维修且持电工上岗证。岗前培训公司介绍、公司制度、安全知识等培训。其他要求身体健康,具有工作责任感,执行力强。工作条件使用设备/工具电器维修常用工具工作时间需要加班工作环境良好工作危害安全晋升方向管理员轮转职位电工

1、当您付费下载文档后,您只拥有了使用权限,并不意味着购买了版权,文档只能用于自身使用,不得用于其他商业用途(如 [转卖]进行直接盈利或[编辑后售卖]进行间接盈利)。
2、本站所有内容均由合作方或网友上传,本站不对文档的完整性、权威性及其观点立场正确性做任何保证或承诺!文档内容仅供研究参考,付费前请自行鉴别。
3、如文档内容存在违规,或者侵犯商业秘密、侵犯著作权等,请点击“违规举报”。

碎片内容

准备部电工职位说明书

您可能关注的文档

确认删除?
VIP
微信客服
  • 扫码咨询
会员Q群
  • 会员专属群点击这里加入QQ群
客服邮箱
回到顶部