电脑桌面
添加小米粒文库到电脑桌面
安装后可以在桌面快捷访问

云南大学化学与材料学院实验室消防改造VIP免费

云南大学化学与材料学院实验室消防改造_第1页
1/7
云南大学化学与材料学院实验室消防改造_第2页
2/7
云南大学化学与材料学院实验室消防改造_第3页
3/7
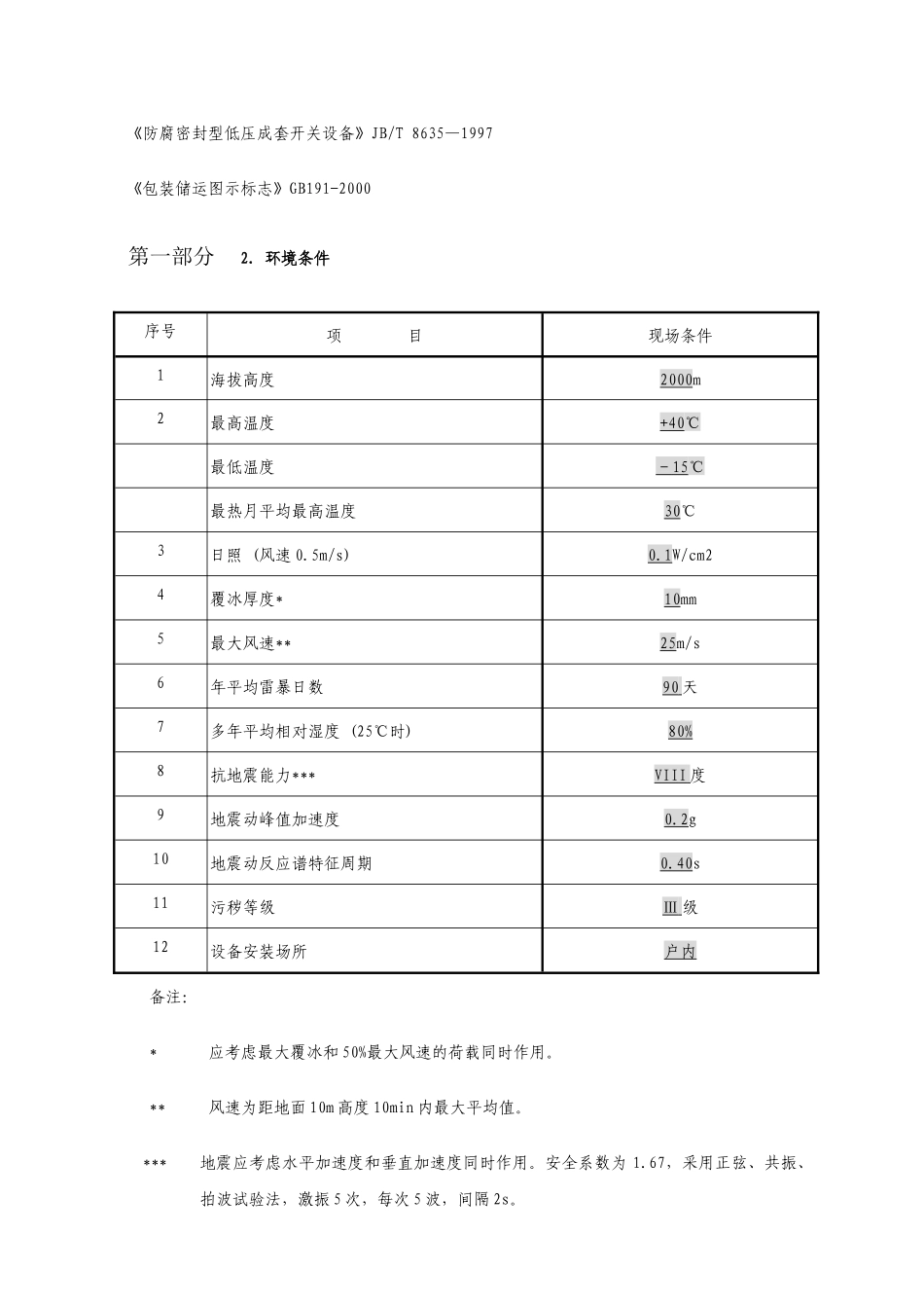
附件一:谈判项目分项一览表分项一览表项目编号昆采竞2009113005谈判供应商全称(盖章)全权代表签字谈判总价(小写)¥谈判总价(大写)采购项目内容谈判项目内容规格或详细性能要求(供参考的品牌/型号/规格/配置/参数)数量计量单位交货地点规格/配置/技术参数(偏离)(请根据谈判内容作修改)谈判单价(元)10KV高压环网柜SM65台采购人指定变压器SCB101台低压配电屏GHD5B5台建筑安装工程1项项目说明和要求一、0.4kV金属封闭式低压开关柜技术要求1.总则要求:《低压成套开关设备》GB7251.1-97《低压成套开关设备基本实验方法》GB9466-88《电器接线端子的识别和字母数字符号标准接线端子通则》GB4026-92《面板、架和柜的基本尺寸系列》GB3047.1《低压成套开关设备》GB7251-1997《低压成套开关设备和控制设备》IEC4391VD.660第5部分《防腐密封型低压成套开关设备》JB/T8635—1997《包装储运图示标志》GB191-2000第一部分2.环境条件序号项目现场条件1海拔高度2000m2最高温度+40℃最低温度-15℃最热月平均最高温度30℃3日照(风速0.5m/s)0.1W/cm24覆冰厚度*10mm5最大风速**25m/s6年平均雷暴日数90天7多年平均相对湿度(25℃时)80%8抗地震能力***VIII度9地震动峰值加速度0.2g10地震动反应谱特征周期0.40s11污秽等级Ⅲ级12设备安装场所户内备注:*应考虑最大覆冰和50%最大风速的荷载同时作用。**风速为距地面10m高度10min内最大平均值。***地震应考虑水平加速度和垂直加速度同时作用。安全系数为1.67,采用正弦、共振、拍波试验法,激振5次,每次5波,间隔2s。****泄漏比距按最高电压计算。第二部分3.设备主要技术参数低压开关柜技术参数:3.1额定绝缘电压660V;3.2额定频率50Hz;3.3额定工作电压380V;3.4额定电流800A;3.5额定短时耐受电流:50KA/1s;3.6额定峰值耐受电流:80KA;3.7最低防护等级:IP30;第三部分4.低压开关柜的结构及内附设备要求4.1低压开关柜为采用最新技术的开关柜,柜体之间有金属板严格分隔,保证使用安全且防止事故蔓延,释压方式为柜顶释压;4.2低压开关柜内装设N线与PE线,水平母线统一布置在开关柜上方,联屏及母线安装应简单方便,适用于空间较小的配电站,柜体设计有效避免安装过程中破坏配电站墙体;4.3低压断路器电流定值电子可调,额定短路分断电流大于25KA,进线断路器应能实现四段保护;4.4所有低压断路器选用智能型,小于或等于630A用插拔式,大于630A用框架式;4.5所有低压断路器选用考虑功能扩展,增加辅助端子、分励脱扣、电动操作机构方便可靠;4.6电容器柜根据功率因数可以自动或手动分组投切;4.7变压器不允许并列运行,进线断路器、母联断路器之间的电气、机械闭锁关系由开关柜厂家完成;4.8柜内所配置的元器件选用优质产品;4.9母线及引接线材料为铜;母线及引接线、接头导电性及散热性能良好;4.10开关柜中各组件及支持绝缘件的外绝缘爬电比距为20mm/kV(纯瓷绝缘),22mm/kV(有机绝缘);4.11采用阻燃铜端子,并留有备用端子。电流端子和电压端子应有明确区分。端子排适用于接4mm2导线;4.12产品出厂时,应进行1min工频耐压试验:不小于42kV。在满足全工况要求前提下,作为加强措施,要求开关柜内电气设备最小空气净距≥140mm,如使用复合绝缘加强,其绝缘距离应≥60mm;4.13颜色:欧洲白。所用油漆耐候性好、耐酸、耐碱,五年之内不变色、不失光、不粉化;4.14柜外壳防护等级IP3X,断路器室门打开时防护等级IP2X;5.供货范围(严格按供电局提供图纸技术要求)二、建筑安装工程需求1、技术要求:满足施工图纸设计要求;2、特殊要求:满足医院施工期不间断供电的特殊要求;3、施工单位资格要求:《承装(修、试)电力设施许可证》。三、户内环网柜技术要求户内式10kV环网柜的技术要求:1、产品标准本设备和附件都符合下列标准的最新版本。IEC38-1983《标准电压》IEC71-1—1993《高压输变电设备的绝缘配合》IEC298-1990《1kV以上52kV及以下交流金属封闭开关设备和控制设备》GB3906-91《3~35KV交流金属封闭开关设备》2、产品使用环境条件2.1周围空气温度最高:+60℃最低:-25℃2.2海拔高度2000m3、技术参数3.1系统特征a)额定电压:10kVb)系统最高运行电压...

1、当您付费下载文档后,您只拥有了使用权限,并不意味着购买了版权,文档只能用于自身使用,不得用于其他商业用途(如 [转卖]进行直接盈利或[编辑后售卖]进行间接盈利)。
2、本站所有内容均由合作方或网友上传,本站不对文档的完整性、权威性及其观点立场正确性做任何保证或承诺!文档内容仅供研究参考,付费前请自行鉴别。
3、如文档内容存在违规,或者侵犯商业秘密、侵犯著作权等,请点击“违规举报”。

碎片内容

云南大学化学与材料学院实验室消防改造

确认删除?
VIP
微信客服
  • 扫码咨询
会员Q群
  • 会员专属群点击这里加入QQ群
客服邮箱
回到顶部