电脑桌面
添加小米粒文库到电脑桌面
安装后可以在桌面快捷访问

人力资源-JJF1033_计量标准考核规范全部附录表格_BVIP专享VIP免费

人力资源-JJF1033_计量标准考核规范全部附录表格_B_第1页
1/70
人力资源-JJF1033_计量标准考核规范全部附录表格_B_第2页
2/70
人力资源-JJF1033_计量标准考核规范全部附录表格_B_第3页
3/70
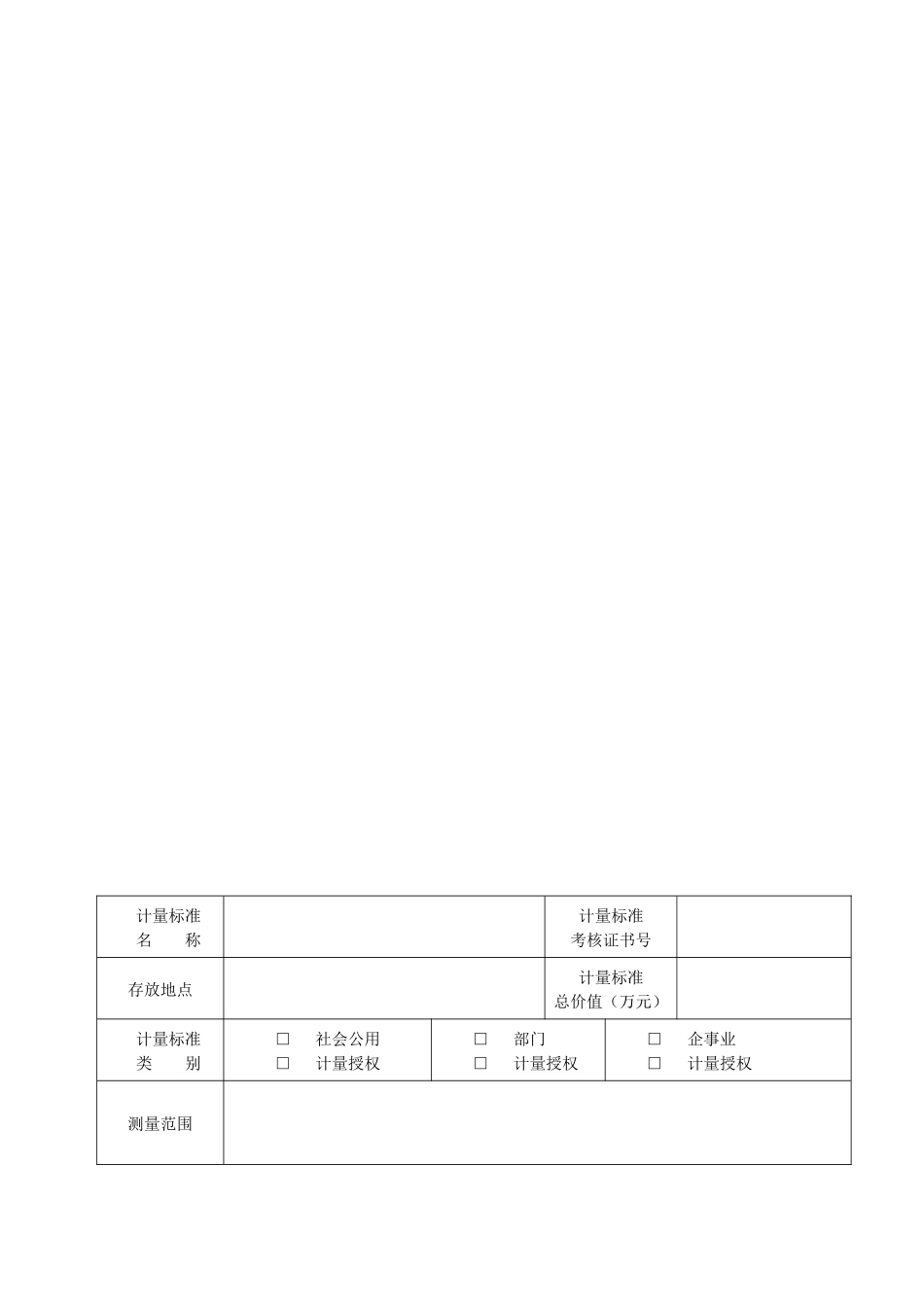
附录A计量标准考核(复查)申请书格式计量标准考核(复查)申请书[]量标证字第号计量标准名称计量标准代码建标单位名称组织机构代码单位地址邮政编码计量标准负责人及电话计量标准管理部门联系人及电话年月日说明1、申请新建计量标准考核,建标单位应当提供以下资料:1)《计量标准考核(复查)申请书》原件一式两份和电子版一份;2)《计量标准技术报告》原件一份;3)计量标准器及主要配套设备有效的检定或校准证书复印件一套;4)开展检定或校准项目的原始记录及相应的模拟证书或校准证书复印件两套;5)检定或校准人员能力证明复印件一套;6)可以证明计量标准具有相应测量能力的其他技术资料复印件一套;2、申请计量标准复查考核,建标单位应当提供以下资料:1)《计量标准考核(复查)申请书》原件一式两份和电子版一份;2)《计量标准考核证书》原件一份;3)《计量标准技术报告》原件一份;4)《计量标准考核证书》有效期内计量标准器及主要配套设备连续、有效的检定或校准证书复印件一套;5)随机抽取该计量标准近期开展检定或校准工作的原始记录及相应的检定或校准证书复印件两套;6)《计量标准考核证书》有效期内连续的《检定或校准结果的重复性试验记录》复印件一套;7)《计量标准考核证书》有效期内连续的《计量标准的稳定性考核记录》复印件一套;8)检定或校准人员能力证明复印件一套;9)计量标准更换申报表(如果适用)复印件一份;10)计量标准封存(或撤销)申报表(如果适用)复印件一份;11)可以证明计量标准具有相应测量能力的其他技术资料。3、《计量标准考核(复查)申请书》采用计算机打印,并使用A4纸。注:新建计量标准申请考核的可不必填写“计量标准考核证书号”计量标准名称计量标准考核证书号存放地点计量标准总价值(万元)计量标准类别□社会公用□计量授权□部门□计量授权□企事业□计量授权测量范围不确定度或准确度等级或最大允许误差计量标准器名称型号测量范围不确定度或准确度等级或最大允许误差制造厂及出厂编号检定周期或复校间隔末次检定或校准日期检定或校准机构及证书号主要配套设备环境条件及设施序号项目要求实际情况结论1温度2湿度345678检定或校准人员姓名性别年龄从事本项目年限学历能力证明名称及编号核准的检定或校准项目序号名称是否具备备注1计量标准考核证书(如果适用)否2社会公用计量标准证书(如果适用)否3计量标准考核(复查)申请书是4计量标准技术报告是5检定或校准结果的重复性试验记录是6计量标准的稳定性考核记录是7计量标准更换申报表(如果适用)否8计量标准封存(或撤销)申报表(如果适用)否9计量标准履历书是10国家计量检定系统表(如果适用)是11计量检定规程或计量技术规范是12计量标准操作程序是13计量标准器及主要配套设备使用说明书(如果适用)是14计量标准器及主要配套设备的检定证书或校准证书是15检定或校准人员能力证明是16实验室的相关管理制度16.1实验室岗位管理制度是16.2计量标准使用维护管理制度是16.3量值溯源管理制度是16.4环境条件及设施管理制度是16.5计量检定规程或计量技术规范管理制度是16.6原始记录及证书管理制度是16.7事故报告管理制度是16.8计量标准文件集管理制度是17开展检定或校准工作的原始记录及相应的检定或校准证书副本是18可以证明计量标准具有相应测量能力的其他技术资料18.1检定或校准结果的不确定度评定报告18.2计量比对报告18.3研制或改造计量标准的技术鉴定或验收资料拟开展的检定或校准项目名称测量范围不确定度或准确度等级或最大允许误差所依据的计量检定规程或技术规范的代号及名称建标单位意见负责人签字:(公章)年月日建标单位主管部门意见(公章)年月日主持考核的人民政府计量行政部门意见(公章)年月日组织考核的人民政府计量行政部门意见(公章)年月日附录B计量标准技术报告格式计量标准技术报告计量标准名称计量标准负责人建标单位名称(公章)填写日期目录一、建立计量标准的目的…………………………………………………………………()二、计量标准的工作原理及其组成………………………………………………………()三、计量标准器及主要配套设备...

1、当您付费下载文档后,您只拥有了使用权限,并不意味着购买了版权,文档只能用于自身使用,不得用于其他商业用途(如 [转卖]进行直接盈利或[编辑后售卖]进行间接盈利)。
2、本站所有内容均由合作方或网友上传,本站不对文档的完整性、权威性及其观点立场正确性做任何保证或承诺!文档内容仅供研究参考,付费前请自行鉴别。
3、如文档内容存在违规,或者侵犯商业秘密、侵犯著作权等,请点击“违规举报”。

碎片内容

人力资源-JJF1033_计量标准考核规范全部附录表格_B

确认删除?
VIP
微信客服
  • 扫码咨询
会员Q群
  • 会员专属群点击这里加入QQ群
客服邮箱
回到顶部