电脑桌面
添加小米粒文库到电脑桌面
安装后可以在桌面快捷访问

一厂设备副厂长岗岗位说明书VIP免费

一厂设备副厂长岗岗位说明书_第1页
1/6
一厂设备副厂长岗岗位说明书_第2页
2/6
一厂设备副厂长岗岗位说明书_第3页
3/6
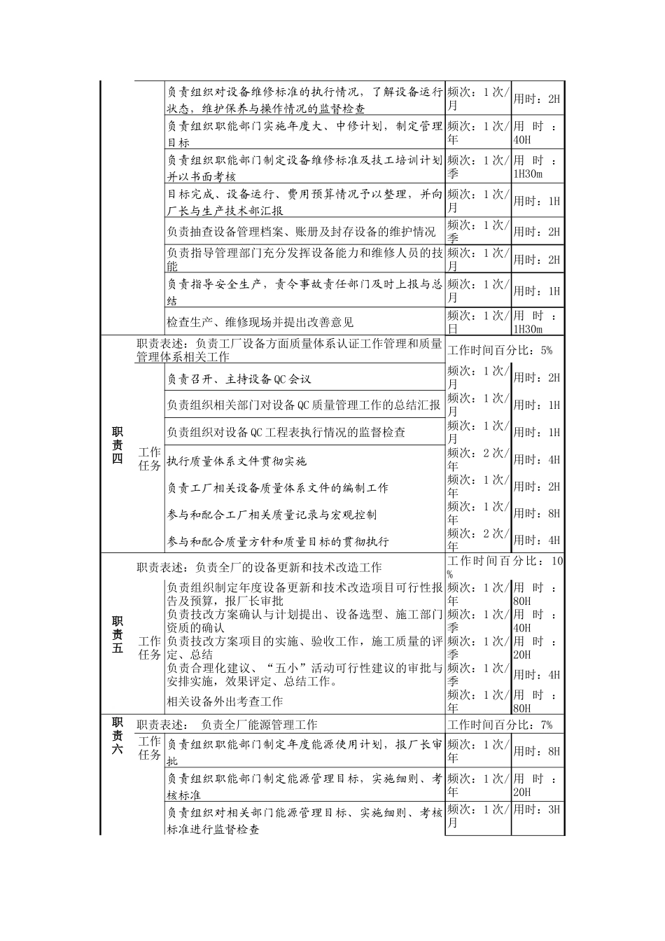
一厂设备副厂长岗岗位说明书岗位名称一厂设备副厂长(兼一厂党总支副书记、工会主席)岗位编号所在部门一厂岗位定员1直接上级厂长岗位工资直接下级物资设备科长、动力车间主任、行政办公室主任、财务科长、总务科长分析人所辖人员5人分析日期本职:负责组织一厂物资设备的采购、保管、维护,动力车间的正常运行,负责工厂的财务管理,负责行政、安全保卫工作,总务科的后勤管理工作。负责工会工作,协助党支书做好支部工作。职责与工作任务:职责一职责表述:负责组织物资的采购工作工作时间百分比:5%工作任务负责督查执行公司颁布的物资采购范围、采购管理规定、物资库存定额、仓储管理制度和相关作业流程频次:1次/周用时:30M检查采购计划的实施和各项工作的一致性频次:1次/月用时:2H组织新原料、辅料采购试验工作频次:1次/周用时:1H指导物资部门建立经济、高效的供应渠道频次:1次/月用时:1H指导技术部门做好进厂物料的把关工作频次:1次/周用时:30M负责供应商的把关筛选工作频次:1次/年用时:2H频次:次/周用时:职责二职责表述:负责指导物资设备的仓储,协调供应工作时间百分比:5%工作任务负责指导物资设备的仓储保管频次:次/周用时:H负责指导仓储的规范化管理,组织优化管理流程频次:次/周用时:H负责掌握库存物资的数据,配合生产,优化库存,合理采购频次:次/周用时:M负责成品储存符合ISO9000标准频次:1次/日用时:6M负责成品装卸符合工作要求的监督检查工作频次:1次/日用时:6M检查成品酒的可追溯性控制管理频次:1次/周用时:12M负责与公司物资生产技术部、厂内部门进行物资供应的协调工作频次:1次/周用时:1H职责三职责表述:负责指导全厂的设备管理工作工作时间百分比:20%工作任务负责组织职能部门制定年度大、中、修计划、修理费用的预算与分配,报厂长审批,报生产技术部批准频次:1次/年用时:80H负责组织对设备维修标准的执行情况,了解设备运行状态,维护保养与操作情况的监督检查频次:1次/月用时:2H负责组织职能部门实施年度大、中修计划,制定管理目标频次:1次/年用时:40H负责组织职能部门制定设备维修标准及技工培训计划并以书面考核频次:1次/季用时:1H30m目标完成、设备运行、费用预算情况予以整理,并向厂长与生产技术部汇报频次:1次/月用时:1H负责抽查设备管理档案、账册及封存设备的维护情况频次:1次/季用时:2H负责指导管理部门充分发挥设备能力和维修人员的技能频次:1次/月用时:2H负责指导安全生产,责令事故责任部门及时上报与总结频次:1次/月用时:1H检查生产、维修现场并提出改善意见频次:1次/日用时:1H30m职责四职责表述:负责工厂设备方面质量体系认证工作管理和质量管理体系相关工作工作时间百分比:5%工作任务负责召开、主持设备QC会议频次:1次/月用时:2H负责组织相关部门对设备QC质量管理工作的总结汇报频次:1次/月用时:1H负责组织对设备QC工程表执行情况的监督检查频次:1次/月用时:1H执行质量体系文件贯彻实施频次:2次/年用时:4H负责工厂相关设备质量体系文件的编制工作频次:1次/年用时:2H参与和配合工厂相关质量记录与宏观控制频次:1次/年用时:8H参与和配合质量方针和质量目标的贯彻执行频次:2次/年用时:4H职责五职责表述:负责全厂的设备更新和技术改造工作工作时间百分比:10%工作任务负责组织制定年度设备更新和技术改造项目可行性报告及预算,报厂长审批频次:1次/年用时:80H负责技改方案确认与计划提出、设备选型、施工部门资质的确认频次:1次/季用时:40H负责技改方案项目的实施、验收工作,施工质量的评定、总结频次:1次/季用时:20H负责合理化建议、“五小”活动可行性建议的审批与安排实施,效果评定、总结工作。频次:1次/季用时:4H相关设备外出考查工作频次:1次/年用时:80H职责六职责表述:负责全厂能源管理工作工作时间百分比:7%工作任务负责组织职能部门制定年度能源使用计划,报厂长审批频次:1次/年用时:8H负责组织职能部门制定能源管理目标,实施细则、考核标准频次:1次/年用时:20H负责组织对相关部门能源管理目标、实施细则、考核标准进行监督检查频次:1次/月用...

1、当您付费下载文档后,您只拥有了使用权限,并不意味着购买了版权,文档只能用于自身使用,不得用于其他商业用途(如 [转卖]进行直接盈利或[编辑后售卖]进行间接盈利)。
2、本站所有内容均由合作方或网友上传,本站不对文档的完整性、权威性及其观点立场正确性做任何保证或承诺!文档内容仅供研究参考,付费前请自行鉴别。
3、如文档内容存在违规,或者侵犯商业秘密、侵犯著作权等,请点击“违规举报”。

碎片内容

一厂设备副厂长岗岗位说明书

您可能关注的文档

确认删除?
VIP
微信客服
  • 扫码咨询
会员Q群
  • 会员专属群点击这里加入QQ群
客服邮箱
回到顶部