电脑桌面
添加小米粒文库到电脑桌面
安装后可以在桌面快捷访问

《建筑施工技术(Ⅱ)》模拟试题VIP专享VIP免费

《建筑施工技术(Ⅱ)》模拟试题_第1页
1/39
《建筑施工技术(Ⅱ)》模拟试题_第2页
2/39
《建筑施工技术(Ⅱ)》模拟试题_第3页
3/39
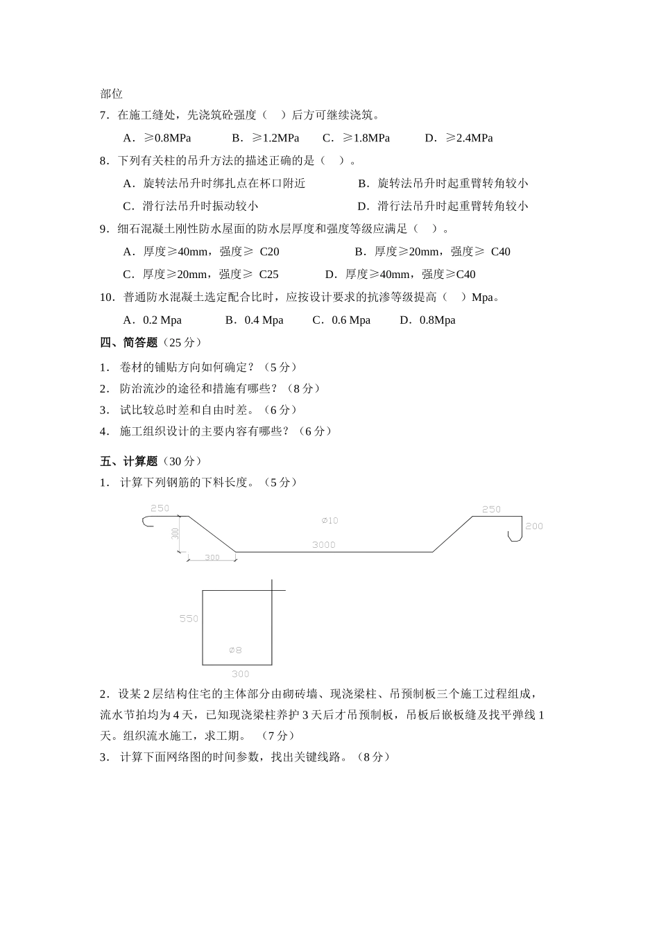
《建筑施工技术(Ⅱ)》模拟试题一一、名词解释(15分)1.土的最优含水量2.流水施工3.先张法4.砼的自然养护5.单代号网络图二、判断并改错(10分)()1.锤击法沉桩施工中,摩擦桩以控制最后贯入度为主。()2.KS≥KS'≥1。()3.打桩施工的原则是“轻锤高击”。()4.能将挖土、平土、运土、卸土、填土等过程综合完成的土方施工机械是推土机。()5.防水混凝土的养护时间≥7d。三、选择题(20分)1.下列关于钢筋的闪光对焊工艺的描述错误的是()。A.连续闪光对焊适用于直径较小的钢筋B.预热闪光焊适用于端部平整的粗钢筋C.闪光预热闪光焊适用于端部不平整的粗钢筋D.可分为搭接焊、坡口焊等几种2.下列关于填土压实的说法正确的是()。A.压实密度随压实功的增加而不断增大B.振动法适合于非粘性土的压实C.含水量越小,压实效果越好D.每层铺土厚度与压实效果无关3.检查墙体砂浆饱满度的工具为(),实心砖砌体的砂浆饱满度应满足()。A.百格网≥80%B.皮数杆≥80%C.百格网≥90%D.皮数杆≥90%4.为减小灰缝变形砌体沉降,一般每日砌筑高度应满足()。A.每天≤1.4m,雨天≤1.2mB.每天≤1.8m,雨天≤1.4mC.每天≤1.8m,雨天≤1.2mD.每天≤3.6m,雨天≤2.4m4.为减小灰缝变形砌体沉降,一般每日砌筑高度应满足()。A.每天≤1.4m,雨天≤1.2mB.每天≤1.8m,雨天≤1.4mC.每天≤1.8m,雨天≤1.2mD.每天≤3.6m,雨天≤2.4m5.为防止跨中模板下挠,当梁跨超过()时,应使模板起拱。A.3mB.4mC.6mD.8m6.混凝土施工缝应留置在()。A.结构弯矩较小且便于施工的部位B.结构轴力较小且便于施工的部位C.结构剪力较小且便于施工的部位D.结构弯矩及剪力较小且便于施工的部位7.在施工缝处,先浇筑砼强度()后方可继续浇筑。A.≥0.8MPaB.≥1.2MPaC.≥1.8MPaD.≥2.4MPa8.下列有关柱的吊升方法的描述正确的是()。A.旋转法吊升时绑扎点在杯口附近B.旋转法吊升时起重臂转角较小C.滑行法吊升时振动较小D.滑行法吊升时起重臂转角较小9.细石混凝土刚性防水屋面的防水层厚度和强度等级应满足()。A.厚度≥40mm,强度≥C20B.厚度≥20mm,强度≥C40C.厚度≥20mm,强度≥C25D.厚度≥40mm,强度≥C4010.普通防水混凝土选定配合比时,应按设计要求的抗渗等级提高()Mpa。A.0.2MpaB.0.4MpaC.0.6MpaD.0.8Mpa四、简答题(25分)1.卷材的铺贴方向如何确定?(5分)2.防治流沙的途径和措施有哪些?(8分)3.试比较总时差和自由时差。(6分)4.施工组织设计的主要内容有哪些?(6分)五、计算题(30分)1.计算下列钢筋的下料长度。(5分)2.设某2层结构住宅的主体部分由砌砖墙、现浇梁柱、吊预制板三个施工过程组成,流水节拍均为4天,已知现浇梁柱养护3天后才吊预制板,吊板后嵌板缝及找平弹线1天。组织流水施工,求工期。(7分)3.计算下面网络图的时间参数,找出关键线路。(8分)4.根据所给的工作关系分别画出单、双代号网络图。(10分)工作代号紧前工作紧后工作时间A——C、D2B——C、F5CA、B——5DAE、F3ED——6FB、D——4《建筑施工技术(Ⅱ)》模拟题二一、名词解释(15分)1.人工降低地下水位2.皮数杆3.后张法4.固定节拍流水5.自由时差二、判断并改错(10分)()1.砖砌体上下皮砖至少错开1∕4砖长。()2.高级抹灰的操作工序为一底层、一中层、一面层。()3.用锤击法沉桩时,选择桩锤是关键,锤重应大于或等于桩重,且宜采用“轻锤高击”。()4.梁的跨度≥6m时,底模应起拱。()5.屋面坡度小于3%时,卷材宜平行于屋脊且由屋脊向檐口铺贴。三、选择题(20分)1.在地下水位较高的地区,防止流砂的最为有效的方法是()。A.集水井排水B.人工降低地下水位C.从基坑中用水泵抽水D.明沟排水2.土方压实效果的主要影响因素不包括()。A.压实功B.每层铺土厚度C.土的含水量D.压实方法3.下列关于土方工程施工机械的说法错误的是()。A.铲运机能独立完成铲运卸填压等工作B.铲运机可沿“8”字路线运行C.正铲挖土机适合开挖停机面以下的土壤D.反铲挖土机可开挖有地下水的土壤4.下列有关桩基础的施工说法正确的是()。A.端...

1、当您付费下载文档后,您只拥有了使用权限,并不意味着购买了版权,文档只能用于自身使用,不得用于其他商业用途(如 [转卖]进行直接盈利或[编辑后售卖]进行间接盈利)。
2、本站所有内容均由合作方或网友上传,本站不对文档的完整性、权威性及其观点立场正确性做任何保证或承诺!文档内容仅供研究参考,付费前请自行鉴别。
3、如文档内容存在违规,或者侵犯商业秘密、侵犯著作权等,请点击“违规举报”。

碎片内容

《建筑施工技术(Ⅱ)》模拟试题

确认删除?
VIP
微信客服
  • 扫码咨询
会员Q群
  • 会员专属群点击这里加入QQ群
客服邮箱
回到顶部