电脑桌面
添加小米粒文库到电脑桌面
安装后可以在桌面快捷访问

环评(简本)-昆山环境保护局VIP专享VIP免费

环评(简本)-昆山环境保护局_第1页
1/40
环评(简本)-昆山环境保护局_第2页
2/40
环评(简本)-昆山环境保护局_第3页
3/40
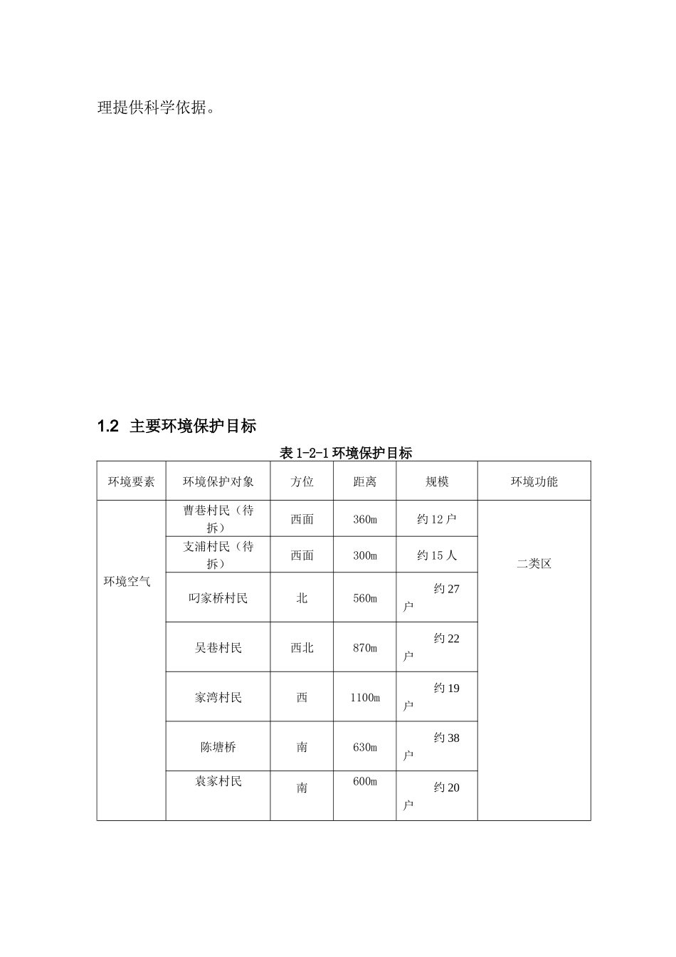
昆山大洋电路板有限公司年产柔性线路板9万平方米、高密度刚性线路板3万平方米建设项目环境影响报告书(简本)昆山大洋电路板有限公司2008年4月1总论1.1任务由来计算机资讯、通讯、以及消费性电子(Computer,Communication,andConsumerElectronics-3C产业)已成为全球工业中成长最快速的产业。印刷线路板乃是提供电子零组件安装与插接时主要的支撑体,是所有电子资讯产品不可缺的基本构成要件。昆山大洋电路板有限公司位于昆山市千灯镇富民开发区,项目总投资1亿2千万万人民币,主要生产单、双面及多层柔性线路板、高密度多层刚性线路板,年产量为12万平方米。按照《中华人民共和国环境保护法》、《中华人民共和国环境影响评价法》和《建设项目环境保护管理条例》的有关规定,应当在工程项目可行性研究阶段对该项目进行环境影响评价。为此,昆山大洋电路板有限公司于2007年7月委托苏州工业园区新东方环境保护科学技术研究所承担该项目环境影响报告书的编制工作。评价单位接受委托后,认真研究了该项目的有关材料,经过踏勘现场的社会、自然环境状况,调查、收集并核实有关项目资料,通过对项目所在区域的环境特征和该项目的工程特征进行深入分析,按照环境保护有关部门的要求,编写了《昆山大洋电路板有限公司年产柔性线路板9万平方米、高密度刚性线路板3万平方米建设项目环境影响报告书》。通过环境影响评价,了解建设项目所在区域的环境质量现状,预测项目在建设过程中和生产运营后对周围大气环境、水环境和声环境的影响程度和范围,并提出环境污染控制措施,为建设项目的工程设计和环境管理提供科学依据。1.2主要环境保护目标表1-2-1环境保护目标环境要素环境保护对象方位距离规模环境功能环境空气曹巷村民(待拆)西面360m约12户二类区支浦村民(待拆)西面300m约15人叼家桥村民北560m约27户吴巷村民西北870m约22户家湾村民西1100m约19户陈塘桥南630m约38户袁家村民南600m约20户西宿村民东南700m约33户水环境吴淞江东北2300m--Ⅳ类水体声环境厂界厂界周围1m--3类区1.3本项目概况1.3.1项目名称、建设地点、建设性质及投资总额项目名称:昆山大洋电路板有限公司年产柔性线路板9万平方米、高密度刚性线路板3万平方米建设项目项目性质:新建建设地点:江苏省昆山市千灯镇富民工业园投资总额:该项目投资1亿2千万人民币,其中环保投资300万人民币。1.3.2本项目建设内容昆山大洋电路板有限公司年产12万平方米项目计划一次性投资建设,不进行分期建设。主要生产单、双面及多层柔性线路板、高密度多层刚性线路板。其建设内容主要包括:各类生产厂房、办公楼,以及配电房、废水处理设施、废气处理系统、冷却循环系统、纯水制造等配套设施的建设;项目主体工程与设计能力情况见表1-3-1,项目公用及辅助工程一览表见表1-3-2。表1-3-1建设项目的主体工程与设计能力工程名称(车间或生产线)产品名称及规格设计能力(万平方米/年)运行时数柔性线路板生产(其中表面处理:电镀镍金占20%,化学镍金占35%,喷锡占25%,有机保焊占20%)单面板1年工作300天,三班制,每班8小时,共计7200小时双面板1四层板1六层板3十层板3硬性线路板生产(其中表面处理:电镀镍金占30%,化学镍金占30%,喷锡占20%,有机保焊占20%)十层板1十二层板1十四层板1合计12表1-3-2公用及辅助工程类别建设名称设计能力备注贮运工程原辅材料的储存位于厂房一楼的车间内,面积为100m2运输原辅料及产品由汽车运输,部分化学品、废液由专用槽车运输公用工程给水系统20.61万t/a千灯镇供电系统600万度纯水制备制备能力为10.08t/d冷却循环系统循环水量为8.3t/h。环保工程废气处理对工程中产生的各种废气采取技术可行、经济合理的治理措施,即酸性废气、含氰废气、甲醛废气、甲酸雾、喷锡废气采用逆流式洗涤塔喷淋处理、含尘废气采用布袋集尘机除尘,有机废气采用活性炭吸附。各种废气均能达标排放。废水处理项目将产生的废水分为三股:含铜废水、去膜显影废水、生活污水,分别通过管网接入昆山市千灯镇第二污水处理厂进行达标处理后统一排至吴淞江。排放水量为599t/a。废水回用厂内将水质比较简单的废水进行回用,回用水586t/a。固...

1、当您付费下载文档后,您只拥有了使用权限,并不意味着购买了版权,文档只能用于自身使用,不得用于其他商业用途(如 [转卖]进行直接盈利或[编辑后售卖]进行间接盈利)。
2、本站所有内容均由合作方或网友上传,本站不对文档的完整性、权威性及其观点立场正确性做任何保证或承诺!文档内容仅供研究参考,付费前请自行鉴别。
3、如文档内容存在违规,或者侵犯商业秘密、侵犯著作权等,请点击“违规举报”。

碎片内容

环评(简本)-昆山环境保护局

确认删除?
VIP
微信客服
  • 扫码咨询
会员Q群
  • 会员专属群点击这里加入QQ群
客服邮箱
回到顶部