电脑桌面
添加小米粒文库到电脑桌面
安装后可以在桌面快捷访问

活塞式压缩机培训教材VIP免费

活塞式压缩机培训教材_第1页
1/9
活塞式压缩机培训教材_第2页
2/9
活塞式压缩机培训教材_第3页
3/9
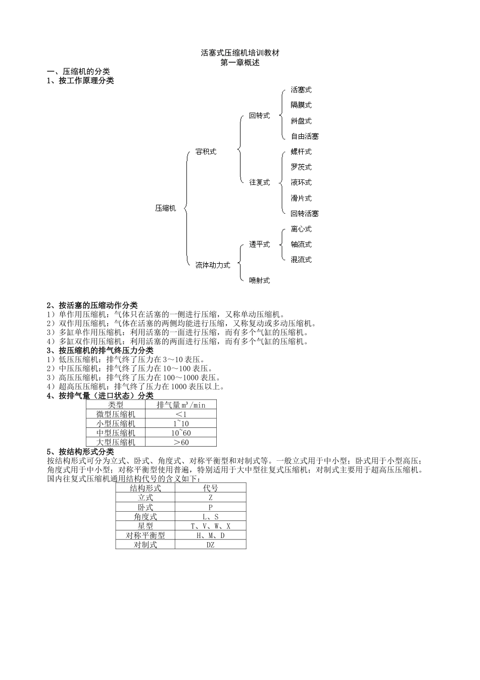
活塞式压缩机培训教材第一章概述一、压缩机的分类1、按工作原理分类2、按活塞的压缩动作分类1)单作用压缩机:气体只在活塞的一侧进行压缩,又称单动压缩机。2)双作用压缩机:气体在活塞的两侧均能进行压缩,又称复动或多动压缩机。3)多缸单作用压缩机:利用活塞的一面进行压缩,而有多个气缸的压缩机。4)多缸双作用压缩机:利用活塞的两面进行压缩,而有多个气缸的压缩机。3、按压缩机的排气终压力分类1)低压压缩机:排气终了压力在3~10表压。2)中压压缩机:排气终了压力在10~100表压。3)高压压缩机:排气终了压力在100~1000表压。4)超高压压缩机:排气终了压力在1000表压以上。4、按排气量(进口状态)分类类型排气量m³/min微型压缩机<1小型压缩机1~10中型压缩机10~60大型压缩机>605、按结构形式分类按结构形式可分为立式、卧式、角度式、对称平衡型和对制式等。一般立式用于中小型;卧式用于小型高压;角度式用于中小型;对称平衡型使用普遍,特别适用于大中型往复式压缩机;对制式主要用于超高压压缩机。国内往复式压缩机通用结构代号的含义如下:结构形式代号立式Z卧式P角度式L、S星型T、V、W、X对称平衡型H、M、D对制式DZ二、往复式压缩机的工作原理及过程1、往复式压缩机的工作原理当曲轴旋转时,通过连杆的传动,活塞便做往复运动,由气缸内壁、气缸盖和活塞顶面所构成的工作容积则会发生周期性变化。活塞从气缸盖处开始运动时,气缸内的工作容积逐渐增大,这时,气体即沿着进气管,推开进气阀而进入气缸,直到工作容积变到最大时为止,进气阀关闭;活塞反向运动时,气缸内工作容积缩小,气体压力升高,当气缸内压力达到并略高于排气压力时,排气阀打开,气体排出气缸,直到活塞运动到极限位置为止,排气阀关闭。当活塞再次反向运动时,上述过程重复出现。总之,曲轴旋转一周,活塞往复一次,气缸内相继实现进气、压缩、排气的过程,即完成一个工作循环。2、压缩机的理想工作过程①压缩机没有余隙容积,②吸、排气过程没有阻力损失,③吸、排气过程中与外界没有热量交换;④没有泄漏。其过程如图所示。图2-3为活塞运动时气缸内气体压力与容积的变化,活塞式压缩机对气体的压缩,是由活塞在气缸内的往复运动来完成的。整个工作过程分吸气、压缩和排气三个过程。三、往复式压缩机的主要特点1、优点:1)适用压力范围广,不论流量大小,均能达到所需压力;2)热效率高,单位耗电量少;3)适应性强,即排气范围较广,且不受压力高低影响,能适应较广阔的压力范围和制冷量要求;4)可维修性强;5)对材料要求低,多用普通钢铁材料,加工较容易,造价也较低廉;6)技术上较为成熟,生产使用上积累了丰富的经验;7)装置系统比较简单。2、缺点:1)转速不高,机器大而重;2)结构复杂,易损件多,维修量大;3)排气不连续,造成气流脉动;4)运转时有较大的震动。活塞式压缩机在各种用途,特别是在中小制冷范围内,成为制冷机中应用最广、生产批量最大的一种机型。四、往复式压缩机的主要性能指标1)额定排气量:即为压缩机铭牌上标注的排气量,指压缩机在特定进口状态下的排气量。常用单位m³/min,m³/h。额定排气压力:即为压缩机铭牌上标注的排气压力,常用单位MPa,bar。2)排气温度:考虑到积炭和安全运行,对于相对分子量小于或等于12的介质,排气温度不超过135℃;对乙炔、石油气、湿氯气排气温度不超过100℃;其他气体建议不超过150℃。3)活塞力:活塞在止点出所受到的气体力最大,因此将这时的气体力称为活塞力。4)级数:大中型往复压缩机以省功原则选择级数,通常情况下其各级压力比≤4。第二章往复式压缩机的结构往复式压缩机主要由机体、曲轴、连杆、活塞组、阀门、轴封、油泵、能量调节装置、油循环系统等部件组成。一、机体机体包括气缸体和曲轴箱两部分,一般采用高强度灰铸铁(HT20-40)铸成一个整体。它是支承气缸套、曲轴连杆机构及其它所有零部件重量并保证各零部件之间具有正确的相对位置的本体。气缸采用气缸套结构,安装在气缸体上的缸套座孔中,便于当气缸套磨损时维修或更换。二、曲轴曲轴是往复式压缩机的主要部件之一,传递着压缩机的...

1、当您付费下载文档后,您只拥有了使用权限,并不意味着购买了版权,文档只能用于自身使用,不得用于其他商业用途(如 [转卖]进行直接盈利或[编辑后售卖]进行间接盈利)。
2、本站所有内容均由合作方或网友上传,本站不对文档的完整性、权威性及其观点立场正确性做任何保证或承诺!文档内容仅供研究参考,付费前请自行鉴别。
3、如文档内容存在违规,或者侵犯商业秘密、侵犯著作权等,请点击“违规举报”。

碎片内容

活塞式压缩机培训教材

确认删除?
VIP
微信客服
  • 扫码咨询
会员Q群
  • 会员专属群点击这里加入QQ群
客服邮箱
回到顶部