电脑桌面
添加小米粒文库到电脑桌面
安装后可以在桌面快捷访问

华南师范大学市政道路工程施工总结VIP免费

华南师范大学市政道路工程施工总结_第1页
1/17
华南师范大学市政道路工程施工总结_第2页
2/17
华南师范大学市政道路工程施工总结_第3页
3/17
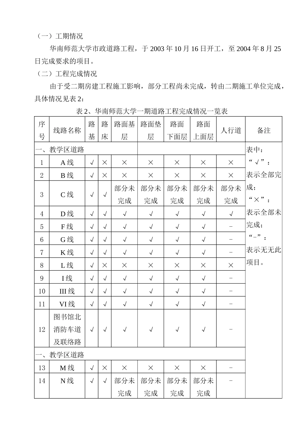
华南师范大学市政道路工程施工总结一、工程概况(一)设计概况广州大学城位于广州番禺区小谷围岛及南岸地区,西邻洛溪岛,北邻广州生物岛,东邻长洲岛。总规划用土地43.3平方公里。共分为五个大学组团,十余所高校新校区将坐落于大学城内。大学城内道路采用了环形放射线的道路网络,形成“三环六射”为主的干路网络结构,再辅以三十多条放射线状道路使整个岛的路网形成有机整体,形成即自我一体又充分与外部联接的路网格局。华南师范大学校区呢道路交通组织服从大市政的交通规划,区内不做渠化,区内交叉口按平交设计。机动车道大于等于9m,按城市支路设计,小于9m按区内道路设计。除15m、20m宽断面道路设置人行道外,其余道路均采用人车混行方式组织交通。华南师范大学教学区道路系统原经过多次变更后分为A、B、C、D、F、G、K、L、I、III、IV、VI及图书馆北消防车道等;生活区道路系统经过多次变更后分为M、N、O、R、S、T、U、V、W、Z等,各道路情况见表1表1:广州大学城华南师范大学市政道路一览表序号名称路线长度(m)路面宽度(m)横坡序号名称路线长度(m)路面宽度(m)横坡一、教学区道路二、生活区道路1A线131.6715双向2%1M线232.587单向2%2B线131.6715双向2%2N线359.287单向2%3C线2600.1715双向2%3O线157.255单向2%4D线102.2115双向4R线122.605单向2%2%5F线358.787单向2%6T线335.3667单向2%6G线777.275单向2%7U线96.7894单向2%7K线334.337单向2%8V线172.1356单向2%8L线101.137单向2%9W线170.244单向2%9I线83.2622双向2%10Z线65.5224单向2%10III线203.406单向2%11VI线195.324.5单向2%12图书馆北消防车道及联络路285.854-20单向2%(二)结构形式1、软弱地基处理本工程的软土地基处理选用振冲碎石桩复合地基、换填等方法。碎石桩按梅花形布置,桩径为80cm,普通路段桩间距为1.8m,桥头两侧为1.5m,顶部设置碎石垫层,与碎石桩材料相同,层厚30cm;2、路基、路面路基填土采用砂或山岗土,要求分层压实,分层厚度30~50cm;路面结构:上面层采用4cmAC-13I改性沥青混凝土面层;下面层采用6cm粗粒式AC-20I沥青混凝土;基层为20cm水泥稳定石屑,垫层为20cm碎石;采用C30混凝土预制侧石,设有人行道的路段用彩色预制砖铺砌。二、工程完成情况(一)工期情况华南师范大学市政道路工程,于2003年10月16日开工,至2004年8月25日完成要求的项目。(二)工程完成情况由于受二期房建工程施工影响,部分工程尚未完成,转由二期施工单位完成,具体情况见表2:表2、华南师范大学一期道路工程完成情况一览表序号线路名称路基路床路面基层路面垫层路面下面层路面上面层人行道备注一、教学区道路表中:“√”:表示全部完成;“×”:表示全部未完成;“-”:表示无无此项目。1A线√××××××2B线√××××××3C线√√部分未完成部分未完成部分未完成部分未完成部分未完成4D线√√√√√√√5F线√√√√√√-6G线√√√√√√-7K线√√√√√√-8L线√××××××9I线√√√√√√-10III线√√√√√√-11VI线√√√√√√-12图书馆北消防车道及联络路√√√√√√-一、教学区道路13M线√×××××-14N线√√部分未完成部分未完成部分未完成部分未完成-15O线√√√√××-16R线√√√√××-17S线√√√√××-18T线√√√√√√-29U线√√√√√√-20V线√√√√√√-21W线√×××××-22Z线√×××××-(三)完成的主要工程量见表3;表3:主要工程数量表序号项目名称单位工程数量教学区生活区合计一区域土方挖方m3856,715150,7941,007,509填方m3704,940287,466992,406二路基土方挖方m3260,87457,659318,533填方m3100,51729,920130,437三软基处理碎石桩(φ80)m137,14018,591155,731四路面工程碎石垫层m243,6208,24251,862水泥稳定石屑基层m255,5657,17662,741AC-20I下面层m32,4713232,794AC-13I下面层m31,4651771,642三、工程特点及措施(一)土方作业难度大、工期紧入场初期,新建的华南师范大学所在区域,农屋村舍星罗,山丘池塘密布,西有北亭村,东有大塱村,草木繁盛,呈现一派人与自然相和谐的景象。但如此美景却给施工造成了极大的难度。首先按照工期要求,所有房建单体的土方场...

1、当您付费下载文档后,您只拥有了使用权限,并不意味着购买了版权,文档只能用于自身使用,不得用于其他商业用途(如 [转卖]进行直接盈利或[编辑后售卖]进行间接盈利)。
2、本站所有内容均由合作方或网友上传,本站不对文档的完整性、权威性及其观点立场正确性做任何保证或承诺!文档内容仅供研究参考,付费前请自行鉴别。
3、如文档内容存在违规,或者侵犯商业秘密、侵犯著作权等,请点击“违规举报”。

碎片内容

华南师范大学市政道路工程施工总结

您可能关注的文档

确认删除?
VIP
微信客服
  • 扫码咨询
会员Q群
  • 会员专属群点击这里加入QQ群
客服邮箱
回到顶部