电脑桌面
添加小米粒文库到电脑桌面
安装后可以在桌面快捷访问

汽轮机设备及系统技术讲义VIP免费

汽轮机设备及系统技术讲义_第1页
1/95
汽轮机设备及系统技术讲义_第2页
2/95
汽轮机设备及系统技术讲义_第3页
3/95
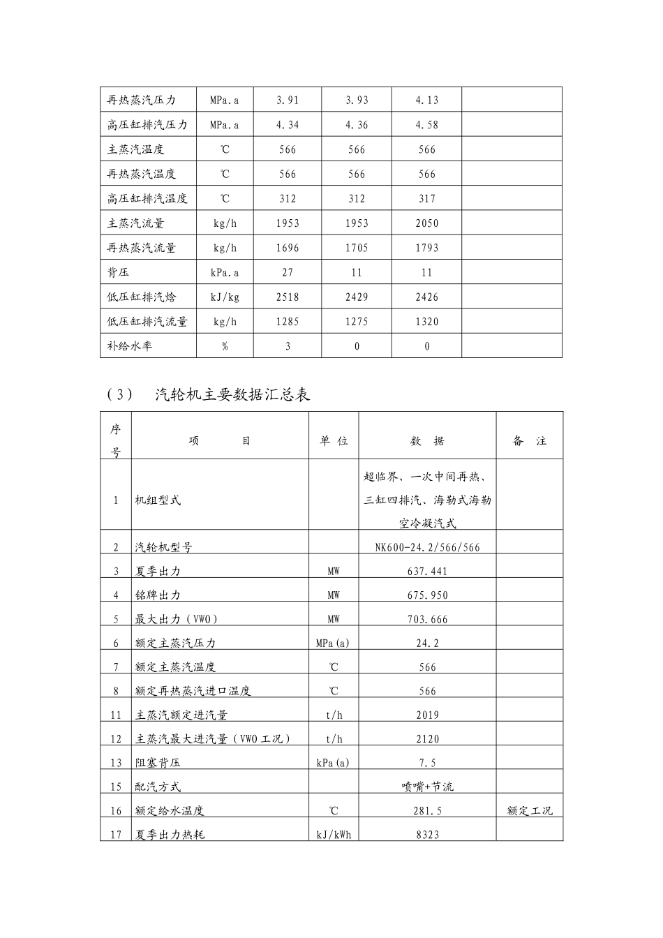
国电宝鸡第二发电厂2×660MW扩建工程(汽轮机设备及系统)技术讲义宋明伟2008年4月汽轮机设备系统介绍一、汽轮机部分简介1、汽轮机型式为超临界、一次中间再热、单轴、三缸四排汽、海勒式间接空冷凝汽式汽轮机。2、设备使用条件·机组布置方式:室内纵向布置,机组右扩建(从汽机房向锅炉房看),机头暂定朝向固定端。·机组安装检修条件:机组运转层标高13.7m。·旋转方向(从汽机向发电机看)顺时针。·最大允许系统周波摆动:48.5~51.5Hz。·润滑油管路布置:从汽轮机向发电机看暂定为右侧布置。·汽轮机配上海电气电站设备有限公司上海发电机厂制造的QFSN660-2型静态励磁水氢氢发电机。·给水泵配置:给水系统为单元制。一台机组配备2×50%BMCR汽动给水泵,一台30%BMCR启动电动给水泵。汽动给水泵排汽排至主汽轮机喷射式混合凝汽器。3、冷却方式对海勒空冷系统:冷却介质为水和空气,冷却设备为喷射式混合凝汽器和间冷塔。开式冷却水采用循环水,补充水为水库来水,闭式循环冷却水采用除盐水。闭式循环冷却水系统的最高温度为40℃,开式冷却水温度为33℃。4、机组的额定设计参数(1)在汽机主汽阀前额定压力:24.2MPa额定温度:566℃(2)中压联合汽门前额定压力:90%汽机高压缸排汽压力(约4.13MPa)。额定温度:566℃汽轮机不同工况下特性项目单位夏季工况额定工况VWO工况阻塞背压工况机组出力MW630660683汽轮发电机组热耗值kJ/kWh829379667970主蒸汽压力MPa.a24.224.224.2再热蒸汽压力MPa.a3.913.934.13高压缸排汽压力MPa.a4.344.364.58主蒸汽温度℃566566566再热蒸汽温度℃566566566高压缸排汽温度℃312312317主蒸汽流量kg/h195319532050再热蒸汽流量kg/h169617051793背压kPa.a271111低压缸排汽焓kJ/kg251824292426低压缸排汽流量kg/h128512751320补给水率%300(3)汽轮机主要数据汇总表序号项目单位数据备注1机组型式超临界、一次中间再热、三缸四排汽、海勒式海勒空冷凝汽式2汽轮机型号NK600-24.2/566/5663夏季出力MW637.4414铭牌出力MW675.9505最大出力(VWO)MW703.6666额定主蒸汽压力MPa(a)24.27额定主蒸汽温度℃5668额定再热蒸汽进口温度℃56611主蒸汽额定进汽量t/h201912主蒸汽最大进汽量(VWO工况)t/h212013阻塞背压kPa(a)7.515配汽方式喷嘴+节流16额定给水温度℃281.5额定工况17夏季出力热耗kJ/kWh8323序号项目单位数据备注18铭牌出力工况热耗kJ/kWh793419低压末级叶片长度mm66520汽缸数量个321汽轮机总内效率%89.85高压缸效率%87.7中压缸效率%93.2低压缸效率%89.322通流级数级高压缸级I+11中压缸级8低压缸级2×7×723临界转速(分轴系、轴段的试验值一阶、二阶)高压转子r/min无中压转子r/min无低压转子r/min无24低压缸排汽喷水量kg/h25调节装置DEH制造厂26安全检测(TSI)制造厂27数据管理系统(DM2000)制造厂28机组外形尺寸m×m×m28×11×829最大件起吊高度(带横担时)m~1030冷态启动从汽机冲转到带满负荷所需时间min24131变压运行负荷范围%18~10032定压、变压负荷变化率%/min2、533轴振动最大值mm0.07534临界转速时轴承振动最大值mm0.1535最高允许背压值kPa(a)48序号项目单位数据备注36报警背压kPa(a)4337跳闸背压kPa(a)6538最高允许排汽温度(额定负荷)℃12039排汽报警温度℃9340排汽跳闸温度℃12141噪声水平dB(A)8542盘车转速r/min2.3843油系统装油量m332主油箱容量m348油冷却器型式管式顶轴油泵制造厂DENISON/REXTOTH44抗燃油牌号见表5-22抗燃油泵制造厂见表5-22抗燃油系统装油量kg见表5-22抗燃油箱容量m3见表5-22抗燃油冷却器型式见表5-2245机组总重t汽轮机本体t1000主汽门、调节阀等t67.4润滑油系统t50(4)汽轮机运行参数序号项目单位数据1全真空惰走时间min~652无真空惰走时间min~403主开关断开不超速跳闸的最高负荷MW703.6664超速跳闸转速:5机械超速跳闸转速r/min3300~33606电气超速跳闸转速r/min3300序号项目单位数据7汽轮机正常运行允许的最高背压(额定负荷)kPa(a)488汽机报警背压kPa(a)439汽机跳闸背压kPa(a)6510汽轮机持续运行允许的最高背压/相应的负荷kPa(a)/MW铭牌进汽量48/612.87211最高背压下允许的最大负荷变化率MW/min33.812...

1、当您付费下载文档后,您只拥有了使用权限,并不意味着购买了版权,文档只能用于自身使用,不得用于其他商业用途(如 [转卖]进行直接盈利或[编辑后售卖]进行间接盈利)。
2、本站所有内容均由合作方或网友上传,本站不对文档的完整性、权威性及其观点立场正确性做任何保证或承诺!文档内容仅供研究参考,付费前请自行鉴别。
3、如文档内容存在违规,或者侵犯商业秘密、侵犯著作权等,请点击“违规举报”。

碎片内容

汽轮机设备及系统技术讲义

墨香书阁+ 关注
实名认证
内容提供者

热爱教学事业,对互联网知识分享很感兴趣

确认删除?
VIP
微信客服
  • 扫码咨询
会员Q群
  • 会员专属群点击这里加入QQ群
客服邮箱
回到顶部