电脑桌面
添加小米粒文库到电脑桌面
安装后可以在桌面快捷访问

综合布线系统技术方案及配置VIP免费

综合布线系统技术方案及配置_第1页
1/17
综合布线系统技术方案及配置_第2页
2/17
综合布线系统技术方案及配置_第3页
3/17
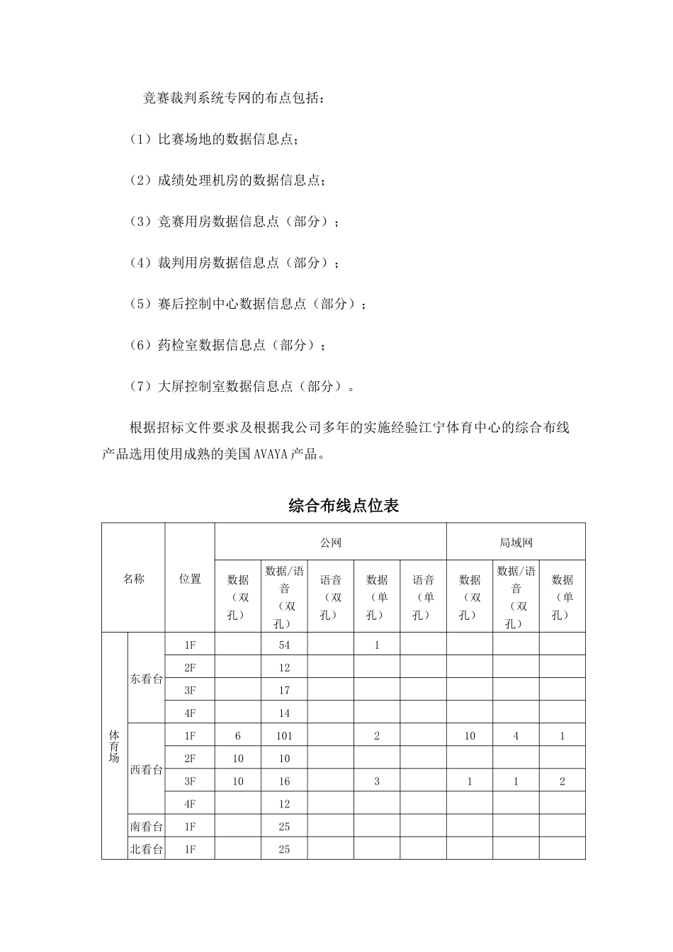
综合布线系统技术方案及配置1.综合布线系统1.1工程概况江宁体育中心综合布线区域包括:江宁体育馆和江宁体育场,主要内容为计算机网络布线和有线电话布线。1.2设计依据《智能建筑设计标准》(GB/T50314-2000)《民用建筑电气设计规范》(JGJ/T16-92)《工业企业通信设计规范》(GBJ42-81)《建筑与建筑群综合布线系统工程设计规范》(GB/T50311-2000)《建筑及建筑群综合布线系统工程施工及验收规范》(GB/T50312-2000)《商用建筑综合布线标准》(EIA/TIA-568B)《国际综合布线系统标准》ISO/IEC11801《商业建筑综合布线系统标准》ANSI/TIA/EIA568A、568B《商业建筑电信通道及空间标准》ANSI/TIA/EIA569-A《商业建筑电信基础结构及管理标准》ANSI/TIA/EIA606数据网络结构化布线系统《商业建筑电信布线接地及连接规范》ANSI/TIA/EIA607《UTP布线系统现场测试标准》ANSI/TIA/EIATSB-67《集中式光纤布线系统标准》ANSI/TIA/EIATSB-72《开放式办公室布线系统标准》ANSI/TIA/EIATSB-75《无线网络通信协议》ISO/IEC802.11b招标文件及相关图纸1.3用户需求分析江宁体育中心网络布线系统将实行统一布线的原则。最终为整个体育中心的数据网络系统的智能化管理提供一个开放的、灵活的、先进、经济的和可扩展的线路基础。本系统的点位配置完全按照招标文件的要求配置了信息点618个,语音点423个,具体见点位表。水平布线、数据点及语音点均采用六类产品,管理设备间采用模块化快跳式六类配线架实现水平子系统和干线子系统之间的跳接,楼宇间光缆采用室外单模6芯及12芯铠装光缆;数据主干为单模室外光缆,语音主干为三类大对数电缆。根据招标文件要求(由于十运会的特别要求),在本中心组建一竞赛裁判系统的专用局域网,与中心的公网完全隔离,并用专线与十运会指挥中心相连。竞赛裁判系统专网的布点包括:(1)比赛场地的数据信息点;(2)成绩处理机房的数据信息点;(3)竞赛用房数据信息点(部分);(4)裁判用房数据信息点(部分);(5)赛后控制中心数据信息点(部分);(6)药检室数据信息点(部分);(7)大屏控制室数据信息点(部分)。根据招标文件要求及根据我公司多年的实施经验江宁体育中心的综合布线产品选用使用成熟的美国AVAYA产品。综合布线点位表名称位置公网局域网数据(双孔)数据/语音(双孔)语音(双孔)数据(单孔)语音(单孔)数据(双孔)数据/语音(双孔)数据(单孔)体育场东看台1F5412F123F174F14西看台1F6101210412F10103F101631124F12南看台1F25北看台1F25语音配线架数据配线架信息点通信进线网络进线(LAN)2F5小计2629161153体育馆1F1DF1-0146672221DF1-026113111DF1-0371011312F1DF2-0110823F42小计59102846434合计8539381061587总计:数据点为618个,语音点为423个。1.4设计概述设计范围综合布线示意图设计概述*本系统设计主要依据参考"江宁体育中心弱电平面图"及招标文件*本设计中选用产品方案为:美国朗讯(avaya)品牌的六类产品江宁体育中心的布线系统采用全球最大的通信公司朗讯科技有限公司(Avaya)的SYSTIMAXSCS六类结构化综合布线系统的技术和产品,为江宁体育中心的信息传输提供了一条先进的、实用的、灵活的和可扩展的模块化介质通路,以最少的投资换取最优良的功能。本方案设计将遵循如下原则:先进性:布线系统的设计目标决定了系统必须采用先进的方法和设备,即要反映当今的水平,又应具有发展的潜力。我们为江宁体育中心选用了Lucent(Avaya)综合布线系统,其前瞻性的设计为今后20年的应用提供了保证。开放性:布线系统应具有开放性。一方面布线系统能适应不同功能的要求,同时又能支持不同厂家相应的设备。我们为江宁体育中心设计的综合布线系统具有极强的开放性,能支持不同产商的网络设备,为江宁体育中心今后的系统升级提供了一个性能优良的信息平台。实用性:江宁体育中心综合布线系统一经开通后,就立即能实现数据和语音通信。灵活性:布线系统应能满足灵活通用的要求。任何一个信息插口,均能连接不同的设备,如计算机,远程数据终端,传真机、电话机等,还可连接不同类型的局域网。所有这些不同类型的连接功能均可在管...

1、当您付费下载文档后,您只拥有了使用权限,并不意味着购买了版权,文档只能用于自身使用,不得用于其他商业用途(如 [转卖]进行直接盈利或[编辑后售卖]进行间接盈利)。
2、本站所有内容均由合作方或网友上传,本站不对文档的完整性、权威性及其观点立场正确性做任何保证或承诺!文档内容仅供研究参考,付费前请自行鉴别。
3、如文档内容存在违规,或者侵犯商业秘密、侵犯著作权等,请点击“违规举报”。

碎片内容

综合布线系统技术方案及配置

确认删除?
VIP
微信客服
  • 扫码咨询
会员Q群
  • 会员专属群点击这里加入QQ群
客服邮箱
回到顶部