电脑桌面
添加小米粒文库到电脑桌面
安装后可以在桌面快捷访问

安全生产许可证文书VIP免费

安全生产许可证文书_第1页
1/14
安全生产许可证文书_第2页
2/14
安全生产许可证文书_第3页
3/14
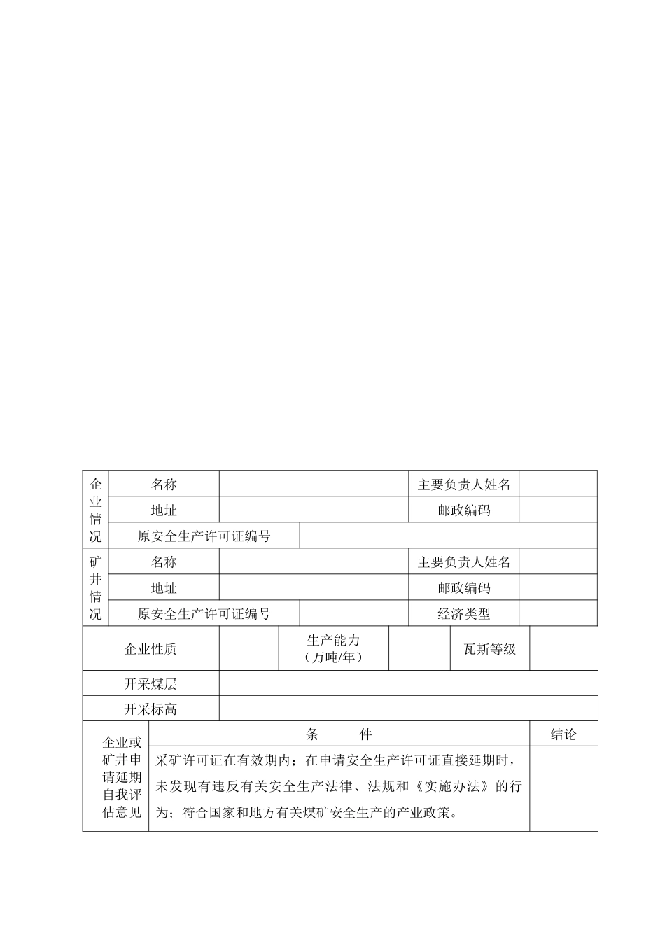
附件1申请编号:受理编号:申请时间:受理时间:煤矿企业安全生产许可证直接延期申请书企业名称矿井名称经办人联系电话填写日期国家煤矿安全监察局制样填写说明1.申请单位在安全生产许可证有效期内符合《煤矿企业安全生产许可证实施办法》第二十二条规定,在许可证有效期届满时,可填写本申请书,直接办理延期手续。2.本申请书应当用钢笔、签字笔填写或用计算机打印,字迹应清晰、工整。3.申请编号、申请时间、受理编号、受理时间由发证机关填写。4.申请延期安全生产许可证的企业(集团公司、总公司、分公司),填写企业名称、企业情况和企业自我评估意见,不填写矿井名称、矿井情况栏目的内容。5.申请延期安全生产许可证的矿井,填写矿井名称、矿井情况和矿井自我评估意见,其中矿井名称应与采矿许可证一致。有主管企业的,企业名称和企业情况填写主管企业(集团公司、总公司、矿务局)的相应内容。6.企业或矿井申请延期安全生产许可证,应对照《煤矿企业安全生产许可证实施办法》第二十二条规定的条件进行自我评估,填写自我评估意见,在结论一栏中填写合格或不合格。7.企业、矿井主要负责人应用钢笔、签字笔在相应栏目的“主要负责人签字”处签字。企业情况名称主要负责人姓名地址邮政编码原安全生产许可证编号矿井情况名称主要负责人姓名地址邮政编码原安全生产许可证编号经济类型企业性质生产能力(万吨/年)瓦斯等级开采煤层开采标高企业或矿井申请延期自我评估意见条件结论采矿许可证在有效期内;在申请安全生产许可证直接延期时,未发现有违反有关安全生产法律、法规和《实施办法》的行为;符合国家和地方有关煤矿安全生产的产业政策。在申请安全生产许可证直接延期时,未发现《特别规定》规定的十五种重大安全生产隐患和行为,未因降低安全生产条件而被煤矿安全监察机构暂扣安全生产许可证。积极配合煤矿安全监察机构的工作;严格执行,并未违反煤矿安全监察机构的安全监察指令;接受煤矿安全监察机构依法做出的行政处罚。在安全生产许可证有效期内未发生死亡事故。矿(井)意见单位盖章主要负责人(签字)年月日煤矿或分公司意见单位盖章主要负责人(签字)年月日集团公司矿务局(公司)意见单位盖章主要负责人(签字)年月日地方煤矿安全监管部门意见单位盖章负责人(签字)年月日煤矿企业驻地煤矿安全监察分局意见单位盖章负责人(签字)年月日安全生产许可证颁发管理机关意见单位盖章负责人(签字)年月日煤矿企业安全生产许可证申请材料补正告知书(共三联)J煤矿安许证告字〔aaaa〕bbbb号:你单位年月日提交的煤矿企业安全生产许可证申请书及相关申请文件、资料收悉。根据《煤矿企业安全生产许可证实施办法》[原国家安全生产监督管理局(国家煤矿安全监察局)令第8号]和国家有关煤矿安全生产法律法规的规定,经审核,请你单位补正以下材料:一、二、三、特此告知。受理人:联系电话:(盖章)年月日(第一联安全生产许可证颁发管理机关存档)煤矿企业安全生产许可证申请材料补正告知书(共三联)J煤矿安许证告字〔aaaa〕bbbb号:你单位年月日提交的煤矿企业安全生产许可证申请书及相关申请文件、资料收悉。根据《煤矿企业安全生产许可证实施办法》[原国家安全生产监督管理局(国家煤矿安全监察局)令第8号]和国家有关煤矿安全生产法律法规的规定,经审核,请你单位补正以下材料:一、二、三、特此告知。受理人:联系电话:(盖章)年月日(第二联安全生产许可证颁发管理机关承办机构留存)煤矿企业安全生产许可证申请材料补正告知书(共三联)J煤矿安许证告字〔aaaa〕bbbb号:你单位年月日提交的煤矿企业安全生产许可证申请书及相关申请文件、资料收悉。根据《煤矿企业安全生产许可证实施办法》[原国家安全生产监督管理局(国家煤矿安全监察局)令第8号]和国家有关煤矿安全生产法律法规的规定,经审核,请你单位补正以下材料:一、二、三、特此告知。受理人:联系电话:(盖章)年月日(第三联煤矿企业安全生产许可证申请单位存档)煤矿企业安全生产许可证申请不予受理通知书(共三联)J煤矿安许证受字〔aaaa〕bbbb号:你单位年月日提交的煤矿企业安全生产许可证申请...

1、当您付费下载文档后,您只拥有了使用权限,并不意味着购买了版权,文档只能用于自身使用,不得用于其他商业用途(如 [转卖]进行直接盈利或[编辑后售卖]进行间接盈利)。
2、本站所有内容均由合作方或网友上传,本站不对文档的完整性、权威性及其观点立场正确性做任何保证或承诺!文档内容仅供研究参考,付费前请自行鉴别。
3、如文档内容存在违规,或者侵犯商业秘密、侵犯著作权等,请点击“违规举报”。

碎片内容

安全生产许可证文书

您可能关注的文档

确认删除?
VIP
微信客服
  • 扫码咨询
会员Q群
  • 会员专属群点击这里加入QQ群
客服邮箱
回到顶部