电脑桌面
添加小米粒文库到电脑桌面
安装后可以在桌面快捷访问

燃气用埋地聚乙烯(PE)管材生产工艺流程VIP免费

燃气用埋地聚乙烯(PE)管材生产工艺流程_第1页
1/11
燃气用埋地聚乙烯(PE)管材生产工艺流程_第2页
2/11
燃气用埋地聚乙烯(PE)管材生产工艺流程_第3页
3/11
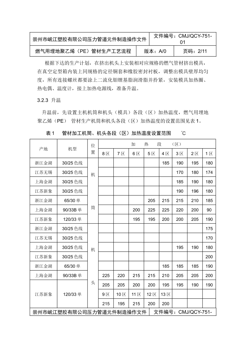
崇州市岷江塑胶有限公司压力管道元件制造操作文件文件编号:CMJ/QCY-751-01燃气用埋地聚乙烯(PE)管材生产工艺流程版本:A/0页码:1/111总则为确保燃气用埋地聚乙烯(PE)管材生产操作规范化,保证管材产品质量符合GB15558.1-2003《燃气用埋地聚乙烯管道系统第1部分:管材》标准和相关法律、法规的要求,特制定本生产工艺流程。2范围适用于以聚乙烯(PE)树脂为主要原料,加入生产应用必要的添加剂且添加济均匀分散的配混料,经挤出工艺成型的燃气用埋地聚乙烯(PE)管材(以下简称管材)的生产工艺流程。3生产工艺流程3.1生产计划3.1.1根据公司销售部门下达的燃气用埋地聚乙烯(PE)管材生产计划通知书,工艺责任工程师应根据生产计划通知书的要求制定相应的生产计划和作业指导书下达生产车间,生产计划和作业指导书中要明确规定该批产品的产品批号、原材料牌号、分级和原材料批次(批号)等。凡是涉及燃气用埋地聚乙烯(PE)管材生产的质量记录表卡,都应当填上产品批号、原材料牌号、材料分级和原材料批次(批号)等。3.1.2车间主任按照工艺责任工程师下达的生产计划和作业指导书通知班(组)长进行生产准备工作。3.1.3由工艺责任工程师和车间主任检查并核实班(组)长的生产准备工作是否符合生产计划和作业指导书的要求。3.2开机前的准备3.2.1机器设备常规检查检查挤出机传动箱、齿轮箱是否加注润滑油,电路、气路、冷却系统、配混料烘干系统、主机、真空成型机、牵引机、喷墨印字机、切割机、空气压缩机等空机运转是否正常,确定所有机器均属正常运转方可安装模具。3.2.2安装模具崇州市岷江塑胶有限公司压力管道元件制造操作文件文件编号:CMJ/QCY-751-01燃气用埋地聚乙烯(PE)管材生产工艺流程版本:A/0页码:2/11根据下达的生产计划,在挤出机头上安装相对应规格的燃气管材挤出模具,在真空定型箱内装上同规格的定径铜套和橡胶密封衬板,调整出模具壁厚均匀度,所有连接螺丝都要涂上二流化钼锂基脂润滑脂并拎紧,安装模具加热圈、热电偶、温度计,接上加热电源线,准备升温。3.2.3升温升温前,先设置主机机筒和机头(模具)各段(区)加热温度,燃气用埋地聚乙烯(PE)管材生产机筒和机头各段(区)加热温度的设置范围见表1。表1管材加工机筒、机头各段(区)加热温度设置范围℃产地机型位置加热段(区)8区7区6区5区4区3区2区1区浙江金湖30/25色线机筒185190195180江苏无锡30/25色线170180174上海金湖30/25色线185190180江苏新象30/25色线190196180浙江金湖65/30单205215215210185上海金湖90/33B单20022522522020090江苏新象120/33单195195200200205190浙江金湖30/25色线机头175江苏无锡30/25色线170上海金湖30/25色线195190180江苏新象30/25色线200浙江金湖65/30单185185185190上海金湖90/33B单225220215215210205205200江苏新象120/33单2052052002001951951901909区10区11区12区13区215195215200200崇州市岷江塑胶有限公司压力管道元件制造操作文件文件编号:CMJ/QCY-751-01燃气用埋地聚乙烯(PE)管材生产工艺流程版本:A/0页码:3/11机筒和机头各段(区)加热温度的调整范围为±10℃,当各加热段(区)加热温度全部达到或超过设置温度时,应恒温90—150分钟,让各加热段(区)的真实温度接近或等于设置温度。如果温控仪表反映温度与温度计所显示温度差异过大时,应该核查差异原因。鉴于挤出机长期负荷运转机筒螺杆不断产生磨损,各种原料的性能差别,各种型号规格管材加工成型温度的差异,本生产工艺流程中提供的机筒和机头各段(区)加热温度的设置范围(表1)仅供温度设置时的参考,而应以加工过程获得首检合格产品为准进行机筒和机头各段(区)温度的设置和调整。3.3开机操作3.3.1挤管当机筒和机头各段(区)加热温度全部达到设置温度(±2℃)并恒温90—150分钟无重大变化时,便可开机挤管。先启动主机螺杆低速运转(5—10转/min),再启动加料机螺杆低速运转给料(5—10转/min),逐步加大给料转速至接近正常挤出加料转速,正式挤出管材时主机转速应逐步达到正常转速(中速偏上),各种型号挤出机挤出速度参考表见表2。表2各种型号挤出机挤出速度参考表r/min机...

1、当您付费下载文档后,您只拥有了使用权限,并不意味着购买了版权,文档只能用于自身使用,不得用于其他商业用途(如 [转卖]进行直接盈利或[编辑后售卖]进行间接盈利)。
2、本站所有内容均由合作方或网友上传,本站不对文档的完整性、权威性及其观点立场正确性做任何保证或承诺!文档内容仅供研究参考,付费前请自行鉴别。
3、如文档内容存在违规,或者侵犯商业秘密、侵犯著作权等,请点击“违规举报”。

碎片内容

燃气用埋地聚乙烯(PE)管材生产工艺流程

您可能关注的文档

确认删除?
VIP
微信客服
  • 扫码咨询
会员Q群
  • 会员专属群点击这里加入QQ群
客服邮箱
回到顶部