电脑桌面
添加小米粒文库到电脑桌面
安装后可以在桌面快捷访问

变电所施工测量工艺流程VIP免费

变电所施工测量工艺流程_第1页
1/5
变电所施工测量工艺流程_第2页
2/5
变电所施工测量工艺流程_第3页
3/5
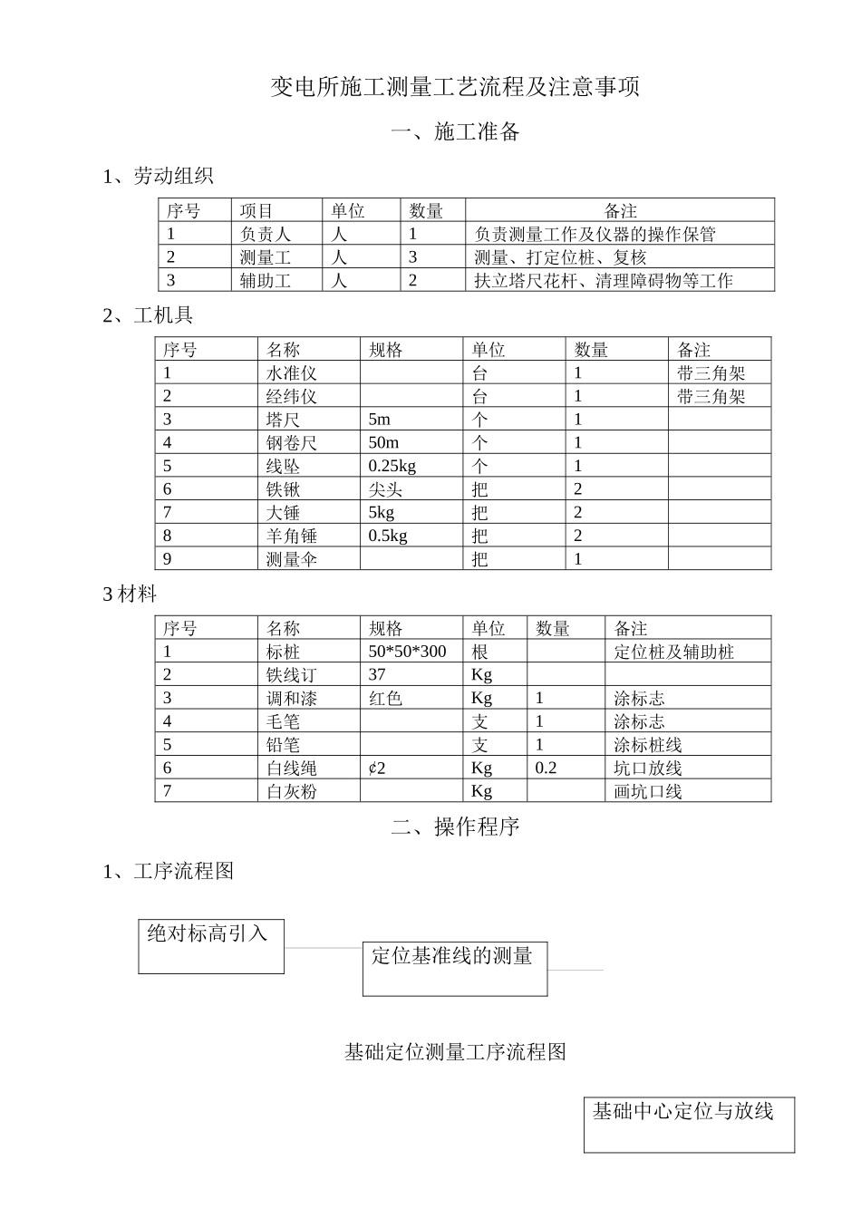
变电所施工测量工艺流程及注意事项一、施工准备1、劳动组织序号项目单位数量备注1负责人人1负责测量工作及仪器的操作保管2测量工人3测量、打定位桩、复核3辅助工人2扶立塔尺花杆、清理障碍物等工作2、工机具序号名称规格单位数量备注1水准仪台1带三角架2经纬仪台1带三角架3塔尺5m个14钢卷尺50m个15线坠0.25kg个16铁锹尖头把27大锤5kg把28羊角锤0.5kg把29测量伞把13材料序号名称规格单位数量备注1标桩50*50*300根定位桩及辅助桩2铁线订37Kg3调和漆红色Kg1涂标志4毛笔支1涂标志5铅笔支1涂标桩线6白线绳¢2Kg0.2坑口放线7白灰粉Kg画坑口线二、操作程序1、工序流程图基础定位测量工序流程图基础中心定位与放线绝对标高引入定位基准线的测量测量准备标高引入设水准点设定基准线测量定位复核基坑放线2、操作要领(1)绝对标高引入施工测量工艺流程图①找出水准点A;②确定变电所内预定的水准点B,该点一般选在变电所内比较明显、不易被破坏的地方,例如:房屋的台阶,地基顶面或墙面上,将该点用红漆做上标记;③将水准仪放置在距A、B两点中间较为平整的地面上;④调整水准仪后,使其物镜对准A处塔尺,读取读数a,做好记录;⑤调整物镜,对准B处塔尺,读取读数b,做好记录;⑥计算A,B两点的高,hab和B点标高HB,公式如下:hab=a-bHB=HA+hab式中a为A点镜高;b为B点镜高;hab为A,B两点的高差HA为A点绝对标高HB为B点绝对标高⑦在B点上做好标记并记录标高数值;⑧当已知标高的水准点A距变电所预测标高点B较远时,应在A。B两点间增加若干测站,以便标高引入,测量中应注意以下问题:Ⅰ、水准仪距前后两测试点的距离应基本相等;II、要仔细调整仪器,读取读数前,均应检查水准气泡是否居中;III、对测量及计算结果,应做详细记录,求出的B点绝对标高,必须进行校核。⑵定位基准线的设置①确定生产房屋或围墙中轴线后,以等距a´或b´值,将房屋或围墙中轴线平行引出,以该线作为竖向基准线;②根据设计图给出的a´或b´值,在基准线上用经纬仪测出A、B、C、D等多处测点,并在各测点的位置上设测点标桩;③在竖向A点上,安置、调整好经纬仪,经纬仪的中心对准测点标桩中心。使物镜“十”字丝竖线对准最远一个测点中心,记下水平盘数值,再将器身旋转90º,紧固制动螺栓,依据设计值给定的b´值定出横向基准线及该线的A´、B´、C´、D´等多处测点。⑶基础中心定位与放线:①将经纬仪安置在基准线上,并调平后,进行置中对点;②将经纬仪物镜“十”字丝竖线对准远处的测点中心后,读取水平度盘的读数,并作好记录;③松动度盘制动螺旋,向预测方向旋转90º,紧固制动螺旋,调微动螺旋使读数与前记录读数相差90º;④从仪器的置中点拉钢卷尺依据设计尺寸测量出距第一基础中心的位置,立标桩用经纬仪对准后,将标桩打入测定位置;⑤重新拉钢卷尺在标桩上标定第一基础中心的位置,并用划笔在标桩上标定出该基础的横向中心线;⑥用经纬仪对该基础进行测中,标桩定位人员将定位小钉置于标桩的横向中心线上,按测量人员的指挥移动小钉,至与经纬仪物镜“十”字丝竖线重合,将小钉打入标桩,此即为该基础中心标桩;⑦以中心桩为准设置基础辅助桩,辅助桩距中心桩的距离以基础的外形尺寸决定,一般距坑口边沿不小于500mm,辅助桩应与中心桩一次测定,方法与中心桩相同,在同一轴线上的标桩应一次定位完成;⑧按上述方法顺序测出各个基础的横竖轴线的中心桩及辅助桩;⑨基础的放线方法如下:A、用白线绳通过辅助标桩标出基础的横竖中心线;B、根据基础的尺寸,由中心线平行推移出基坑开挖边线;C、沿边线撒白灰粉,画出开挖标记,经复核无误后即可开挖。三、标准1、测量仪及计算器具应符合国家的质量标准和计量要求;2、基础和杆坑定位准确,各部尺寸应与施工图纸的要求符合;3、基坑放线应准确,并与本基础的横竖中心线平行。四、注意事项1、测量仪器应设专人使用及保管,在使用期间做好防、防晒、防碰等措施;2、在测量点上安装仪器时,应将三角架支稳,塔牢,要握稳器身,安装在三角架上,旋紧中心螺栓,以防脱落损坏仪器;3、在变电所引入基准标高后,应及时与土建施工单位建立的基准标高值进行核对...

1、当您付费下载文档后,您只拥有了使用权限,并不意味着购买了版权,文档只能用于自身使用,不得用于其他商业用途(如 [转卖]进行直接盈利或[编辑后售卖]进行间接盈利)。
2、本站所有内容均由合作方或网友上传,本站不对文档的完整性、权威性及其观点立场正确性做任何保证或承诺!文档内容仅供研究参考,付费前请自行鉴别。
3、如文档内容存在违规,或者侵犯商业秘密、侵犯著作权等,请点击“违规举报”。

碎片内容

变电所施工测量工艺流程

您可能关注的文档

确认删除?
VIP
微信客服
  • 扫码咨询
会员Q群
  • 会员专属群点击这里加入QQ群
客服邮箱
回到顶部