电脑桌面
添加小米粒文库到电脑桌面
安装后可以在桌面快捷访问

某公司采购物品的验收、结算与库存管理表件VIP免费

某公司采购物品的验收、结算与库存管理表件_第1页
1/13
某公司采购物品的验收、结算与库存管理表件_第2页
2/13
某公司采购物品的验收、结算与库存管理表件_第3页
3/13
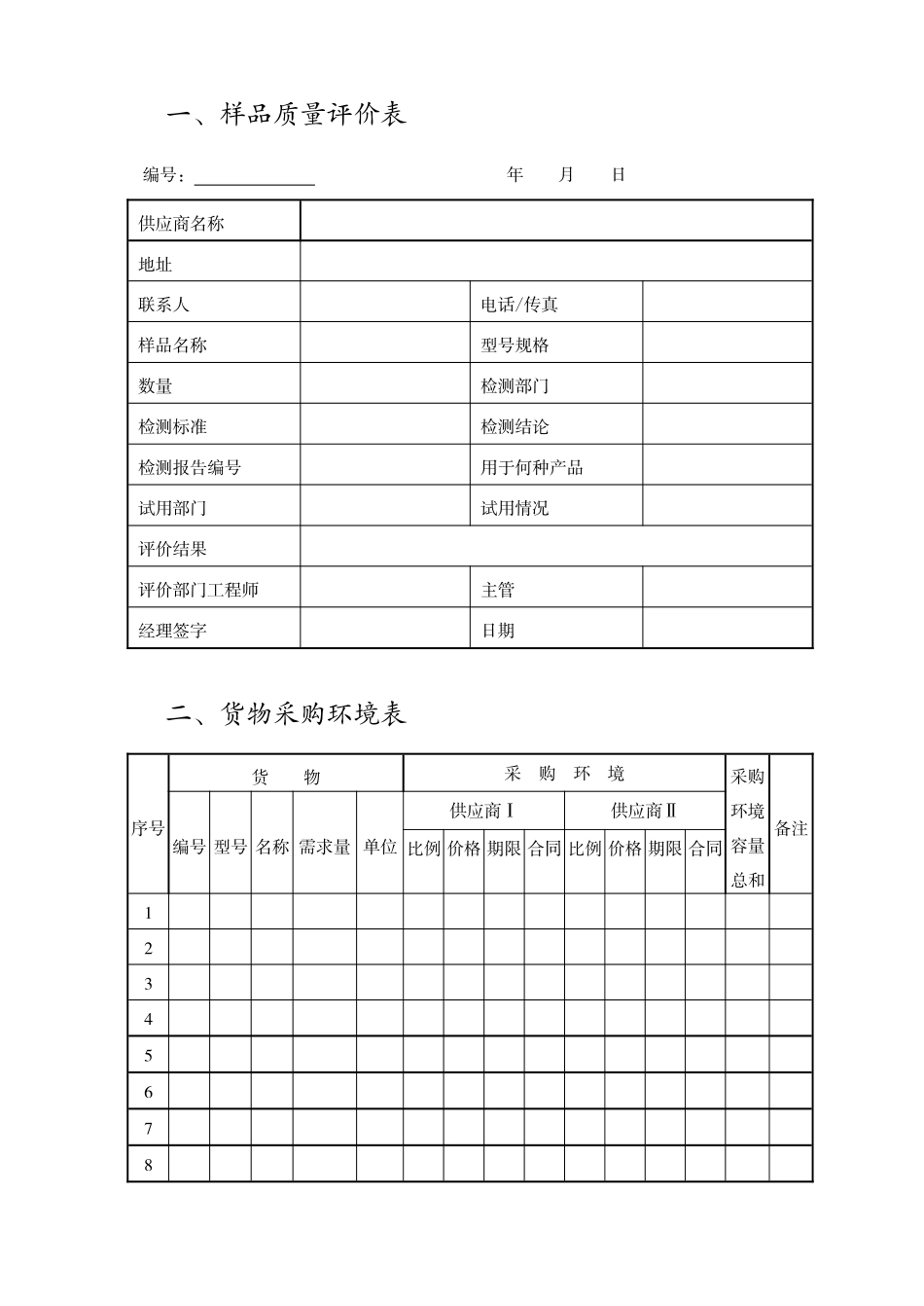
采购物品的验收、结算与库存管理表格一、样品质量评价表编号:年月日供应商名称地址联系人电话/传真样品名称型号规格数量检测部门检测标准检测结论检测报告编号用于何种产品试用部门试用情况评价结果评价部门工程师主管经理签字日期二、货物采购环境表序号货物采购环境采购环境容量总和备注编号型号名称需求量单位供应商Ⅰ供应商Ⅱ比例价格期限合同比例价格期限合同1234567891011121314合计制订会签开发人员质量管理人员认证人员批准日期工艺人员采购计划制订人员订单提交人员日期采购认证编号制订部门任务来源说明来源部门三、物料订购跟催表编号:跟催员:分类:跟催员:订购日期订购单号料号(规格)数量单价总价供应商(编号)计划进料日期实际进料日期123审核人:审批人:四、催货通知单制单人:日期:年月日:贵公司与本公司签订的下列合同已到期,至今尚未交货,请于收到本通知后一周内办理为荷!此致敬礼公司到期未交货物料一览表订约日期合同编号物料名称与规范数量单位约定交货日期备注注本单一式三联,一联送生产部门,一联送仓储部转请购部门,一联存查。五、采购物品验收表编号:日期:年月日编号名称订货数量规格符合单位实收数量单价总价是否是否分批交货□是□否会计科目供应商合计检查验收结果检查主管检查员抽样:%不良全数:个不良总经理成本合计库房采购主管核算主管收料主管制单六、物品检验报告单编号:日期:年月日订单编号商号供应商代码验收日期借方科目贷方科目入库单位需求日期交货日期件号品名规格厂牌单位收货数单价金额拒收数拒收数现状本订单未交量再交不交合计打卡(1)(2)人民币(大写):佰拾万仟佰拾元整发票号码使用单位用途备注收货主管验收人员检查人员制单人员七、物品质量控制表编号:填表人:日期:年月日供应商交易情况采购单号物品名称采购数量发货批数检验批数批抽检率总抽检率质量水平A类不良品B类不良品C类不良品退货记录备注八、预付款申请表申请时间:年月日申请部门申请人付款类别□定金(尚未开发票)□分批交货暂支款付款金额说明审核:财务部:总经理:九、付款申请表申请表编号:申请时间:企业名称:地址:电话:收款单位名称:地址:电话:序号材料编码名称型号描述合同编号合同数量单位单价入库数量金额备注合计总金额(大写)佰拾万仟佰拾元角分特别说明后付单据其他说明付款申请人采购经理审核总经理审批财务部审批十、现金采购申请表单位:申请时间:采购物品:支票号码:联系电话:支票汇款汇票现金用途金额供货单位全称开户银行账号申请人财务部门意见总经理审批十一、委托付款申请表项目名称申请单位单位领导签名:年月日立项申请表编号(盖章)采购编号项目合同总金额¥元人民币(大写):佰拾万仟佰拾元角分付款期数共()期本次为第()期委托付款金额¥元人民币(大写):佰拾万仟佰拾元角分收款单位开户银行银行账号退回采购单位剩余金额¥元人民币(大写):佰拾万仟佰拾元角分收款单位开户银行银行账号本次申请支付金额合计¥元人民币(大写):佰拾万仟佰拾元角分采购经理审批意见签名:日期:财务经理审批意见签名:日期:总经理审批意见签名:日期:十二、货款结算表供应商:合同号:日期:年月日收货单号:验收单号:品种规格结算规格换算率计算单位数量面积含税单价不含税单价税率(%)金额税额价税合计合计预付金额实付金额(大写)备注经办人:财务负责人:本表一式四联:①存根联②财务联③客户联④供应联十三、付款结算单日期:年月日时间年月日至年月日收入应收款项实收款项1.1.2.2.合计合计支出应付款项实付款项1.1.2.2.3.3.合计合计结余应余实余往来应收款项应付款项1.1.2.2.3.3.合计合计确认签字:十四、结算清款表清款金额¥:大写:清款原由财务部经理总经理:财务总监:清款人:十五、付款汇总表序号供货单位材料名称规格单位数量单价结算金额退货数量退货金额质量罚款已付款欠款备注12345678材料款总计

1、当您付费下载文档后,您只拥有了使用权限,并不意味着购买了版权,文档只能用于自身使用,不得用于其他商业用途(如 [转卖]进行直接盈利或[编辑后售卖]进行间接盈利)。
2、本站所有内容均由合作方或网友上传,本站不对文档的完整性、权威性及其观点立场正确性做任何保证或承诺!文档内容仅供研究参考,付费前请自行鉴别。
3、如文档内容存在违规,或者侵犯商业秘密、侵犯著作权等,请点击“违规举报”。

碎片内容

某公司采购物品的验收、结算与库存管理表件

您可能关注的文档

确认删除?
VIP
微信客服
  • 扫码咨询
会员Q群
  • 会员专属群点击这里加入QQ群
客服邮箱
回到顶部