电脑桌面
添加小米粒文库到电脑桌面
安装后可以在桌面快捷访问

行政办公室副主任岗位说明书VIP免费

行政办公室副主任岗位说明书_第1页
1/3
行政办公室副主任岗位说明书_第2页
2/3
行政办公室副主任岗位说明书_第3页
3/3
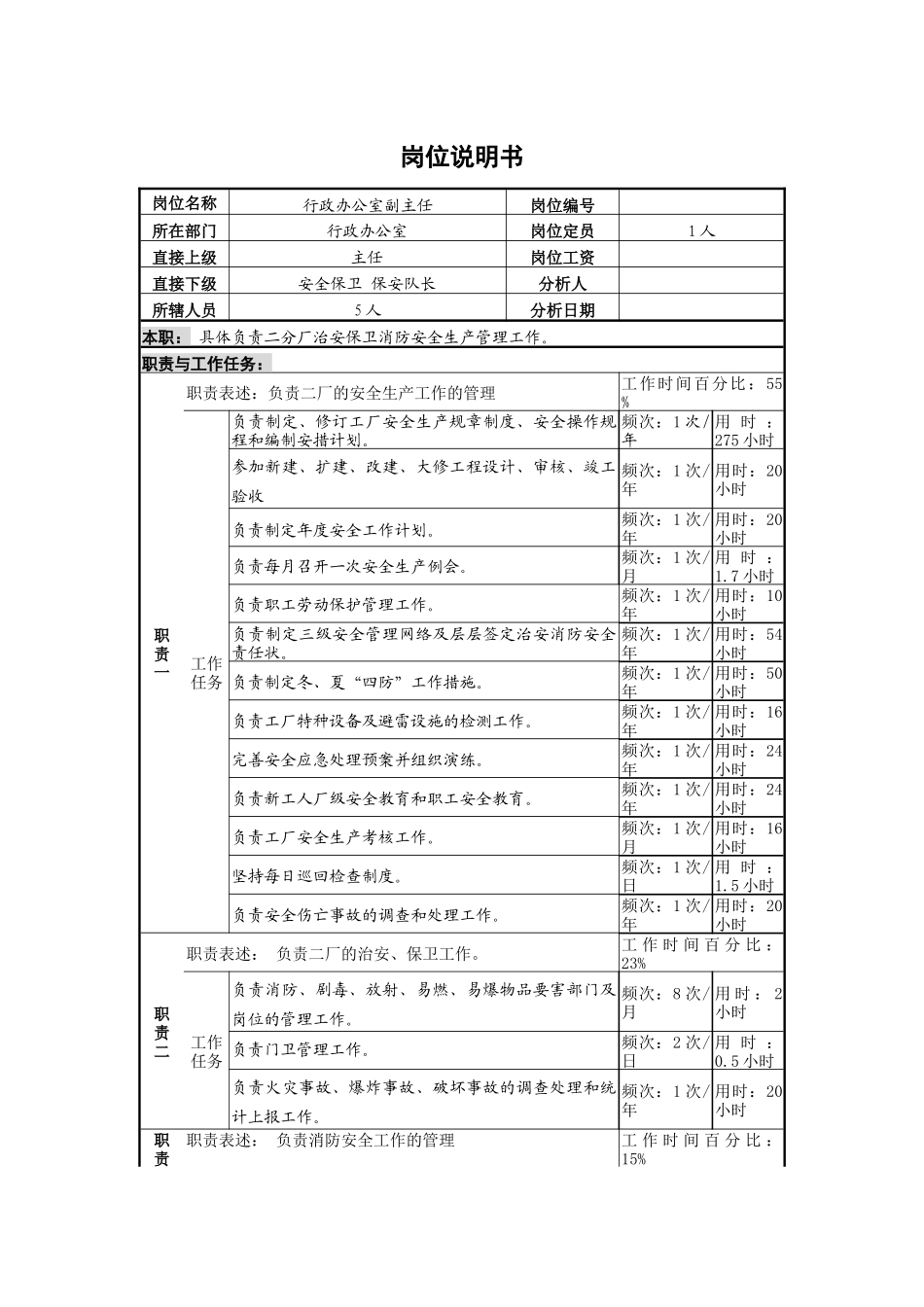
岗位说明书岗位名称行政办公室副主任岗位编号所在部门行政办公室岗位定员1人直接上级主任岗位工资直接下级安全保卫保安队长分析人所辖人员5人分析日期本职:具体负责二分厂治安保卫消防安全生产管理工作。职责与工作任务:职责一职责表述:负责二厂的安全生产工作的管理工作时间百分比:55%工作任务负责制定、修订工厂安全生产规章制度、安全操作规程和编制安措计划。频次:1次/年用时:275小时参加新建、扩建、改建、大修工程设计、审核、竣工验收频次:1次/年用时:20小时负责制定年度安全工作计划。频次:1次/年用时:20小时负责每月召开一次安全生产例会。频次:1次/月用时:1.7小时负责职工劳动保护管理工作。频次:1次/年用时:10小时负责制定三级安全管理网络及层层签定治安消防安全责任状。频次:1次/年用时:54小时负责制定冬、夏“四防”工作措施。频次:1次/年用时:50小时负责工厂特种设备及避雷设施的检测工作。频次:1次/年用时:16小时完善安全应急处理预案并组织演练。频次:1次/年用时:24小时负责新工人厂级安全教育和职工安全教育。频次:1次/年用时:24小时负责工厂安全生产考核工作。频次:1次/月用时:16小时坚持每日巡回检查制度。频次:1次/日用时:1.5小时负责安全伤亡事故的调查和处理工作。频次:1次/年用时:20小时职责二职责表述:负责二厂的治安、保卫工作。工作时间百分比:23%工作任务负责消防、剧毒、放射、易燃、易爆物品要害部门及岗位的管理工作。频次:8次/月用时:2小时负责门卫管理工作。频次:2次/日用时:0.5小时负责火灾事故、爆炸事故、破坏事故的调查处理和统计上报工作。频次:1次/年用时:20小时职责职责表述:负责消防安全工作的管理工作时间百分比:15%三工作任务负责放火宣传教育,组织建立义务消防队,并定期进行演练。频次:1次/年用时:140小时负责工厂消防器材的管理工作。频次:1次/周用时:2小时负责火灾事故的调查处理工作。频次:2次/年用时:32小时职责四职责表述:负责内勤工作的管理。工作时间百分比:2%工作任务负责对内勤日常工作进行督促和指导。频次:3次/月用时:1小时负责对科考勤工作进行审核。频次:1次/月用时:0.5小时职责五职责表述:负责日常管理工作工作时间百分比:4%工作任务负责每周召开一次科例会。频次:1次/周用时:1小时负责工作现场5S管理。频次:1次/月用时:2.5小时职责六职责表述:完成上级交办的其它工作。工作时间百分比:1%权力:一、对工厂安全制度、规程,安措计划有制定权,对新建、改建、扩建、大修工程有审核权、验收权。对年度安全工作计划有制定权,有定期召开安全例会的建议权,对职工劳动保护有监督检查权,对工厂防范措施有拟订权,对责任状有拟订监督权,对特种设备有监督检查权,对安全应急预案有制定权指导权、组织权。对职工有安全培训教育权,对工厂安全生产工作有考核权,对安全事故有调查权,对安全工作有检查权。二、违反治安防火制度有制止权,处罚权,对治安隐患有限期整改权,对门卫有检查监督权,对治安案件有调查权,建议处罚权,对民兵工作有管理权。三、对职工防火宣传有教育权,对义务消防演练有指导权,对工厂消防器材有检查权,对火灾事故有调查权四、对内勤工作有督促和指导权,对考勤工作有审核权五、对召开科例会有决策权,对科人员有奖惩权考核指标:一、对工厂安全制度规程,安措计划一年修订一次,对新建改建扩建大修工程验收合格率达到100%,对年度安全工作计划一年制定一次,安委会成员到会率达到100%,对安全生产劳动保护严格按国家标准执行,责任状签状率100%,三级安全网络每年调整一次,对冬夏季四防措施每年制定一次,特种设备检测合格率100%,对危险源预案每年演练一次,对职工安全教育培训率达到90%,全厂轻伤事故控制到千分之三,无重伤死亡事故,每日厂区检查一到两次,安全事故按四不放过原则处理。二、对治安要害部门检查每月不少于4次,对门卫检查工作每天不少于1次,对发生的治安事故调查有笔录,处理有报告,对民兵报名登记率90%以上三、对职工防火宣传教育达到100%,义务消防演练每年一次,消防设施完好率达到100%,火灾事故调查有笔...

1、当您付费下载文档后,您只拥有了使用权限,并不意味着购买了版权,文档只能用于自身使用,不得用于其他商业用途(如 [转卖]进行直接盈利或[编辑后售卖]进行间接盈利)。
2、本站所有内容均由合作方或网友上传,本站不对文档的完整性、权威性及其观点立场正确性做任何保证或承诺!文档内容仅供研究参考,付费前请自行鉴别。
3、如文档内容存在违规,或者侵犯商业秘密、侵犯著作权等,请点击“违规举报”。

碎片内容

行政办公室副主任岗位说明书

墨香书阁+ 关注
实名认证
内容提供者

热爱教学事业,对互联网知识分享很感兴趣

确认删除?
VIP
微信客服
  • 扫码咨询
会员Q群
  • 会员专属群点击这里加入QQ群
客服邮箱
回到顶部