电脑桌面
添加小米粒文库到电脑桌面
安装后可以在桌面快捷访问

国家三级安全培训机构认定VIP免费

国家三级安全培训机构认定_第1页
1/15
国家三级安全培训机构认定_第2页
2/15
国家三级安全培训机构认定_第3页
3/15
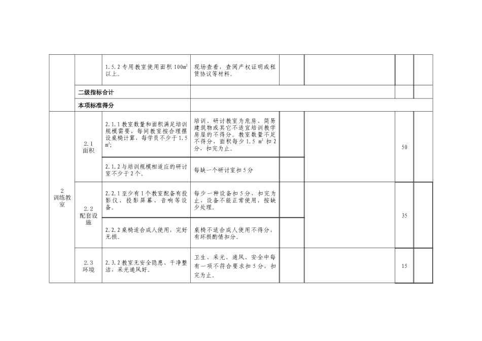
国家三级安全培训机构认定、复审评估检查表一、初审认定评估评估项目评估内容评估方法档案盒编号评估结果二级指标分值二级指标得分必备条件1.1机构设置1.1.1培训机构能独立或经授权承担法律责任。查阅培训机构批文、负责人任命书、法人证书等材料,授权承担法律责任的,需查阅正式授权委托书。1.1.2有健全的机构章程。查阅机构章程。1.1.3设置承担综合管理、策划、培训教学、教研、档案、财务管理、后勤服务等职能的内设机构。查阅机构设置及职责分工有关材料。1.1.4财务收支单列。查阅财务报表。1.2注册资金或开办费50万元以上。独立法人的查阅营业执照、法人证书,非独立法人的查阅授权委托书以及注册会计师事务所出具的相关证明材料。1.3管理人员及办公场所1.3.1专职管理人员不少于5人。查阅人事任命文件、法人证书,非独立法人的查阅授权委托书以及注册会计师事务所出具的相关证明材料。1.3.2有固定办公场所。现场查看,并查阅产权证明或相关材料。1.4教师有8名以上具有本科以上学历的专职或者兼职教师。其中至少有5名中级以上职称并经省局培训考核合格的专职教师。查阅学历证书、职称证书、教师岗位证书、兼职教师聘任协议、人事档案、劳动关系证明、保险缴费单据等材料1.5教学及生活设施1.5.1有固定、独立和相对集中并能够满足同期50人以上规模培训需要的专用教室及住宿、餐饮等生活设施。现场查看,查阅产权证明或租赁协议等材料。1.5.2专用教室使用面积100m2以上。现场查看,查阅产权证明或租赁协议等材料。二级指标合计本项标准得分2训练教室2.1面积2.1.1教室数量和面积满足培训规模需要,每间教室按合理摆设桌椅计算,每学员不少于1.5m2;培训、研讨教室为危房、简易建筑物或其它不适宜培训教学房屋的不得分。教室数量不足不得分,面积每少1.5m2扣2分,扣完为止。502.1.2与培训规模相适应的研讨室不少于2个。每缺一个研讨室扣5分2.2配套设施2.2.1至少有1个教室配备有投影仪、投影屏幕、音响等设备。每少一种设备扣5分,扣完为止,设备不能正常使用,按缺少处理。352.2.2桌椅适合成人使用,完好无损。桌椅不适合成人使用不得分,有坏损酌情扣分。2.3环境2.3.2教室无安全隐患、干净整洁,采光通风好。卫生、采光、通风、安全中每有一项不符合要求扣5分,扣完为止。15二级指标合计100本项标准得分(本大项二级指标得分总分X20%)3培训师资3.1兼职教师3.1.1为高级以上职称;3.1.2地市级以上政府专家组成员;3.1.3连续从事本专业教学10年以上。每人应至少满足一条,每1人不满足扣10分,扣完为止。303.2专业结构3.2.1教师专业结构合理,能满足培训课程等方面(每门至少1人)的授课需要。按申请范围,每缺1门教师扣10分,扣完为止。70二级指标合计100本项标准得分(本大项二级指标得分总分X30%)4培训管理4.1队伍4.1.1配备专科以上学历,并有3年以上安全培训管理或有相关工作经历的专职业务负责人。没有专职或分管负责人扣20分,专职业务负责人、学历及工作经历中每有一项达不到要求扣5分。304.1.2专职管理人员应具有中专以上学历。每有1名专职管理人员达不到要求扣5分,扣完为止。4.2制度4.2.1教学管理、教师管理、考核管理、教学质量控制、培训评估、档案管理、设备管理、财务管理、后勤保障等方面的制度健全。每缺一种制度扣10分,制度不完善的酌情扣分,扣完为止。70二级指标合计100本项标准得分(本大项二级指标得分总分X20%)5辅助设施辅助5.1实验设备5.1.1实际操作场地面积符合标准要求。场地面积一个类别不合格扣10分。505.1.2各培训类别的实际操作设备符合标准要求。每一类别实际操作设备功能满足实习要求扣10分。5.1.3每培训类别实操设备数量与同期学员比不低于1:10。每一类别实操设备数量不满足扣10分。5.1.4各类别实习操作安全规程应健全、上墙。每一类别安全规程不合要求扣5分。5.2计算机5.2.1有独立的计算机室。没有独立的计算机室不得分。155.2.2计算机不少于10台。现场查看,对照设备清单,每缺1台计算机扣2分,扣完为止。5.2.3可上因特网。3.不能上网扣5分。5.3图书资料5.3.1有独立的、容纳人数不少于10人的阅览室。阅览室没有独立或容纳人数少于10人的不得分...

1、当您付费下载文档后,您只拥有了使用权限,并不意味着购买了版权,文档只能用于自身使用,不得用于其他商业用途(如 [转卖]进行直接盈利或[编辑后售卖]进行间接盈利)。
2、本站所有内容均由合作方或网友上传,本站不对文档的完整性、权威性及其观点立场正确性做任何保证或承诺!文档内容仅供研究参考,付费前请自行鉴别。
3、如文档内容存在违规,或者侵犯商业秘密、侵犯著作权等,请点击“违规举报”。

碎片内容

国家三级安全培训机构认定

确认删除?
VIP
微信客服
  • 扫码咨询
会员Q群
  • 会员专属群点击这里加入QQ群
客服邮箱
回到顶部