电脑桌面
添加小米粒文库到电脑桌面
安装后可以在桌面快捷访问

技术部主任岗位说明书VIP免费

技术部主任岗位说明书_第1页
1/2
技术部主任岗位说明书_第2页
2/2
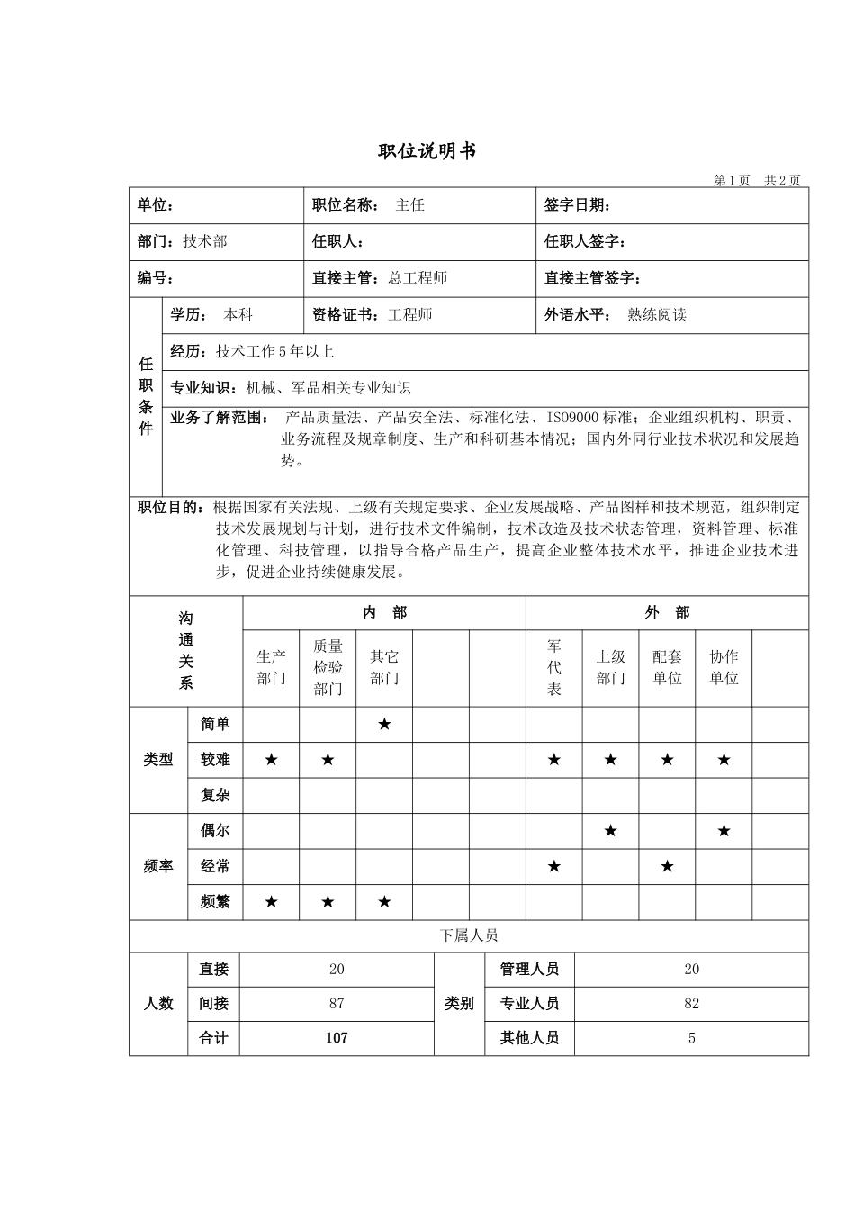
职位说明书第1页共2页单位:职位名称:主任签字日期:部门:技术部任职人:任职人签字:编号:直接主管:总工程师直接主管签字:任职条件学历:本科资格证书:工程师外语水平:熟练阅读经历:技术工作5年以上专业知识:机械、军品相关专业知识业务了解范围:产品质量法、产品安全法、标准化法、ISO9000标准;企业组织机构、职责、业务流程及规章制度、生产和科研基本情况;国内外同行业技术状况和发展趋势。职位目的:根据国家有关法规、上级有关规定要求、企业发展战略、产品图样和技术规范,组织制定技术发展规划与计划,进行技术文件编制,技术改造及技术状态管理,资料管理、标准化管理、科技管理,以指导合格产品生产,提高企业整体技术水平,推进企业技术进步,促进企业持续健康发展。沟通关系内部外部生产部门质量检验部门其它部门军代表上级部门配套单位协作单位类型简单★较难★★★★★★复杂频率偶尔★★经常★★频繁★★★下属人员人数直接20类别管理人员20间接87专业人员82合计107其他人员5职位说明书第2页共2页职责范围说明:按职责重要程度列出每项职责及其目的责任程度衡量标准1.计划编制审订:依据兵器集团公司规划、企业发展战略规划、年度计划与实际情况,组织编制并审订技术发展规划、技术项目计划、质量工作计划及专题计划,组织实施并检查落实、考核,以指导技术工作有章有序运行。全责准确全面可行2.技术状态管理:依据《定型产品管理条例》,组织协调编制技术规范和产品图样;处理解决生产过程发生的技术问题;评审产品;生产条件确认及新产品试制技术状态检查,首件鉴定;不合格品审理,提出处理意见;产品改进,以便产品生产过程受控,保证生产合格品。全责生产顺利进行3.技术项目改造:依据国防科工委对企业技术改造的要求、企业发展规划和发展状况,提出技术改造项目建议书,进行可行性调查研究,拟定可行性报告,进行项目设计,实施和验收,以提高企业整体技术水平和生产能力,满足产品生产的需要。全责合理性经济性实用性4.资料档案管理:依据档案法,企业质量管理规定和发展需要,组织对军品、民品、机电、财务、产品底图、工装等资料进行收集、整理、翻译、装订、保管、控制和使用,以保存原始历史资料,以方便查阅、使用。全责正确完整齐全完好方便5.技术文件编制:依据产品图样、技术规范和工艺技术水平,组织并审订工艺路线、工艺规程、工装、工卡量刀具、辅具设计或选择,主辅材料消耗定额,质量控制等工艺文件的编制;进行工艺改进,不断运用新工艺、新方法,以指导产品制造,保证生产合格产品。全责完整匹配齐全可行6.标准化管理:依据标准化法、国防科工委、兵器集团的标准化管理规定要求,组织对军民品、原材料的标准化资料收集、整理、使用;编制企业标准;并保证标准化体系的正常运行,提高产品标准化程度,保证产品质量。全责标准化程度7.科技信息管理:依据企业发展战略需求,组织科协工作,建立情报手册,推广技术革新,进行科技成果管理,知识产权管理,图书资料阅览室管理,开展群众性技术革新、创新,维护知识产权,推动企业技术进步。全责有效性8.属员管理:根据企业人力资源规划和管理制度,负责技术部组织机构设置,直接属员的选聘、奖惩、晋升、培训;参与关键岗位的选聘、认可和管理;加强团队建议,增强凝聚力,密切协作关系,保证技术部职能的顺利履行和工作目标的实现。全责满意度健康度

1、当您付费下载文档后,您只拥有了使用权限,并不意味着购买了版权,文档只能用于自身使用,不得用于其他商业用途(如 [转卖]进行直接盈利或[编辑后售卖]进行间接盈利)。
2、本站所有内容均由合作方或网友上传,本站不对文档的完整性、权威性及其观点立场正确性做任何保证或承诺!文档内容仅供研究参考,付费前请自行鉴别。
3、如文档内容存在违规,或者侵犯商业秘密、侵犯著作权等,请点击“违规举报”。

碎片内容

技术部主任岗位说明书

书海行舟+ 关注
实名认证
内容提供者

热爱教学事业,对互联网知识分享很感兴趣

确认删除?
VIP
微信客服
  • 扫码咨询
会员Q群
  • 会员专属群点击这里加入QQ群
客服邮箱
回到顶部