电脑桌面
添加小米粒文库到电脑桌面
安装后可以在桌面快捷访问

高架桥扩大基础施工方案培训资料VIP免费

高架桥扩大基础施工方案培训资料_第1页
1/29
高架桥扩大基础施工方案培训资料_第2页
2/29
高架桥扩大基础施工方案培训资料_第3页
3/29
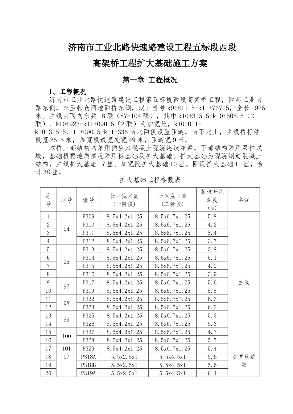
济南市工业北路快速路建设工程五标段西段高架桥工程扩大基础施工方案第一章工程概况1、工程概况济南市工业北路快速路建设工程第五标段西段高架桥工程,西起工业南路东侧,东至韩仓河地面桥东侧,起止桩号k9+811.5-k11+737.5,全长1926米。主线由西向东共18联(87-104联),其中k10+315.5-k10+505.5(2联)、k10+923-k11+090.5(2联)为加宽段,k10+021-k10+315.5、11+090.5-k11+335南北两侧设置匝道,南下北上,主线桥标注段宽25.5米,加宽段最宽处宽49米,匝道宽9米。本桥上部结构均采用预应力混凝土现浇连续箱梁,下部结构采用双柱式墩,基础根据地质情况采用桩基础及扩大基础。扩大基础为现浇钢筋混凝土结构,主线扩大基础17座、加宽段扩大基础10座、匝道扩大基础11座,合计38座。扩大基础工程参数表序号联号墩号长×宽×高(一阶段)长×宽×高(二阶段)基坑开挖深度(m)备注194P3098.5x4.2x1.258.5x6.7x1.255.8主线2P3108.5x4.2x1.258.5x6.7x1.254.23P3118.5x4.2x1.258.5x6.7x1.255.44P3128.5x4.2x1.258.5x6.7x1.253.7595P3138.5x4.2x1.258.5x6.7x1.253.86P3148.5x4.2x1.258.5x6.7x1.255.17P3158.5x4.2x1.258.5x6.7x1.254.28P3168.5x4.2x1.258.5x6.7x1.253.9997P3178.5x4.2x1.258.5x6.7x1.255.610P3198.5x4.2x1.258.5x6.7x1.255.81198P3228.5x4.2x1.258.5x6.7x1.256.312P3238.5x4.2x1.258.5x6.7x1.256.21399P3258.5x4.2x1.258.5x6.7x1.255.314P3268.5x4.2x1.258.5x6.7x1.255.315100P3278.5x4.2x1.258.5x6.7x1.254.716P3288.5x4.2x1.258.5x6.7x1.255.717101P3298.5x4.2x1.258.5x6.7x1.255.41897P318A5.5x2.5x15.5x4.5x15.6加宽段边墩19P318B5.5x2.5x15.5x4.5x15.620P319A5.5x2.5x15.5x4.5x16.421P319B5.5x2.5x15.5x4.5x16.422P320A5.5x2.5x15.5x4.5x16.623P320B5.5x2.5x15.5x4.5x16.62498P321A5.5x2.5x15.5x4.5x17.825P321B5.5x2.5x15.5x4.5x17.826P322A5.5x2.5x15.5x4.5x16.627P322B5.5x2.5x15.5x4.5x16.628M匝道M16.6x2.5x16.6x4.5x16.6匝道29M26.6x2.5x16.6x4.5x16.530M36.6x2.5x16.6x4.5x15.331M46.6x2.5x16.6x4.5x15.332M59x4.15x19x5.15x14.933N匝道N16.6x2.5x16.6x4.5x16.534N26.6x2.5x16.6x4.5x16.535N36.6x2.5x16.6x4.5x15.336N46.6x2.5x16.6x4.5x15.337N56.6x2.5x16.6x4.5x14.838N69x4.15x19x5.15x15.1合计:38座主线扩大基础示意图加宽段边墩扩大基础示意图匝道扩大基础示意图匝道桥台扩大基础示意图2、地形、地貌及地下水2.1地形、地貌济南市地处鲁中山地的北缘,南依泰山,北临黄河,地形南高北低。南部为绵延起伏的山区,山势陡峻,深沟峡谷,绝对标高200-600米;中部为山前倾斜平原,绝对标高一般40-90米;北部为冲积平原。本工程范围属于黄河、小清河冲积平原,沿线东高西低。2.2地下水拟建高架桥沿线地下水类型有第四系孔隙潜水、岩溶裂隙水、岩浆岩裂隙水。勘探期间为枯水期,济钢西门以东勘探深度范围内地下水主要为第四系孔隙潜水及灰岩岩溶裂隙水。2.3岩土层及其物理力学性质拟建场地内第四系地层上部主要为河流冲积成因的粉土、粘性土组成。在钻探深度范围内可分为8层,自上而下分述如下:(1)填土(Q42ml):分为杂填土、素填土和卵石素填土。该层局部厚度较大,为4.5-5.0米。杂填土:杂色,松散,成分不一,均匀性很差,含较多灰渣、碎石、混凝土块等,该层上部为混凝土路面。1)素填土:褐色-黄褐色,可塑,稍密,稍湿,粘性土为主,含少量砖屑、灰渣等。2)卵石素填土:杂色,稍密,母岩成分为灰岩,呈亚圆形,粒径2-9cm,含量50-70%,充填粘性土。层底深度0.4-6m,层底标高18.11-50.38m。(2)粉质粘土、粘土、粉土(Q4al)粉质粘土:褐黄色,可塑,局部软塑,湿,刀切面稍光滑,含氧化铁,局部含粉土薄层。该层分布较连续。1)粘土:褐色~浅灰色,可塑,局部软塑,湿,刀切面光滑,含铁锰氧化物。2)粉土:褐黄色,稍密,湿,刀切面粗糙,摇震反应迅速。3)粉质粘土:浅灰色,软~可塑,湿,刀切面稍光滑,含有机质,氧化铁斑点。厚度:1.6~8.3m,层底深度:3.4~9.4m,层底标高:14.64~20.76m。(3)粘土、粉质粘土(Q4al)粘土:灰褐色,可~硬塑,...

1、当您付费下载文档后,您只拥有了使用权限,并不意味着购买了版权,文档只能用于自身使用,不得用于其他商业用途(如 [转卖]进行直接盈利或[编辑后售卖]进行间接盈利)。
2、本站所有内容均由合作方或网友上传,本站不对文档的完整性、权威性及其观点立场正确性做任何保证或承诺!文档内容仅供研究参考,付费前请自行鉴别。
3、如文档内容存在违规,或者侵犯商业秘密、侵犯著作权等,请点击“违规举报”。

碎片内容

高架桥扩大基础施工方案培训资料

确认删除?
VIP
微信客服
  • 扫码咨询
会员Q群
  • 会员专属群点击这里加入QQ群
客服邮箱
回到顶部