电脑桌面
添加小米粒文库到电脑桌面
安装后可以在桌面快捷访问

道路客货运输驾驶员从业资格考试专业能力考核评分表VIP免费

道路客货运输驾驶员从业资格考试专业能力考核评分表_第1页
1/6
道路客货运输驾驶员从业资格考试专业能力考核评分表_第2页
2/6
道路客货运输驾驶员从业资格考试专业能力考核评分表_第3页
3/6
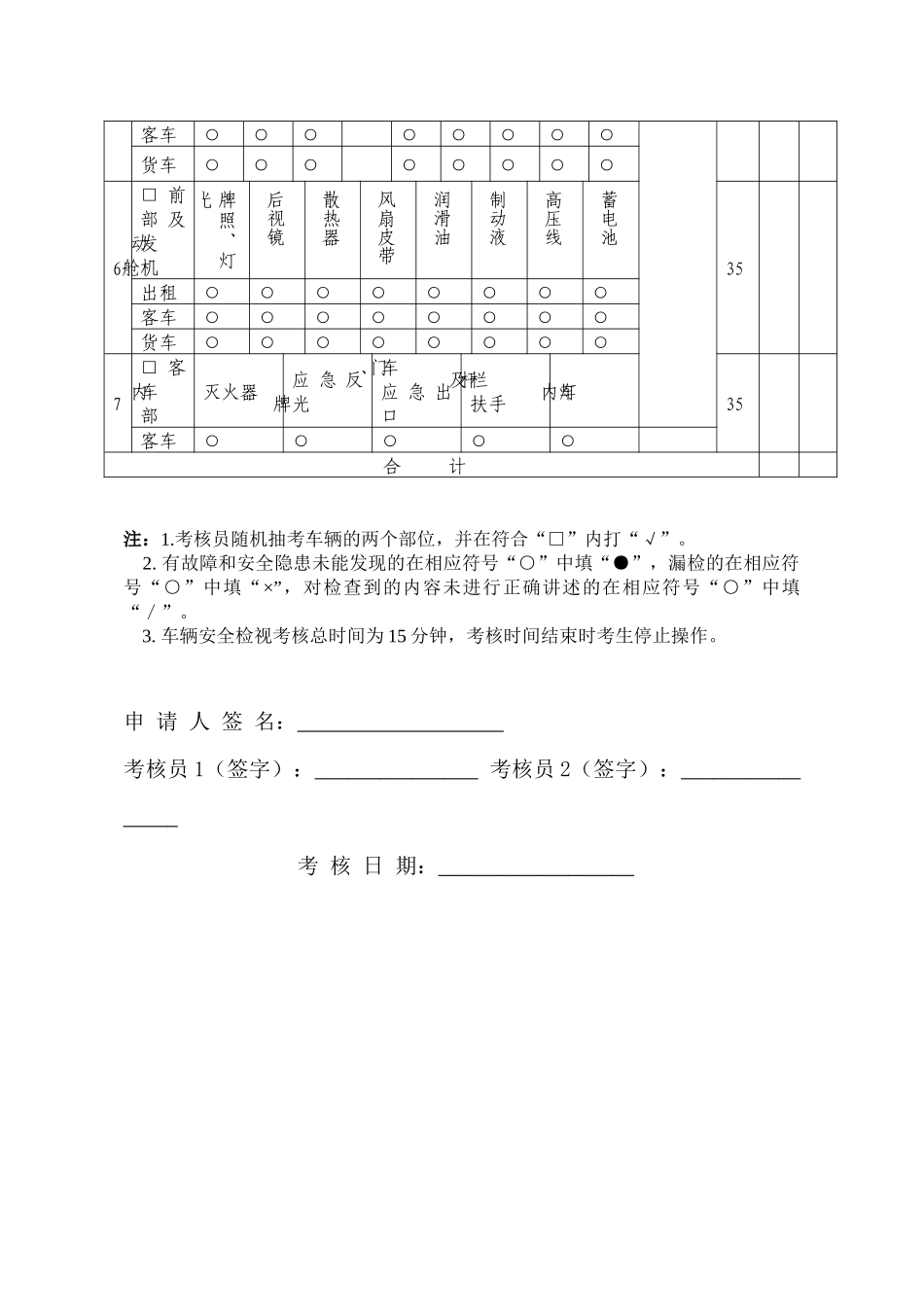
宜昌市道路客货运输驾驶员从业资格考试专业能力考核评分表考核项目:□客车□货车□出租车辆安全检视□初考□补考准考证号码:_____________________姓名:_____________________项目考试内容评分标准标准分扣分实得分1□驾驶室内部安全带灯光、喇叭、仪表后视镜刮水器、门锁转向盘制动踏板离合器驻车制动器操纵杆发动机有无异响①有故障和安全隐患未能发现的扣15分;②每漏检一项内容扣5分;③对检查到的内容未进行正确讲述的扣2分。35出租○○○○○○○○○○客车○○○○○○○○○○货车○○○○○○○○○○2□左中后部油箱及轮胎轮胎螺半轴螺制动鼓制动管贮气筒钢板弹U型螺传动轴侧栏板35出租○○○客车○○○○○○○○○○货车○○○○○○○○○○○3□车后部牌照、灯光备胎驱动桥壳后栏板35出租○○客车○○○货车○○○○4□右中后部轮胎轮胎螺半轴螺制动鼓制动管贮气筒钢板弹U型螺栓传动轴驱动桥侧栏板35出租○○○客车○○○○○○○○○货车○○○○○○○○○○5□左、右前部横直拉杆及球头轮胎轮胎螺栓半轴螺栓制动鼓及轮毂制动管路储气筒钢板弹簧U形螺栓35出租○○○客车○○○○○○○○货车○○○○○○○○6□前部及发动机舱牌照、灯光后视镜散热器风扇皮带润滑油制动液高压线蓄电池35出租○○○○○○○○客车○○○○○○○○货车○○○○○○○○7□客车内部灭火器应急反光牌车门、应急出口栏杆及扶手车内灯35客车○○○○○合计注:1.考核员随机抽考车辆的两个部位,并在符合“□”内打“√”。2.有故障和安全隐患未能发现的在相应符号“○”中填“●”,漏检的在相应符号“○”中填“×”,对检查到的内容未进行正确讲述的在相应符号“○”中填“/”。3.车辆安全检视考核总时间为15分钟,考核时间结束时考生停止操作。申请人签名:考核员1(签字):_______________考核员2(签字):________________考核日期:__________________宜昌市道路客货运输驾驶员从业资格考试专业能力考核评分表考核项目:旅客急救□初考□补考准考证号码:_______________________姓名:_________________________项目内容操作要求标准分扣分实得分心肺复苏1.判断意识确定抢救现场无安全隐患15分①出现严重操作错误的扣15分;②出现操作顺序错误的扣10分;③每漏掉一个操作环节的扣5分;拍患者双肩分别对双耳呼叫,呼叫声响亮有效向急救中心呼救2.摆放体位医生与患者体位正确3.开放气道观察口腔有无异物压额抬颏方法正确4.人工呼吸判断自主呼吸动作规范判断时间5~10秒钟首次通气有效有效人工呼吸第一周期第二周期第三周期第四周期第五周期观察患者胸廓起伏情况5.胸外心脏按压检查颈动脉搏动方法正确判断时间5~10秒钟扣手,两肘关节伸直以身体重量垂直下压,压力均匀有效按压第一周期第二周期第三周期第四周期第五周期观察患者面色6.复检判断大动脉搏动是否恢复判断呼吸是否恢复判断时间5~10秒钟心肺复苏实得分1.指压止血法□□颞浅动脉止□肱动脉止血□股动脉止血正确确认动脉点位置(8分);压迫方法正确(7分)。152.加压包扎止血□右前臂中段掌面有一2×4cm大小软组织缺损创面,广泛渗血,中央有喷射性出血。敷料选择合适(3分),无菌原则取敷料(4分),创面覆盖完整(3分),扎绷带方法正确(4分),加压均匀、适度(4分),绷带卷无脱落(2分),包扎平整美观(2分),敷料无外露(2分),前臂悬吊正确(3分)。153.加垫屈肢止血法□□上肢前臂出血□上肢上臂出血□下肢小腿出血判断是否有骨折或关节损伤(3分);在肘窝、腋窝或腘窝放纱布垫、棉花团或毛巾(2分);屈曲关节(2分);屈曲肢体缠绑适度(2分);扎绷带方法正确(3分);绷带卷无脱落(2分),包扎平整美观(1分)。154.绷带包扎法□□手腕部受伤□手掌部受伤创面覆盖完整(2分),扎绷带方法正确(5分),加压均匀、适度(3分),绷带卷无脱落(2分),包扎平整美观(1分),敷料无外露(2分)。155.三角巾包扎法□□头部受伤□肩部受伤□胸部受伤□腹部受伤创面覆盖完整(2分),扎绷带方法正确(5分),加压均匀、适度(3分),绷带卷无脱落(2分),包扎平整美观(1分),敷料无外露(2分)。1...

1、当您付费下载文档后,您只拥有了使用权限,并不意味着购买了版权,文档只能用于自身使用,不得用于其他商业用途(如 [转卖]进行直接盈利或[编辑后售卖]进行间接盈利)。
2、本站所有内容均由合作方或网友上传,本站不对文档的完整性、权威性及其观点立场正确性做任何保证或承诺!文档内容仅供研究参考,付费前请自行鉴别。
3、如文档内容存在违规,或者侵犯商业秘密、侵犯著作权等,请点击“违规举报”。

碎片内容

道路客货运输驾驶员从业资格考试专业能力考核评分表

书海行舟+ 关注
实名认证
内容提供者

热爱教学事业,对互联网知识分享很感兴趣

确认删除?
VIP
微信客服
  • 扫码咨询
会员Q群
  • 会员专属群点击这里加入QQ群
客服邮箱
回到顶部