电脑桌面
添加小米粒文库到电脑桌面
安装后可以在桌面快捷访问

醋酸压力管道施工方案4-11VIP免费

醋酸压力管道施工方案4-11_第1页
1/65
醋酸压力管道施工方案4-11_第2页
2/65
醋酸压力管道施工方案4-11_第3页
3/65
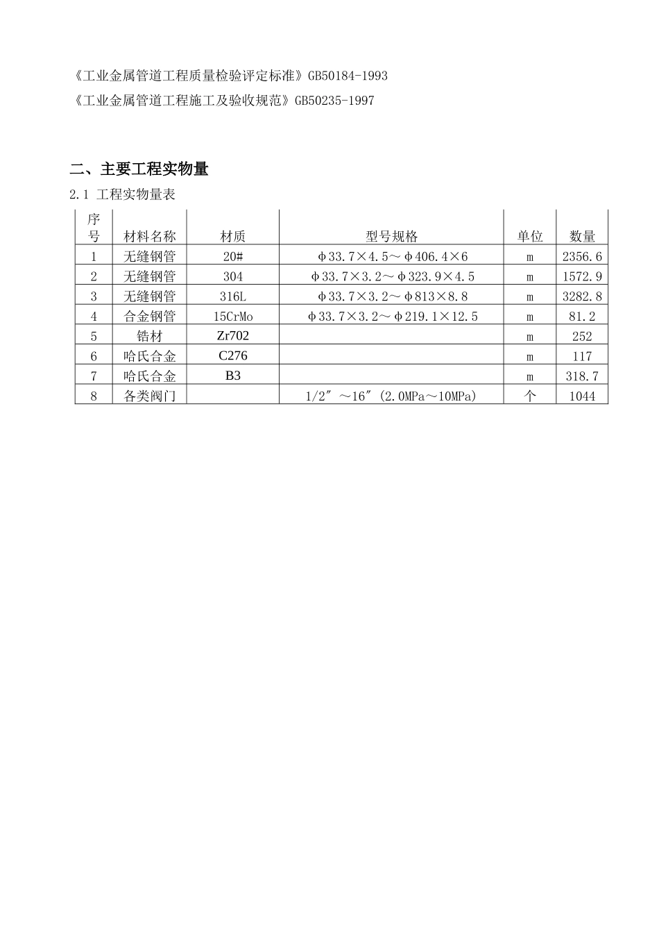
一、工程概况1.1工程名称:安徽华谊化工有限公司年产50万吨醋酸项目非特材工艺管道1.2建设单位:安徽华谊化工有限公司1.3设计单位:上海工程化学设计院有限公司1.4监理单位:上海化工工程监理有限公司1.5施工总承包单位:上海市安装工程有限公司1.6工程地点:安徽省巢湖市无为县无为经济开发区1.7本区域内的压力管道属于GC1、GC2、GC3级压力管道;工艺(压力)管道的无损检测比例参照《工业金属管道设计规范》GB50316-2000附录J中关于管道无损检测的相关规定。1.8工程特点:1.8.1.本项目内的压力管道目前已到图纸统计的数量:非特材管道近7293.5m,由Φ33.7×3.2~Φ813×8.8的管道组成,设计压力范围为:0.1MPa~5.8MPa,温度范围为:60℃~265℃。管道的材质分别为20#、3O4(0Cr18Ni9)、304L、316L(00Cr17Ni14Mo2)、15CrMoG、Zr702、C276、B3等无缝钢管和焊接钢管。1.8.2.工艺管线中的阀门、流量计、压力表和温度计等均由业主提供,施工方提供管材、管配件、焊材等辅料。1.8.3.本工程设计已出管道单线图,从现场施工、无损检测、竣工资料的要求出发,本公司将组织工程技术人员对管道单线图进行深化。1.8.4.工艺管道的预制和安装计划从2011年3月20日开始至2011年8月15日具备中间交接条件。1.8.5.本工程内的压力管道较多,工艺系统较复杂,塔顶管较多、较大,不锈钢管较多,大部分为露天布置,施工条件较差,受季节气候影响较大。1.9方案编制依据:《建筑设计防火规范》GB50016-2006《石油化工企业设计防火规范》GB50160-2008《压力管道安全管理与监察规程》劳部发[1996]140号《压力管道安全技术监察规程-工业管道》TSGD0001-2009《职业性接触毒物危害程度分级》GBZ230-2010《现场设备、工业管道焊接工程施工及验收规范》GB50236-1998《工业设备及管道焊接工程施工及验收规范》GBJ126-2008《化工设备、管道防腐蚀工程施工及验收规范》HGJ229-91《石油化工剧毒、可燃介质管道工程施工及验收规范》H3501-2009《工业金属管道工程质量检验评定标准》GB50184-1993《工业金属管道工程施工及验收规范》GB50235-1997二、主要工程实物量2.1工程实物量表序号材料名称材质型号规格单位数量1无缝钢管20#φ33.7×4.5~φ406.4×6m2356.62无缝钢管304φ33.7×3.2~φ323.9×4.5m1572.93无缝钢管316Lφ33.7×3.2~φ813×8.8m3282.84合金钢管15CrMoφ33.7×3.2~φ219.1×12.5m81.25锆材Zr702m2526哈氏合金C276m1177哈氏合金B3m318.78各类阀门1/2〞~16〞(2.0MPa~10MPa)个10442.2压力管道特性表材料等级物料名称物料代号设计温度设计压力管道材料压力管道等级A21E火炬气NF210FV/0.7316LGC1(1)A21E火炬气NF165FV/1.0316LGC1(1)A21E工艺流体P601.1316LGC3A21E工艺流体P160FV/1.0316LGC2A21E工艺流体P2150.65316LGC2A21E放空至大气AV200FV/0.7316LGC1(1)A23E工艺流体P205FV/0.8316LGC2A23E工艺流体P190FV/1.08316LGC2A24E氢氧化钾KL50FV/0.95304LGC2A25E放空至大气(可能含物料)AV1601304LGC2A26E工艺流体P601.41316LGC3A26E工艺流体P195FV/1.0316LGC2A26E工艺流体P205FV/0.8316LGC2A27E低压氮气N3600.6316LGC2A27E工艺流体P195FV/1.1316LGC2A29E仪表空气IA601304GC3A20E一氧化碳CO601.1304GC1(1)B21E工艺流体P504316LGC3B22E工艺流体P501.7316LGC3B22E工艺流体P701.6316LGC3B22E工艺流体P1651.3316LGC2B22E排放气NF501.3316LGC2B25E工艺流体P2051.98316LGC2B26E一氧化碳CO60FV/4.2304GC1(1)D21E工艺流体P1655.54316LGC1(1)D21E工艺流体P2044.73316LGC1(2)D21E工艺流体P1555.8316LGC1(1)A24BLP0.5MPa(G)蒸汽S5180FV/0.7碳钢20#GC3A24BVLP0.35MPa(G)蒸汽S4180FV/0.45碳钢20#GC3A25B氮气N3600.6碳钢20#GC3A25B氮气(瓶装)NGB600.9碳钢20#GC3A26B甲醇ML600.15碳钢20#GC1(2)B21BIP1.5MPa(G)蒸汽S15230FV/2.0碳钢20#GC2B22B一氧化碳(外管)CO60FV/4.2碳钢20#GC1(1)B22B甲醇ML504.34碳钢20#GC1(2)B22B工艺流体P204FV/4.3碳钢20#GC1(2)D21CMP3.8MPa(G)蒸汽S38450FV/4.4低合金钢15CrMoGGC1(3)B3粗醋酸特材205FV/0.45B3GC1B3T20305塔塔顶物特材205FV/0.76B3GC1Zr702催化剂溶液特材1654.5Zr702GC1Zr702反...

1、当您付费下载文档后,您只拥有了使用权限,并不意味着购买了版权,文档只能用于自身使用,不得用于其他商业用途(如 [转卖]进行直接盈利或[编辑后售卖]进行间接盈利)。
2、本站所有内容均由合作方或网友上传,本站不对文档的完整性、权威性及其观点立场正确性做任何保证或承诺!文档内容仅供研究参考,付费前请自行鉴别。
3、如文档内容存在违规,或者侵犯商业秘密、侵犯著作权等,请点击“违规举报”。

碎片内容

醋酸压力管道施工方案4-11

您可能关注的文档

确认删除?
VIP
微信客服
  • 扫码咨询
会员Q群
  • 会员专属群点击这里加入QQ群
客服邮箱
回到顶部