电脑桌面
添加小米粒文库到电脑桌面
安装后可以在桌面快捷访问

ABS工艺管道施工技术措施VIP免费

ABS工艺管道施工技术措施_第1页
1/6
ABS工艺管道施工技术措施_第2页
2/6
ABS工艺管道施工技术措施_第3页
3/6
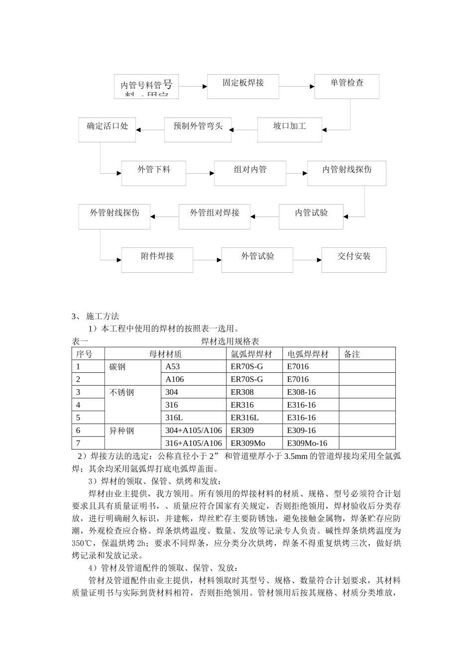
工艺管道施工技术措施目录1、工程简介2、施工程序3、施工方法4、采用标准5、质量保证措施6、安全注意事项7、需要施工机械1、工程简介台塑宁波有限公司ABS工程工艺管道工程的安装工程量约28000DB,主要材料为碳钢不锈钢两大类。碳钢有:A53、A106。不锈钢由304、316、316L。管道最小壁厚为1.53mm,最大壁厚约为。2、施工程序1)、管道预制施工程序2)管道现场安装施工程序3)夹套管预制程序:开工领料划线切割下料喷砂油漆尺寸检查坡口加工坡口检查预安装焊接点焊(预热)外观检查X-RAY检查焊后热处理耐压试验硬度试验、探伤检测、尺寸检测涂装标记包装搬运交付安装补漆预制管段管内清洁管支架安装焊接焊口检查、点焊、预热外观检查X-RAY检查焊后热处理最终检查检查焊口有无遗漏调整管架试压吹扫油漆3、施工方法1)本工程中使用的焊材的按照表一选用。表一焊材选用规格表序号母材材质氩弧焊焊材电弧焊焊材备注1碳钢A53ER70S-GE70162A106ER70S-GE70163不锈钢304ER308E308-164316ER316E316-165316LER316LE316-166异种钢304+A105/A106ER309E309-167316+A105/A106ER309MoE309Mo-162)焊接方法的选定:公称直径小于2”和管道壁厚小于3.5mm的管道焊接均采用全氩弧焊;其余均采用氩弧焊打底电弧焊盖面。3)焊材的领取、保管、烘烤和发放:焊材由业主提供,我方领用。所有领用的焊接材料的材质、规格、型号必须符合计划要求且具有质量证明书,、质量应符合国家有关规定,否则拒绝领用,焊材验收后分类存放,进行明确耐久标识,并建帐,焊丝贮存主要防锈蚀,避免接触金属物,焊条贮存应防潮,外观检查应合格。焊条烘烤温度、数量、发放等记录专人负责。碱性焊条烘烤温度为350℃,保温烘烤2h;要求不同焊条,应分类分次烘烤,焊条不得重复烘烤三次,做好烘烤记录和发放记录。4)管材及管道配件的领取、保管、发放:管材及管道配件由业主提供,材料领取时其型号、规格、数量符合计划要求,其材料质量证明书与实际到货材料相符,否则拒绝领用。管材领用后按其规格、材质分类堆放,内管号料管号料→固定固定板焊接单管检查确定活口处预制外管弯头坡口加工外管下料组对内管内管射线探伤内管试验外管组对焊接外管射线探伤交付安装外管试验附件焊接合金钢、不锈钢管及其组成件堆放在木垫上且与碳钢隔离。阀门、法蓝、管件、垫片、螺栓领取后存放在配件仓库内,碳钢螺栓涂防锈油保护。碳钢法兰面与加工面,涂防锈油后以木板或塑胶盖保护。5)下料管子切断前应将内部杂物清理干净,不锈钢管D外≤108mm采用砂轮切割机;D外〉108mm采用等离子切割或管道坡口机切割。碳钢管D外≤108mm采用砂轮切割机;D外〉108mm采用氧—乙炔切割或管道坡口机切割。材料的切割必须按照图纸的下料尺寸切割,切割后用砂轮机将切口表面磨光。切割后应在管段上标明管线号,必要时标上焊口编号。切口端面倾斜偏差Δ≤1%D外,Δmax=3mm。6)坡口加工坡口采用电动坡口机加工和角向磨光机修整坡口。其坡口型式参见下图:Aδaaδ=3mm及以下δ>3㎜7)预制管段的组装预制管段的组装在管道预制厂内进行,管段的组装以管道内径为基准进行组对,组对前,将钢管内清理干净和坡口及其接口处内外表面20mm范围内清理干净,方可正式的组对工作。预制管段组对时其与设备管口及地下管线的配管段应须预留尺寸以便现场安装。预制管段制作完成后管端用塑料袋或管套进行封闭,并做上管线编号的标记,其标记应覆盖管段下料的标记。管子或管件对口,做到内壁齐平,其内壁错边量做到小于0.3mm。8)焊接焊前准备:彻底清除接头外的氧化膜、油脂、油漆、涂层、加工用的润滑剂等。将焊口表面任何不规则物(如波纹、凹陷、焊渣、飞溅物等)进行修磨;不锈钢焊道两侧100mm范围内在焊前涂刷焊渣防止剂;对法兰的密封面做适当的防护定位焊:所用的焊材与正式焊接的焊材相同,焊接参数与正式焊接的焊接参数相同。正式焊接:正式焊接的焊材与焊接参数参见表二。氩弧焊引弧:采用高频振荡器或高压脉冲发生器进行非接触引弧。焊接时焊枪、焊丝与焊件的相对位置如图2所示,焊枪应顺着旋转方面离最高点一定角度,施焊时,焊枪除作匀速前移外,还做各种摆动(横向)。焊件...

1、当您付费下载文档后,您只拥有了使用权限,并不意味着购买了版权,文档只能用于自身使用,不得用于其他商业用途(如 [转卖]进行直接盈利或[编辑后售卖]进行间接盈利)。
2、本站所有内容均由合作方或网友上传,本站不对文档的完整性、权威性及其观点立场正确性做任何保证或承诺!文档内容仅供研究参考,付费前请自行鉴别。
3、如文档内容存在违规,或者侵犯商业秘密、侵犯著作权等,请点击“违规举报”。

碎片内容

ABS工艺管道施工技术措施

您可能关注的文档

确认删除?
VIP
微信客服
  • 扫码咨询
会员Q群
  • 会员专属群点击这里加入QQ群
客服邮箱
回到顶部