电脑桌面
添加小米粒文库到电脑桌面
安装后可以在桌面快捷访问

机电技术教育专业 用于带式运输机的二级圆柱斜齿轮减速器设计和实现VIP免费

机电技术教育专业  用于带式运输机的二级圆柱斜齿轮减速器设计和实现_第1页
1/5
机电技术教育专业  用于带式运输机的二级圆柱斜齿轮减速器设计和实现_第2页
2/5
机电技术教育专业  用于带式运输机的二级圆柱斜齿轮减速器设计和实现_第3页
3/5
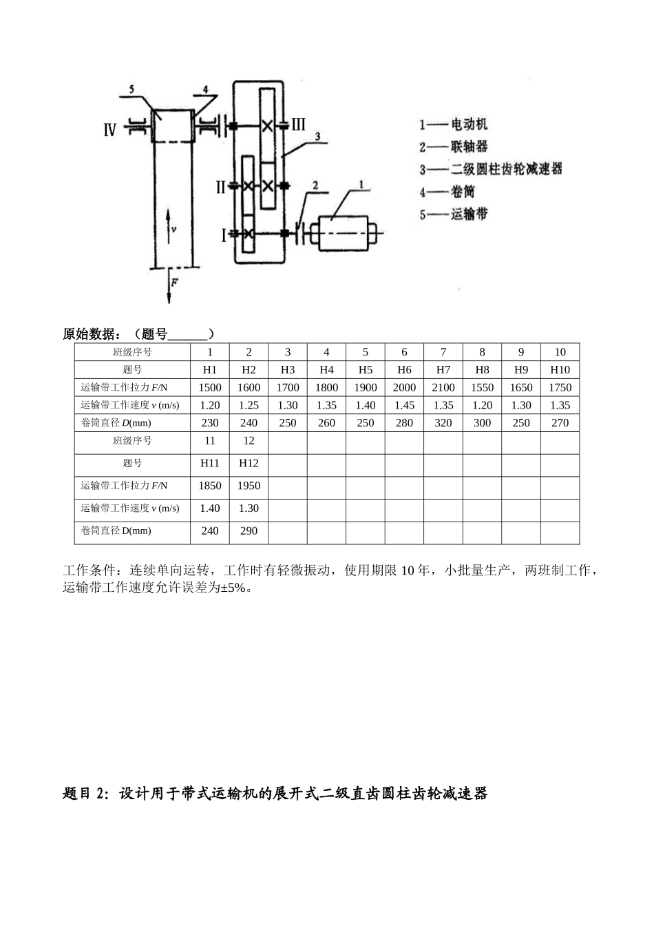
《机械设计课程设计》任务书姓名学号题号一、课程设计的目的机械设计课程设计是《机械设计基础Ⅱ》课程最后一个重要的实践性教学环节,也是工科院校机械类专业学生第一次全面的机械设计训练。课程设计的目的为:1、综合运用机械设计课程及其它先修课程的理论和生产实际知识进行机械设计训练,从而使这些知识得到进一步的巩固、加深和扩展。2、在课程设计实践中学习和掌握通用机械零部件、机械传动及一般机械设计的基本方法与步骤,培养学生工程设计能力,分析问题、解决问题的能力以及创新能力。3、提高学生在计算、制图、运用设计资料、进行经验估算、考虑技术决策等机械设计方面的基本技能。二、课程设计的内容与题目课程设计的内容包括:电动机的选择;计算传动装置的运动和动力参数;传动零件、轴的设计计算;轴承、联轴器、润滑、密封和连接件的选择及校核计算;箱体结构及附件的设计;绘制装配工作图及零件工作图;编写设计计算说明书。在规定的学时数内,要求每个学生在设计中完成以下工作:①减速器装配图一张(A1号图纸);②零件工作图2张(A3号图纸,轴一张、齿轮一张);③只对中间轴的强度和中间轴上轴承的寿命进行校核计算;④设计说明书1份,5000字以上。三、设计说明书内容(1)封面、目录(标题及页码,需整理后确定);(2)设计任务书(原始数据、传动方案简图);(3)传动装置的总体设计,主要包括:①电动机选择②总传动比的确定及分配③确定各轴的功率、转速和转矩④传动零件的设计计算⑤轴的结构、尺寸设计及强度校核⑥键联接的选择和计算⑦滚动轴承的选择及计算⑧联轴器的选择⑨润滑方式、润滑油牌号及密封装置的选择;(4)箱体及附件设计(主要结构尺寸的设计与计算);(5)参考文献参考文献格式示例:[1]濮良贵,纪名刚.机械设计(第8版).北京:高等教育出版社,2006,5四、课程设计的步骤课程设计是一次较全面较系统的机械设计训练,应遵循机械设计过程的一般规律,大体上按以下步骤进行:阶段主要内容设计准备认真研究设计任务书,明确设计要求和条件;认真阅读课程设计指导书和减速器参考图,从而熟悉设计对象。传动装置的总体设计选择原动机,计算传动装置的运动和动力参数。传动零件的设计计算设计计算各级传动件的参数和主要尺寸,以及选择联轴器的类型和型号。减速器装配图设计计算和选择支承零件;绘制装配草图(轴系部件、传动零件、减速器箱体和附件的设计),完成装配工作图。零件工作图设计轴和齿轮零件工作图各一张。编写设计计算说明书整理和编写设计计算说明书。设计总结总结设计的收获和经验。五、设计中需要注意的问题(1)明确学习目的,端正学习态度;在教师指导下由学生独立完成;(2)正确处理理论计算和结构设计的关系;正确使用标准和规范;(3)每人一题,不得换题,不得随意变动所给设计参数;(4)杜绝抄袭!一经发现,以零分记。六、设计时间及地点安排(11-12周)第11周时间安排(设计计算):教室:求知楼B503序号任务学时数(天)指导教师1指导性讲课、准备资料1姚智华陈丰易勇陈洪军2传动装置的总体设计33传动零件的设计计算3第12周时间安排(绘制装配图和零件图):教室:求知楼B503序号任务学时数(天)指导教师1减速器装配草图及零件工作草图设计2姚智华陈丰易勇陈洪军2减速器装配图及零件工作图的绘制33撰写设计说明书和实习总结1七、主要参考书1龚桂义,罗圣国.机械设计课程设计指导书.第2版.北京:高等教育出版社,20052吴宗泽,罗圣国.机械设计课程设计手册.第3版.北京:高等教育出版社,20063濮良贵,纪名刚.机械设计.第八版.北京:高等教育出版社,20064骆素君,朱诗顺.机械课程设计简明手册.北京:化学工业出版社,20065刘朝儒,吴志军等.机械制图.第5版.北京:高等教育出版社,2006注:参考资料不限于以上几本,也可参考其它教材或机械设计手册。注意:每个同学的任务书需要有电子文档里的第1、2页和对应于自己题号的设计题目1页(第3、4、5页之一),亦即每个同学的任务书需要打印或者复印3页。任务书不可丢失,将来要和自己的课程设计材料一起装袋。题目1:设计用于带式运输机的二级圆柱斜...

1、当您付费下载文档后,您只拥有了使用权限,并不意味着购买了版权,文档只能用于自身使用,不得用于其他商业用途(如 [转卖]进行直接盈利或[编辑后售卖]进行间接盈利)。
2、本站所有内容均由合作方或网友上传,本站不对文档的完整性、权威性及其观点立场正确性做任何保证或承诺!文档内容仅供研究参考,付费前请自行鉴别。
3、如文档内容存在违规,或者侵犯商业秘密、侵犯著作权等,请点击“违规举报”。

碎片内容

机电技术教育专业 用于带式运输机的二级圆柱斜齿轮减速器设计和实现

确认删除?
VIP
微信客服
  • 扫码咨询
会员Q群
  • 会员专属群点击这里加入QQ群
客服邮箱
回到顶部