电脑桌面
添加小米粒文库到电脑桌面
安装后可以在桌面快捷访问

造价员土建方向培训教材笔记VIP专享VIP免费

造价员土建方向培训教材笔记_第1页
1/16
造价员土建方向培训教材笔记_第2页
2/16
造价员土建方向培训教材笔记_第3页
3/16
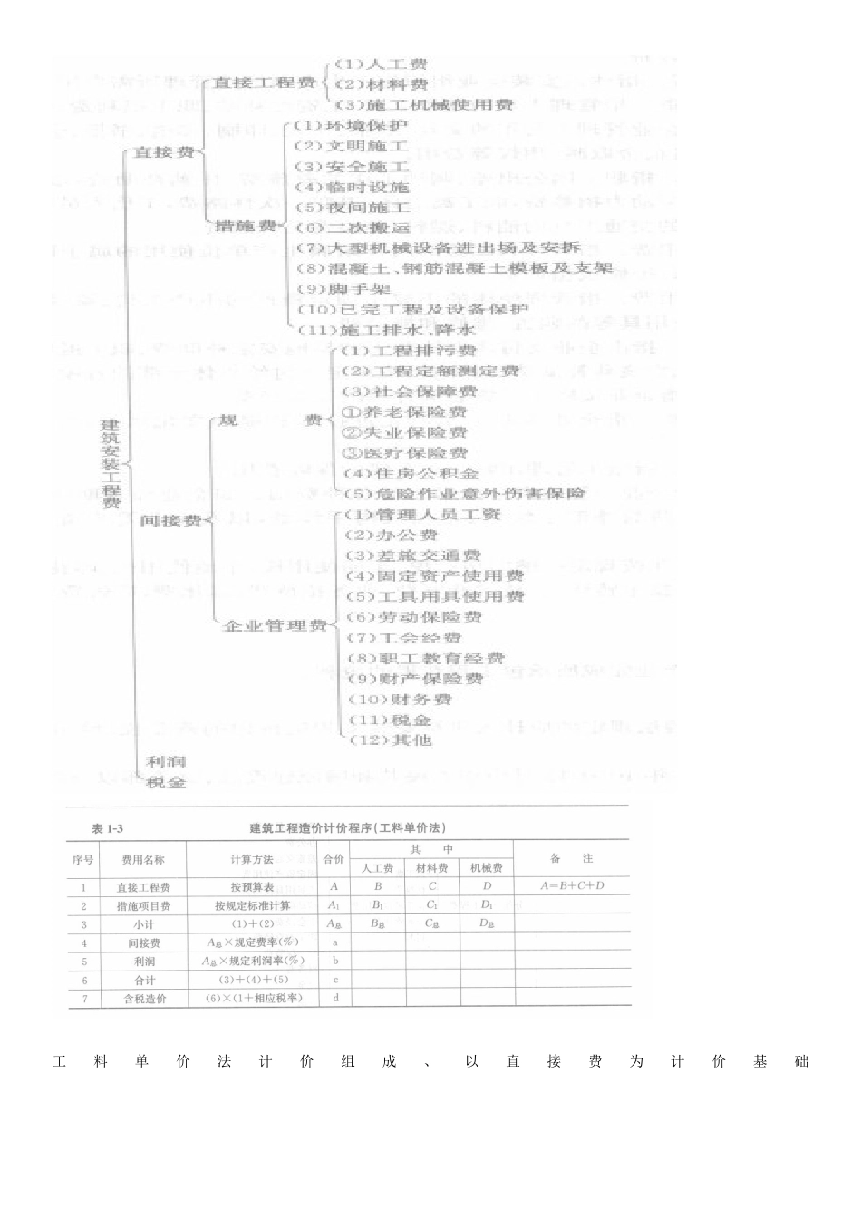
造价员土建方向培训内部资料第一、建筑工程的划分:一、按工程性质分类为:1、新建项目2、扩建项目3、改建项目4、恢复项目5、迁建项目二、按经济用途分类为:1生产性建设项目,其包括:1、工业建设2、建筑业建设3、农林水利气象建设4、交通邮电建设5、商业和物资供应建设6、地质资源勘察建设2.非生产性建设项目,其包括1、文教卫生建设2、科学研究建设3、公共事业建设4、住宅建设5、其他建设三按建设规模分类为1、大型建设项目2、中型3、小型(国家计委颁布)广义建筑工程含1、各类房屋建筑工程和房屋建筑工程的供水、供暖、卫生、通风、燃气设备的安装工程及列入建筑工程的各种管道、电力、电信和电缆导线敷设工程2设备基础3、工程和水文地质勘察、建筑场地完工后的绿化4矿井、铁路、公路、桥梁、隧道、涵洞、机场、港口、码头、水库、堤坝、灌渠及防洪工程。例如:就一项房屋建筑工程来讲、包含地基与基础工程、砌筑工程、砼工程、门窗工程、楼地面工程、屋面工程、防水、防腐、保温、隔热工程、装饰工程。第二、颁布的法律有:建筑法、招投标法、合同法、价格法。标题不确定1建设项目:厂区总图上所有的拟建工程。2单项工程:就是通俗说工程项目,能独立发挥生产能力、如住宅楼、电影院。3单位工程:不能独立发挥效益,室内给排水工程、采暖工程、通风工程、电气照明工程。4分部工程:单位工程中分解出来的,土石方工程、砼工程、楼地面工程、屋面工程、装饰工程5分项工程:分部工程中分解出来的(没有独立存在的意义、只是为了方便计算)人工土石方、机械土石方。固定资产:在生产过程中、可较长期参加生产过程而不改变实物形态的劳动资料、机械设备、房屋、其他耐用品、一般同时满足两个条件、1、使用期限一年以上2、单位价值规定限额(企业按规模大中小规定2000、1500、1000)递延资产、开办费等支出。投资、生产性投资和非生产性投资、固定资产投资和流动资产投资、总投资和净投资、直接投资和间接投资。净投资(netinvestment)又称诱发投资、为增加资本存量而进行的投资支出。重置投资、补充折旧、假定某国家投资是900亿美元、该国年末资本存量可能是5000亿美元。由于机器厂房等会不断磨损、假定每年要消耗400亿预算造价=直接费(直接工程费,措施费(临时设施费))+间接费(规费、企业管理费)+利润+税金(营业税、城市税、教育税)工料单价法计价组成、以直接费为计价基础清单的综合单价法计价组成桩基础由基桩和连接于桩顶的承台共同组成若桩身全部埋于土中、承台底面与土体接触则称为低承台桩基若桩身上部露出地面、承台底位于地面以上则称为高承台桩基比例1:150意思就是图上长度一m的线段代表实际的长度为150m零星砌砖工程混凝土构建损耗可在通用图册里查询零星项目适用于挑檐、天沟、腰线、窗台线、门窗套、压顶、扶手、雨篷周边等有零星项目一般抹灰零星项目装饰抹灰清单、定额抹灰装饰线条(突出棱角算一道)

1、当您付费下载文档后,您只拥有了使用权限,并不意味着购买了版权,文档只能用于自身使用,不得用于其他商业用途(如 [转卖]进行直接盈利或[编辑后售卖]进行间接盈利)。
2、本站所有内容均由合作方或网友上传,本站不对文档的完整性、权威性及其观点立场正确性做任何保证或承诺!文档内容仅供研究参考,付费前请自行鉴别。
3、如文档内容存在违规,或者侵犯商业秘密、侵犯著作权等,请点击“违规举报”。

碎片内容

造价员土建方向培训教材笔记

确认删除?
VIP
微信客服
  • 扫码咨询
会员Q群
  • 会员专属群点击这里加入QQ群
客服邮箱
回到顶部