电脑桌面
添加小米粒文库到电脑桌面
安装后可以在桌面快捷访问

地下车库模板施工方案VIP免费

地下车库模板施工方案_第1页
1/9
地下车库模板施工方案_第2页
2/9
地下车库模板施工方案_第3页
3/9
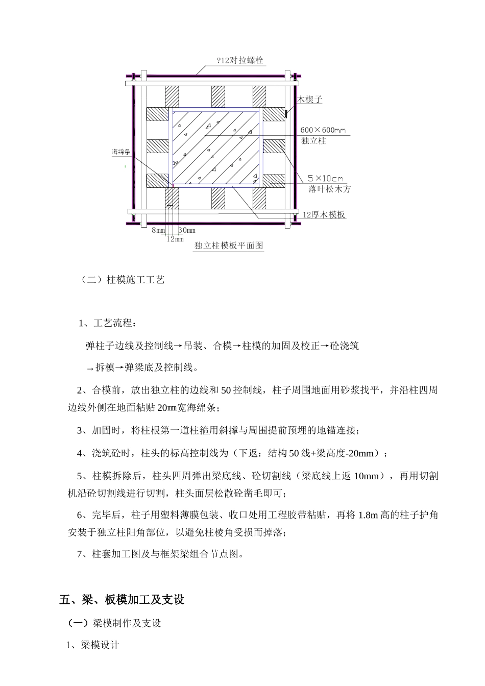
先锋家园A座地下车库模板施工方案一、工程概况A座地下车库两层,地下2F层高为3.7m,地下1F为3.9m。其中,E-D/1轴剪力墙及连墙柱采用组合钢模,独立柱及梁模板采用木胶板,顶板则采用竹胶板及5×10cm木方施工,支撑采用普通钢架管组成的满堂脚手架进行支撑。二、施工准备1、依据图纸梁板结构设计尺寸,合理设计板模的排板、梁柱模的拼接、早拆条的布置,以及满堂脚手架支撑体系的验算。2、项目部由模板专业工程师组织施工队相应模板工长、班组长学习施工安全技术交底,然后由班组长对作业人员进行班前交底。三、施工安排:1、A座车库划分两个施工段(详见附图);2、A座地下车库采用柱与顶板、梁砼分开浇筑的施工方法;3、顶板模采用早拆体系。四、柱模板加工及支设(一)柱模板加工A座地下车库框架柱截面尺寸均为600×600㎜,第一施工段有21根柱,第二施工段有15根柱,故考虑加工10套柱模,进行流水作业。1、柱模配置高度为3.3m,采用双排钢管搭设柱箍,底部三道柱箍间距为450㎜,上部两道柱箍间距为600㎜,同时按此间距设置对拉螺栓,蝶型卡、螺母均为2个以上;2、独立柱相临子母口模板拼缝间粘贴海绵条,且粘贴于母口两侧模板边缘,背楞50×100厚落叶松木方(与12厚木模板接触面用刨子刨平)净距150㎜设置一道,背楞木方与柱箍节点对加木楔子;(二)柱模施工工艺1、工艺流程:弹柱子边线及控制线→吊装、合模→柱模的加固及校正→砼浇筑→拆模→弹梁底及控制线。2、合模前,放出独立柱的边线和50控制线,柱子周围地面用砂浆找平,并沿柱四周边线外侧在地面粘贴20㎜宽海绵条;3、加固时,将柱根第一道柱箍用斜撑与周围提前预埋的地锚连接;4、浇筑砼时,柱头的标高控制线为(下返:结构50线+梁高度-20mm);5、柱模拆除后,柱头四周弹出梁底线、砼切割线(梁底线上返10mm),再用切割机沿砼切割线进行切割,柱头面层松散砼凿毛即可;6、完毕后,柱子用塑料薄膜包装、收口处用工程胶带粘贴,再将1.8m高的柱子护角安装于独立柱阳角部位,以避免柱棱角受损而掉落;7、柱套加工图及与框架梁组合节点图。五、梁、板模加工及支设(一)梁模制作及支设1、梁模设计梁模板由(规格为2440×1220)木胶合板加工拼装。50×100木方背楞,拼装梁模板时,竹胶合板的短边接头处作为梁底模板时,在竖向背楞之间固定50×100短接头木方,拼缝处用海绵条嵌缝,防止接缝处振捣砼时漏浆。梁底模与梁侧模竹胶板接长拼接缝要错开,避免梁同一截面有两道接槎。2、梁模加工梁均为框架梁,同板一起浇筑。梁底模的两块竹胶板接头处加短接头木方,接缝处塞宽10mm的海绵条;两块梁底模接头处做成子母口搭接,中间塞海绵条,如下图所示:3、梁模支设梁模板支撑采用普通钢管组成的满堂脚手架支撑,模板采用10㎜厚覆模竹胶合板,背楞木方采用5×10cm木方。支设梁模板前,按尺寸先将梁底、梁侧模板加工好,支模板时先按梁的边线位置搭设间距900mm两排脚手架,再搭设沿梁方向的大横杆,然后按700mm间距搭设小横杆,安放加工好的梁底模、梁侧模,用小立杆固定。梁底膜和侧模接缝处,必须放置海绵条。梁侧模背楞与钢管接触部位必须单面满打木楔子,另外一面有缝隙处打紧木楔子,以保证梁侧不跑模,漏浆。梁底模、侧模进行循环使用时,必须将板面清理干净,以便梁底模、侧模拼缝紧密,防止浇筑砼时漏浆,使浇筑出的梁边角整齐,美观。工艺流程:搭设双排脚手架→安装、固定梁底模→安装、固定梁侧模→模板的校正及加固。梁模板的支设方式如下图:(二)板模加工及支设1.设计原则顶板模采用早拆体系,早拆条布置图及早拆节点图见附图。2、板模支设平台模板采用普通钢管搭设满堂脚手架(-2F立杆高3.3m,-1F立杆长3.5m,带有微调螺栓),支模时先搭设脚手架,再安放微调螺栓,调整可调头标高,使之在同一平面上,在微调螺栓上先放置主龙骨,主龙骨采用普通钢管,上面垂直于主龙骨的方向放置次龙骨,次龙骨采用5×10木方竖向放置,次龙骨净距为200㎜,次龙骨上面铺设竹胶板,竹胶板四周用钉子固定在次龙骨上。竹胶板的长边接头沿次龙骨方向布置,端头搭在木方上,接头处塞海绵条。如下图所示:平台板与剪力墙交接处,竹胶板板...

1、当您付费下载文档后,您只拥有了使用权限,并不意味着购买了版权,文档只能用于自身使用,不得用于其他商业用途(如 [转卖]进行直接盈利或[编辑后售卖]进行间接盈利)。
2、本站所有内容均由合作方或网友上传,本站不对文档的完整性、权威性及其观点立场正确性做任何保证或承诺!文档内容仅供研究参考,付费前请自行鉴别。
3、如文档内容存在违规,或者侵犯商业秘密、侵犯著作权等,请点击“违规举报”。

碎片内容

地下车库模板施工方案

确认删除?
VIP
微信客服
  • 扫码咨询
会员Q群
  • 会员专属群点击这里加入QQ群
客服邮箱
回到顶部