电脑桌面
添加小米粒文库到电脑桌面
安装后可以在桌面快捷访问

水行政执法文书格式VIP免费

水行政执法文书格式_第1页
1/26
水行政执法文书格式_第2页
2/26
水行政执法文书格式_第3页
3/26
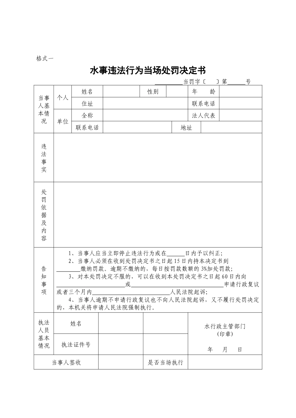
水行政执法法律文书基本格式目录序号文书格式名称使用程序使用情况1水事违法行为当场处罚决定书简易程序必用2水事违法案件立案呈批表一般程序必用3询问笔录一般程序必用4现场检查(勘验)笔录简易、一般程序选用、必用5证据登记(抽样取证)保存清单一般程序选用6登记保存(抽样取证)物品处理通知书一般程序选用7查封(扣押)通知书一般程序选用8解除查封(扣押)通知书一般程序选用9重大案件集体讨论记录一般程序选用10案件调查终结报告书一般程序必用11责令停止违法行为通知书简易、一般程序选用12责令改正通知书简易、一般程序选用13水行政处罚事先告知书(一般程序)一般程序必用水行政处罚事先告知书(听证程序)听证程序必用14水行政处罚听证通知书听证程序必用15听证笔录听证程序必用16水行政处罚听证会报告书听证程序必用17法律文书签发单一般程序必用18水行政处罚(处理)决定书一般程序必用19送达回证一般程序必用20要求当场缴纳罚款申请书简易、一般程序选用21行政处罚强制执行申请书一般程序选用22水行政处罚结案报告一般程序必用23现场照片简易、一般程序选用24水行政处罚(处理)执行笔录一般程序选用25清障决定书一般程序选用格式一水事违法行为当场处罚决定书当罚字〔〕第号当事人基本情况个人姓名性别年龄住址联系电话单位全称法人代表联系电话地址违法事实处罚依据及内容告知事项1、当事人应当立即停止违法行为或在日内予以纠正;2、当事人必须在收到处罚决定书之日起15日内持本决定书到缴纳罚款。逾期不缴纳的,每日按罚款数额的3%加处罚款;3、对本处罚决定不服的,可以在收到本处罚决定书之日起60日内向或申请行政复议或者三个月内人民法院起诉;4、当事人逾期不申请行政复议也不向人民法院起诉,又不履行处罚决定的,本机关将申请人民法院强制执行。执法人员基本情况姓名水行政主管部门(印章)年月日执法证件号当事人签收是否当场执行注:此文书一式两联,第一联归档,第二联送达。格式二水事违法案件立案呈批表立字〔〕第号案件来源受案时间案由当事人个人姓名性别年龄住址联系电话单位全称法人代表联系电话地址简要案情承办人意见签名:年月日水行政主管部门负责人意见签名年月日备注注:若由水行政主管部门负责人以外的其他人签署意见,必须有机关负责人书面授权。格式三询问笔录(共页第页)询问机关询问地点询问时间年月日时分至时分询问人执法证件号记录人执法证件号被询问人:姓名性别年龄职务联系电话工作单位住址我们是水行政执法人员,这是我们的执法证件,请你确认。现就事(案件)进行调查,根据《中华人民共和国行政处罚法》第三十七条规定,你须配合,并如实回答询问。问:答:问:答:被询问人签名或盖章:询问人签名:记录人签名:询问笔录(续页)(共页第页)被询问人签名或盖章:询问人签名:记录人签名:格式四现场检查(勘验)笔录(共页第页)时间年月日时分至时分地点执法机关当事人现场检查(勘验)情况执法人员:执法证件号:执法人员:执法证件号:记录人:第三方签名:当事人签名或盖章:现场检查(勘验)附图(共页第页)附图:制图:地点:当事人签名或盖章:第三方人员签名:年月日格式五证据登记(抽样取证)保存清单当事人:时间:地点:因你(单位)涉嫌一案,本单位需对你(单位)在的下列物品登记保存(抽样取证)。登记保存(抽样取证)期间,你(单位)不得使用、销售、转移、损毁、隐藏。序号物品名称规格数量生产日期(批号)生产单位执法人员:执法证件号:执法人员:执法证件号:(水行政主管部门盖章)年月日当事人签名或盖章:第三方人员签名:注:此文书一式两联,第一联归档,第二联送达。格式六登记保存(抽样取证)物品处理通知书:本机关对年月日登记保存(抽样取证)的物品作出如下处理决定:(水行政主管部门盖章)年月日注:此文书一式两联,第一联归档,第二联送达。格式七查封(扣押)通知书:因你(单位)涉嫌一案,依据之规定,本机关对你(单位)下列物品予以查封(扣押),在此期间,你(单位)不得使用、销售、转移、损毁、隐藏。序号物品名称规格数量生产日期(批号)生产单位执法人员:执法证件号:执法人员:执法证件号:(水行政主管部门盖章)年月日当事人签名或盖章:...

1、当您付费下载文档后,您只拥有了使用权限,并不意味着购买了版权,文档只能用于自身使用,不得用于其他商业用途(如 [转卖]进行直接盈利或[编辑后售卖]进行间接盈利)。
2、本站所有内容均由合作方或网友上传,本站不对文档的完整性、权威性及其观点立场正确性做任何保证或承诺!文档内容仅供研究参考,付费前请自行鉴别。
3、如文档内容存在违规,或者侵犯商业秘密、侵犯著作权等,请点击“违规举报”。

碎片内容

水行政执法文书格式

确认删除?
VIP
微信客服
  • 扫码咨询
会员Q群
  • 会员专属群点击这里加入QQ群
客服邮箱
回到顶部