电脑桌面
添加小米粒文库到电脑桌面
安装后可以在桌面快捷访问

常坑大桥爆破施工方案VIP免费

常坑大桥爆破施工方案_第1页
1/10
常坑大桥爆破施工方案_第2页
2/10
常坑大桥爆破施工方案_第3页
3/10
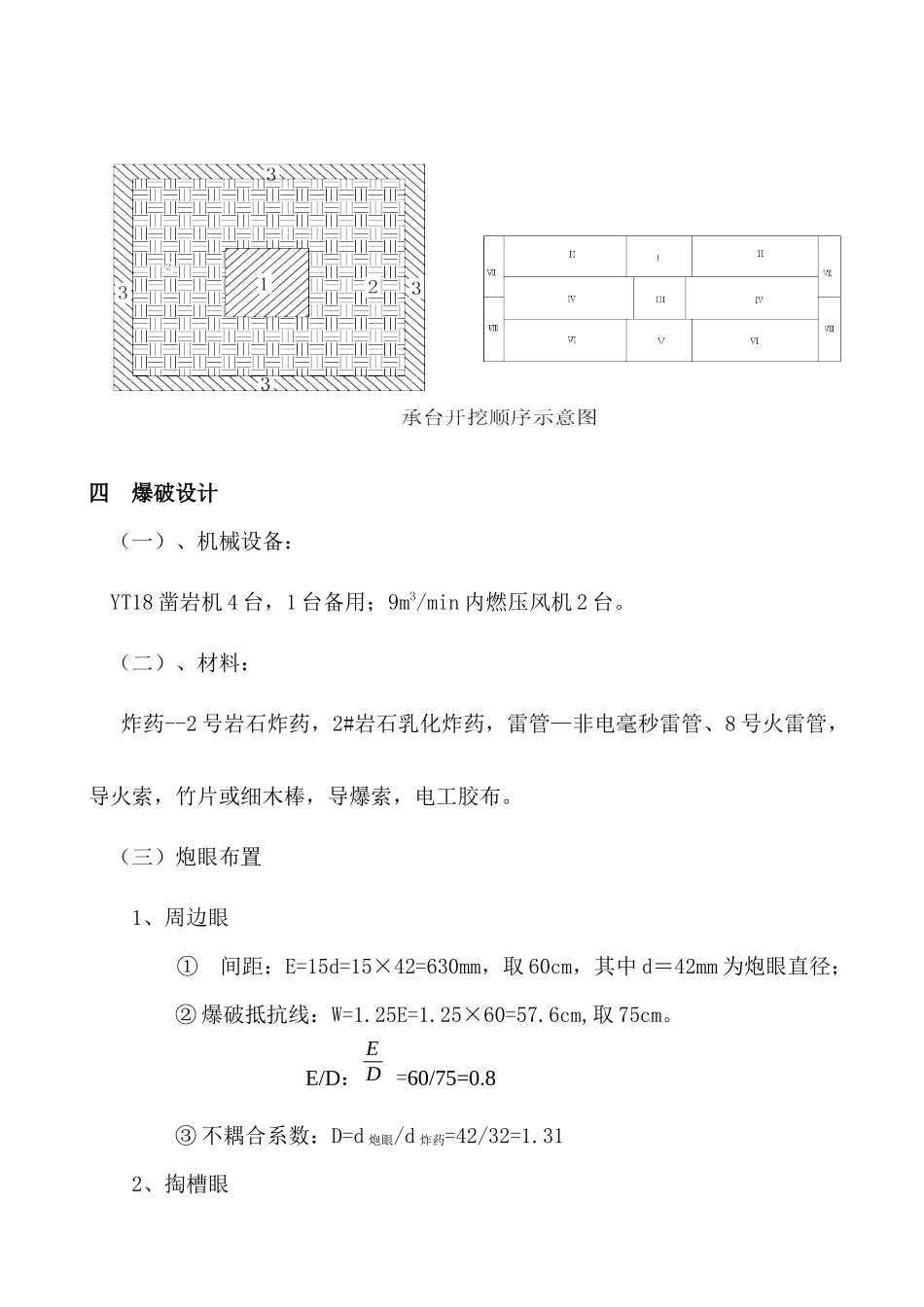
常坑大桥承台基坑开挖爆破方案一、工程概况常坑大桥中心里程YK233+715.75,桥型方案布置为(10×30)米+(60+100+60)米+(4×30)米,共长643.5m,其中跨越建溪水道主桥采用(60+100+60)米变截面连续刚构箱梁,设置三个通航孔;桥梁上部结构采用连续刚构箱梁、连续T梁,下部构造采用钻孔灌注桩基础,桩柱式桥墩、双肢薄壁墩。二、地质情况常坑大桥桥址区位于河流谷地,横跨建溪,地形起伏较大,场地上部覆盖冲积层和人工堆积层及残坡积层,下伏燕山晚期花岗岩和震旦系龙北溪组石英片岩。三、施工方法12#墩承台围岩为微风化花岗岩,故承台基坑开挖施工采用浅眼控制爆破法施工,周边眼采用预留光面爆层光面爆。施工时先清除突出岩石基本找平岩面,然后开挖承基坑台中间部分(掏槽)岩石为后爆岩层创造临空面,分台阶逐层爆破出除周边眼光面爆破预留层部分的岩层,最后爆除台周边预留光爆层,开挖出整个承台(见承台开挖顺序示意图)。四爆破设计(一)、机械设备:YT18凿岩机4台,1台备用;9m3/min内燃压风机2台。(二)、材料:炸药--2号岩石炸药,2#岩石乳化炸药,雷管—非电毫秒雷管、8号火雷管,导火索,竹片或细木棒,导爆索,电工胶布。(三)炮眼布置1、周边眼①间距:E=15d=15×42=630mm,取60cm,其中d=42mm为炮眼直径;②爆破抵抗线:W=1.25E=1.25×60=57.6cm,取75cm。E/D:ED=60/75=0.8③不耦合系数:D=d炮眼/d炸药=42/32=1.312、掏槽眼为了有效控制爆破飞石,保证滨江道上行人和车辆的安全,崩落眼采用浅眼控制爆破。①眼深L取1.1m②最小抵抗线W=(0.5~0.9)H=0.75×1.1=0.823(m)③孔径d=42(mm)④炮眼孔间距a=(0.8~2.0)W=1.2×0.75=0.90(m)⑤炮眼排间距b=(0.8~1.2)W=1.0×0.75=0.75(m)3、辅助眼②眼深L取1.0m②最小抵抗线W=(0.5~0.9)H=0.75×1.0=0.75(m)③孔径d=42(mm)④炮眼孔间距a=(0.8~2.0)W=1.2×0.75=0.90(m)⑤炮眼排间距b=(0.8~1.2)W=1.0×0.75=0.75(m)(四)装药量确定1.周边眼单孔装药量Q=ql=0.35×1.5=0.525kgq----线装药密度取0.35kg/m,l----炮眼深度1.5m2、掏槽眼Q=0.45qW3e=0.45×2.0×0.753×1=0.38(kg)q----炸药单耗f=10~18时取q=1.8~2.6这里取2.0kg/m3W----最小抵抗线m取0.75me---炸药换算系数2#岩石炸药e=13、辅助眼单孔装药量Q=0.33qabhe=0.33×2.0×0.9×0.75×1.0×1=0.445(kg)q----炸药单耗f=10~18时取q=1.8~2.6这里取2.0kg/m3e---炸药换算系数2#岩石炸药e=14、炮眼布置图见附图。6、装药结构周边眼采用间隔装药,辅助眼、掏槽眼连装药,详见周边眼、辅助眼装药结构图。7、起爆网络及起爆方式:①爆破网络采用非电毫秒雷管簇连结方式,同圈眼采用同一段别非电毫秒雷管,不同圈眼采用跳段起爆。②起爆顺序:具体是:先爆破掏槽眼,人工清除石方,然后爆破崩落眼,清除石方,依次类推直至承台底部,最后分层起爆周边眼。掏槽眼、崩落眼、周边眼;③起爆方式:采用火雷管起爆非电雷管引爆炸药。8、五、爆破施工工艺要点钻爆作业严格按照钻爆设计进行钻眼、装药、接线和引爆。钻爆法开挖作业工序组成为:测量放样→布眼→钻眼→装药堵塞→联结起爆网络→起爆→出渣→清底。施工前首先根据现场地质情况进行爆破试验,并且在施工中要不断修正光爆设计参数,以达到最佳爆破效果。1、放样布眼通过测量放出桩基、承台的边点,而且在距开挖面30米设一个临时水准点。钻孔前,采用全站仪定出开挖断面线,红油漆绘出开挖断面轮廓线,标出炮孔位置(误差不超过5cm),经检查符合设计要求后方可钻孔。2、定位开眼采用空压机钻眼,按炮孔布置图(见后图)画点定位后钻孔。呈梅花状布置,周边眼离桩基、承台边线10cm,对于掏槽眼和周边眼的钻孔精度要求比其它炮眼要高,开孔误差控制在5cm以内。3、钻眼按照不同孔位,将钻工定点定位,钻眼深度100cm。钻工熟悉炮眼布置图,能熟练的操作空压机,特别是钻周边眼,一定要由有较丰富经验的老钻工司钻,有专人指挥,确保周边眼有准确的外插角。同时,根据眼口位置岩石的凹凸程度调整炮眼深度,保证炮孔眼底在同一平面上。施工时控制好炮眼的角度、深度、密度,使之符合设计要求:(...

1、当您付费下载文档后,您只拥有了使用权限,并不意味着购买了版权,文档只能用于自身使用,不得用于其他商业用途(如 [转卖]进行直接盈利或[编辑后售卖]进行间接盈利)。
2、本站所有内容均由合作方或网友上传,本站不对文档的完整性、权威性及其观点立场正确性做任何保证或承诺!文档内容仅供研究参考,付费前请自行鉴别。
3、如文档内容存在违规,或者侵犯商业秘密、侵犯著作权等,请点击“违规举报”。

碎片内容

常坑大桥爆破施工方案

您可能关注的文档

确认删除?
VIP
微信客服
  • 扫码咨询
会员Q群
  • 会员专属群点击这里加入QQ群
客服邮箱
回到顶部