电脑桌面
添加小米粒文库到电脑桌面
安装后可以在桌面快捷访问

汽车修理工国家职业标准VIP免费

汽车修理工国家职业标准_第1页
1/10
汽车修理工国家职业标准_第2页
2/10
汽车修理工国家职业标准_第3页
3/10
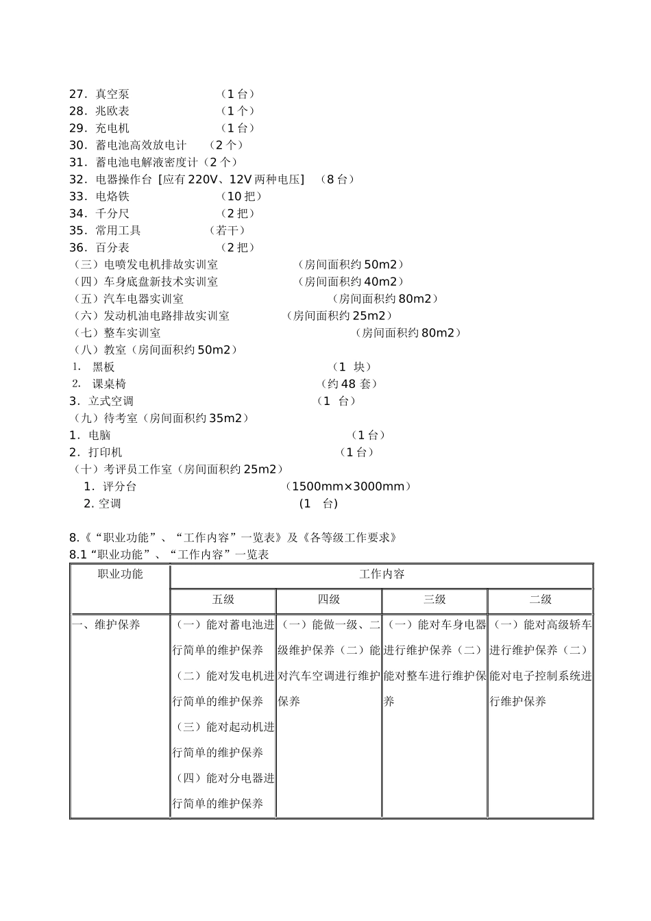
汽车修理工国家职业标准一、职业概况1.1职业名称汽车维修电工1.2职业定义汽车维修电工主要是在汽车维修行业中,从事汽车电器方面的维修、保养、改装等方面的工作。1.3职业等级汽车维修电工(五级)、汽车维修电工(四级)、汽车维修电工(三级)、汽车维修电工(二级)。(1)五级(初级):能够运用基本技能独立完成汽车维修电工的常规工作。(2)四级(中级):能够熟练运用基本技能能够独立完成汽车维修电工的常规工作;在特定情况下,能运用专门技能完成技术较为复杂的工作;能够与他人合作;(3)三级(高级):能够熟练运用基本技能和专门技能完成较为复杂的工作,包括部分非常规工作;能够独立处理工作中出现的问题;能指导和培训初、中级人员。(4)二级(技师):能够熟练运用专门技能和特殊技能完成复杂的、非常规性的工作;掌握本职业的关键技术技能,能够独立处理和解决技术或工艺难题;在技术技能方面有创新;能指导和培训初、中、高级人员;具有一定的技术管理能力。1.4职业环境条件(1)工作地点室内。(2)温度变化常温(3)潮湿干燥(4)噪声小于60分贝(5)大气条件:无毒无粉尘1.5职业能力特征(1)一般智力能领会和理解外界提供的信息,具有简单的分析、推理和判断的能力。(2)表达能力能用语言或文字方式有效地进行简单的交流和表述的能力。(3)计划能力能准确而有目的地运用数字进行运算的能力。(4)空间感能凭思维想象几何形体和将简单三维物体表现为二维图象的能力。(5)形体知觉觉察物体、图画或图形资料中有关细部的能力。(6)色觉辨别颜色的能力。(7)手指灵活性能迅速、准确、灵活地运用手指完成既定操作的能力。(8)手臂灵活性能熟练、准确、稳定地运用手臂完成既定操作的能力。(9)动作协调性能根据视觉信息协调眼、手、足及身体其他部位,迅速、准确、协调地做出反应,完成既定操作的能力。1.6基本文化程度五级要求初中毕业或相当初中文化程度;四级要求高中毕业或相当高中文化程度;三级要求大专毕业或相当大专文化程度;二级要求大专以上文化程度;1.7鉴定要求1.7.1适用对象从事或准备从事本职业的人员。1.7.2申报条件按照[上海市职业技能鉴定申报条件]申报,具体要求如下:1.具有初中文化程度及以上学历的人员均可申报五级(初级)职业资格鉴定。2.持有五级(初级)职业资格证书一年及以上者,可报名参加本职业四级(中级)职业资格鉴定及相关职业的四级(中级)模块鉴定;持有四级(中级)及以上职业资格证书者,须在持证二年及以上,方可参加高一等级的职业资格鉴定和高一等级相关职业的模块鉴定。报考二级及以上等级职业资格鉴定,除符合上述条件外,还应持有高中或中职学历及以上证书,对于1958年12月31日以前出生的人员,则必须达到初中及以上文化程度。3.五级(初级)职业资格证书,但在本职业(工种)工作经历累计五年及以上者,并具有初中文化程度,可直接申报四级(中级)职业资格鉴定(须提供用工单位劳资部门的有效证明或加盖公章的单位证明),四级(中级)职业资格评定成绩为“良好”及以上者可直接申报参加三级(高级)职业资格鉴定。4.有中等职业学校(含中专、职校、技校)毕业证者,可直接申报相关职业的四级(中级)职业资格鉴定和四级(中级)的模块鉴定,并可在取得毕业证书之日起的三年内,免考其理论知识部分。持有高等学校(含大学、大专、高职)毕业证者,可直接申报相关职业的四级(中级)职业资格鉴定和三级(高级)的模块鉴定,在本专业工作二年及以上者,可直接申报相关职业的三级(高级)职业资格鉴定,并可在取得毕业证书之日起的三年内,免考其理论知识部分。5.持有《高等学校学生职业资格证书》,并在毕业后从事本职业岗位工作二年及以上者,可申报二级职业资格鉴定。6.持有中级技术职称的人员,则必须参加本专业相关职业的三级(高级)职业资格鉴定,鉴定合格无需年限规定,可直接申报二级职业资格鉴定。1.7.3鉴定方式汽车维修电工五、四、三级采用非一体化考核制度进行;二级采用一体化考核制度进行。1.7.4鉴定场所设备(一)办公室(房间面积约20~30m2)⒈办公电脑(1~2台)⒉打印机(1台)⒊电...

1、当您付费下载文档后,您只拥有了使用权限,并不意味着购买了版权,文档只能用于自身使用,不得用于其他商业用途(如 [转卖]进行直接盈利或[编辑后售卖]进行间接盈利)。
2、本站所有内容均由合作方或网友上传,本站不对文档的完整性、权威性及其观点立场正确性做任何保证或承诺!文档内容仅供研究参考,付费前请自行鉴别。
3、如文档内容存在违规,或者侵犯商业秘密、侵犯著作权等,请点击“违规举报”。

碎片内容

汽车修理工国家职业标准

确认删除?
VIP
微信客服
  • 扫码咨询
会员Q群
  • 会员专属群点击这里加入QQ群
客服邮箱
回到顶部