电脑桌面
添加小米粒文库到电脑桌面
安装后可以在桌面快捷访问

大桥钢板桩围堰施工方案VIP免费

大桥钢板桩围堰施工方案_第1页
1/47
大桥钢板桩围堰施工方案_第2页
2/47
大桥钢板桩围堰施工方案_第3页
3/47
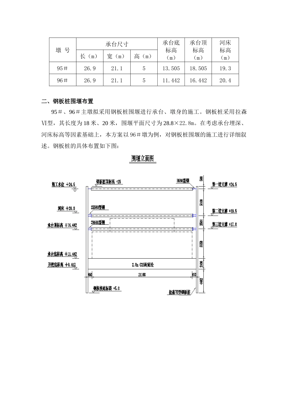
目录一、沉湖汉江特大桥95#、96#墩钢板桩围堰施工方案………21、工程概述……………………………………………………22、钢板桩围堰布置……………………………………………23、钢板桩围堰施工方案………………………………………34、钢板桩围堰施工中的防漏水措施……………………………75、钢板桩围堰施工中的安全措施………………………………86、劳动力计划………………………………………………87、主要设备投入……………………………………………98、施工周期安排……………………………………………9二、沉湖汉江特大桥96#墩钢板桩围堰计算书……………10三、沉湖汉江特大桥95#墩钢板桩围堰计算书……………29附件:1、沉湖汉江特大桥96#墩钢板桩围堰施工设计图2、沉湖汉江特大桥95#墩钢板桩围堰施工设计图沉湖汉江特大桥95#、96#墩钢板桩围堰施工方案一、工程概述沉湖汉江特大桥处于仙桃市长倘口镇、汉川市沉湖镇内,起诉里程为DK71+763.18~DK79+705.81,全长7942.63m。主桥以一联(102m+168m+102m)预应力混凝土连续钢构跨越汉江河道。其中95#、96#墩位于汉江河道中,四季有水,为深水基础,承台、墩身具体布置如下:95#、96#墩具体参数如下:墩号承台尺寸承台底标高(m)承台顶标高(m)河床标高(m)长(m)宽(m)高(m)95#26.921.1513.50518.50519.396#26.921.1511.44216.44220.4二、钢板桩围堰布置95#、96#主墩拟采用钢板桩围堰进行承台、墩身的施工。钢板桩采用拉森Ⅵ型,其长度为18米、20米,围堰平面尺寸为28.8×22.8m。在考虑承台埋深、河床标高等因素基础上,本方案以96#墩为例,对钢板桩围堰的施工进行详细叙述。钢板桩的具体布置如下图:三、钢板桩围堰施工方案(一)、插打钢板桩前的准备工作1、每个墩的钻孔桩完成后,拆除钻孔平台,保留栈桥和四周施工平台,并能满足起重设备(50t履带吊)能沿栈桥和四周施工平台通行;2、对河床进行清理:根据钻孔情况,96#墩局部可能存在片石,在桩基施工完成后,利用挖机对围堰范围内进行清理,避免在钢板桩插打位置遇到障碍物;3、钢板桩变形检查:因钢板桩在装卸、运输过程会出现撞伤、弯扭及锁口变形等现象,因此,钢板桩在插打前有必要对其进行变形检查。对变形严重的钢板桩进行校正并做销口通过检查。锁口检查方法:用一块长约2米的同类型、同规格的钢板桩作标准,采用卷扬机拉动标准钢板桩平车,从桩头至桩尾作锁口通过检查,对于检查通过的投入使用,不合格的再进行校正或淘汰不用。钢板桩的其它检查:剔除钢板桩前期使用后表面因焊接钢板、钢筋留下的残渣瘤;4、振动锤检查:振动锤是打拔钢板桩的关键设备,在打拔前一定要进行专门检查,确保线路畅通,功能正常,振动锤的端电压要达到380-420V,而夹板牙齿不能有太多磨损;5、涂刷黄油混合物油膏:为了减少插打时锁口间的摩擦和减少钢板桩围堰的渗漏,在钢板桩锁口内涂抹黄油混合物油膏(重量配合比为沥青:黄油:滑石粉:锯末=4:6:10:1)。(二)、钢板桩围堰的插打钢板桩插打利用墩位四周平台上50t履带吊作为起吊设备,配合DZ60型振动锤的施工方法逐片插打。1、安装钢板桩插打导向:钢板桩插打之前,在钻孔桩外侧的钢护筒上焊接牛腿,安装第一道支撑圈梁,作为钢板桩插打时的导向架,以控制钢板桩的平面尺寸和垂直度;2、为了确保每一片钢板桩插打准确,第一片钢板桩是插打的关键,第一片钢板桩位置选择在上游或下游中心位置,插打前在导向架上设置限位装装制,大小比钢板桩每边放大1cm,插打时,钢板桩桩背紧靠导向架,边插边将吊钩缓慢下放,这时在相互垂直的两个方向用锤球进行观测,以确保钢板桩插正、插直;3、通过检测,确定第一片钢板桩插打合格后,然后以第一根钢板桩为基准,再向两边对称插打每一根钢板桩到设计位置。整个施工过程中,要用锤球始终控制每片桩的垂直度,及时调整;4、每一片钢板桩先利用自重下插,当自重不能下插时,才进行加压。5、钢板桩插打至设计标高后,立即与导向架进行焊接,以抵抗水流冲击;6、插打过程中,须遵守“插桩正直,分散即纠,调整合拢”的施工要点。(三)、围堰内抽水、吸泥、安装内支撑及水下封...

1、当您付费下载文档后,您只拥有了使用权限,并不意味着购买了版权,文档只能用于自身使用,不得用于其他商业用途(如 [转卖]进行直接盈利或[编辑后售卖]进行间接盈利)。
2、本站所有内容均由合作方或网友上传,本站不对文档的完整性、权威性及其观点立场正确性做任何保证或承诺!文档内容仅供研究参考,付费前请自行鉴别。
3、如文档内容存在违规,或者侵犯商业秘密、侵犯著作权等,请点击“违规举报”。

碎片内容

大桥钢板桩围堰施工方案

您可能关注的文档

确认删除?
VIP
微信客服
  • 扫码咨询
会员Q群
  • 会员专属群点击这里加入QQ群
客服邮箱
回到顶部