电脑桌面
添加小米粒文库到电脑桌面
安装后可以在桌面快捷访问

大厦商务写字楼工程检验批划分VIP免费

大厦商务写字楼工程检验批划分_第1页
1/46
大厦商务写字楼工程检验批划分_第2页
2/46
大厦商务写字楼工程检验批划分_第3页
3/46
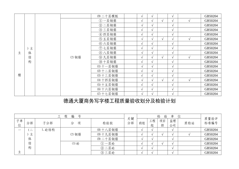
德通大厦商务写字楼工程质量验收划分及检验计划工程编号关键分部检验单位质量验评标准编号子单位分部子分部分项检验批班组工程组项目部监理公司质检站一主楼(一)地基与基础(一)地基与基础★√√√√1、无支护土方(1)土方开挖√√√√√GB50202(2)土方回填①基坑回填√√√GB50202②房心回填√√√GB502022、有支护土方(1)降水√√√GB502023、地下防水(1)防水砼√√√GB50208(2)涂料防水√√√√GB502084、砼基础(1)筏板反梁模板√√√GB50202(2)筏板反梁钢筋√√√√√GB50202(3)筏板反梁砼√√√√GB50202(4)剪力墙柱模板①核心筒、内框柱√√√GB50204②挡土墙、剪力墙√√√GB50204(5)剪力墙柱钢筋①核心筒、内框柱√√√√GB50204②挡土墙、剪力墙√√√√GB50204(6)剪力墙柱砼①核心筒、内框柱√√√√GB50204②挡土墙、剪力墙√√√√GB50204(7)顶板、梁模板√√√√GB50204(8)顶板、梁钢筋√√√√GB50204(9)顶板、梁砼√√√GB502045、砌体基础砖基础√√√GB50203德通大厦商务写字楼工程质量验收划分及检验计划工程编号关键分部检验单位质量验评标准编号子单位分部子分部分项检验批班组工程组项目部监理公司质检站一主楼(二)主体结构(二)主体结构★√√√√GB502041、砼结构(1)模板①一层模板√√√GB50204②二层模板√√√GB50204③三层模板√√√GB50204④四层模板√√√GB50204⑤五层模板√√√GB50204⑥六层模板√√√GB50204⑦七层模板√√√GB50204⑧八层模板√√√GB50204⑨九层模板√√√GB50204⑩十层模板√√√GB50204⑾十一层模板√√√GB50204⑿十二层模板√√√GB50204⒀十三层模板√√√GB50204⒁十四层模板√√√GB50204⒂十五层模板√√√GB50204⒃十六层模板√√√GB50204⒄十七层模板√√√GB50204⒅十八层模板√√√GB50204德通大厦商务写字楼工程质量验收划分及检验计划工程编号关键分部检验单位质量验评标准编号子单位分部子分部分项检验批班组工程组项目部监理公司质检站一(二⒈砼结构⑴模板⒆十九层模板√√√GB50204主楼)主体结构⒇二十层模板√√√GB50204⑵钢筋①一层钢筋√√√√√GB50204②二层钢筋√√√GB50204③三层钢筋√√√GB50204④四层钢筋√√√GB50204⑤五层钢筋√√√√√GB50204⑥六层钢筋√√√GB50204⑦七层钢筋√√√GB50204⑧八层钢筋√√√GB50204⑨九层钢筋√√√√√GB50204⑩十层钢筋√√√GB50204⑾十一层钢筋√√√GB50204⑿十二层钢筋√√√GB50204⒀十三层钢筋√√√GB50204⒁十四层钢筋√√√√√GB50204⒂十五层钢筋√√√GB50204⒃十六层钢筋√√√GB50204⒄十七层钢筋√√√GB50204德通大厦商务写字楼工程质量验收划分及检验计划工程编号关键分部检验单位质量验评标准编号子单位分部子分部分项检验批班组工程组项目部监理公司质检站一主(二)主体结构⒈砼结构⑵钢筋⒅十八层钢筋√√√GB50204⒆十九层钢筋√√√√√GB50204⒇二十层钢筋√√√GB50204⑶砼①一层砼√√√√GB50204②二层砼√√√GB50204③三层砼√√√GB50204楼④四层砼√√√GB50204⑤五层砼√√√√GB50204⑥六层砼√√√GB50204⑦七层砼√√√GB50204⑧八层砼√√√GB50204⑨九层砼√√√√GB50204⑩十层砼√√√GB50204⑾十一层砼√√√GB50204⑿十二层砼√√√GB50204⒀十三层砼√√√GB50204⒁十四层砼√√√√GB50204⒂十五层砼√√√GB50204⒃十六层砼√√√GB50204德通大厦商务写字楼工程质量验收划分及检验计划工程编号关键分部检验单位质量验评标准编号子单位分部子分部分项检验批班组工程组项目部监理公司质检站一主楼(二)主体结构⒈砼结构⑶砼⒄十七层砼√√√GB50204⒅十八层砼√√√GB50203⒆十九层砼√√√GB50203⒇二十层砼√√√GB50204⒉砌体结构配筋砌体①地下室砌体√√√GB50203②一~三层砌体√√√√GB50203③四~六层砌体√√√GB50204④七~九层砌体√√√GB50203⑤十~十二层砌体√√√GB50203⑥十三~十五层砌体√√√GB50204⑦十六~十八层砌体√√√√GB50203⑧十九~二十层砌体√√√GB50203⒊索膜结构索膜安装√√√GB50205(三)建筑装饰装修㈢建筑装饰装修√√√⒈地面...

1、当您付费下载文档后,您只拥有了使用权限,并不意味着购买了版权,文档只能用于自身使用,不得用于其他商业用途(如 [转卖]进行直接盈利或[编辑后售卖]进行间接盈利)。
2、本站所有内容均由合作方或网友上传,本站不对文档的完整性、权威性及其观点立场正确性做任何保证或承诺!文档内容仅供研究参考,付费前请自行鉴别。
3、如文档内容存在违规,或者侵犯商业秘密、侵犯著作权等,请点击“违规举报”。

碎片内容

大厦商务写字楼工程检验批划分

确认删除?
VIP
微信客服
  • 扫码咨询
会员Q群
  • 会员专属群点击这里加入QQ群
客服邮箱
回到顶部